Главная Случайная страница


Полезное:

Как сделать разговор полезным и приятным Как сделать объемную звезду своими руками Как сделать то, что делать не хочется? Как сделать погремушку Как сделать так чтобы женщины сами знакомились с вами Как сделать идею коммерческой Как сделать хорошую растяжку ног? Как сделать наш разум здоровым? Как сделать, чтобы люди обманывали меньше Вопрос 4. Как сделать так, чтобы вас уважали и ценили? Как сделать лучше себе и другим людям Как сделать свидание интересным?


Категории:

АрхитектураАстрономияБиологияГеографияГеологияИнформатикаИскусствоИсторияКулинарияКультураМаркетингМатематикаМедицинаМенеджментОхрана трудаПравоПроизводствоПсихологияРелигияСоциологияСпортТехникаФизикаФилософияХимияЭкологияЭкономикаЭлектроника






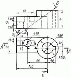
Построение третьего изображения по двум данным и линий перехода





Построить по двум изображениям детали третье с «полезными» разрезами. и линии перехода. Пример выполнения дан на рисунке 3.8. Варианты задач показаны в приложении Г.

В индивидуальных заданиях линии перехода проведены не полностью, а лишь начало и конец их, и поставлены знаки вопроса. Для нахождения точек линий пересечения двух поверхностей (линии перехода) нужно выбрать наиболее рациональный способ решения. Следует по возможности подбирать такие вспомогательные поверхности – посредники (плоскости или сферы), которые пересекаются с данными поверхностями по графически простым линиям (например прямые линии, окружности).

Каким бы способом не проводились построение линий пересечения, нужно сначала найти характерные или «опорные» точки искомой кривой. К ним относятся: точки, проекции которых лежат на проекциях очерковых линий одной из поверхностей (например, на крайних образующих цилиндра или конуса, на главном меридиане и экваторе шара), отделяющие видимую часть линии пересечения от невидимой; «крайние точки» - правые и левые, наивысшие и наинизшие, ближайшие к наиболее удаленные от плоскостей проекции. Все остальные точки линии пересечения поверхностей называются промежуточными.

 

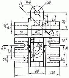
Рисунок 3.8 Пример выполнения листа 6

 

Указания к решению задачи

Ознакомиться с индивидуальным заданием и примером выполнения работы

1) Вычертить тонкими линиями заданные два изображения детали;

2) Построить третье изображение детали.

3) Выполнить полезные разрезы.

4) Определить характерные или опорные точки линий перехода.

5) Нанести размерные линии и размерные числа.

6) Обвести линии карандашом, принимая толщину линии видимого контура равной 0,8-1,0мм.

7) Заполнить основную надпись

 

 

Библиографический список

 

1. Государственные стандарты Единой системы конструкторской документации. -М.: Издательство стандартов, 1996.-331с

2. Боголюбов С.К. Инженерная графика: Учебник.- 3-е изд., испр. И доп.- М.:Машиностроение, 2006.- 352 с

3. Чекмарев А.А., Осипов В.К. Справочник по машиностроительному черчению.-М.: Высшая школа, 2004.- 671 с

 

Приложение А

варианты R R1 R2 R3 a b d d1 h t x y
1,11,20 5,15,24 9,19                   50,5    

 

Варианты R R1 R2 R3 a b d d1 h t x y
2,12,21 6,16,25                   50,5    

 

 

Продолжение приложения А

Вариан. R R1 R2 R3 S a a1 b b1 d h t x y
3,13,22 7,17,26                            

 

Вариан. R R1 R2 R3 a b d d1 h t x y y1
4, 14,23 8,18,27                          

 

 

Приложение Б

1,12,22 2,14,20
3,16,21 4,18,25
6,13 5,11,24

 

Продолжение приложения Б

7,15 8,17,27
9,19,23 10,25

 

 

Приложение В

1,13,22 3,17,26
2,15,24 4,19,27

 

Продолжение приложения В

5,18,25 6,16,23
8,12 7,14

 

 

Продолжение приложение В

10,11,21     9,20
   

 

 

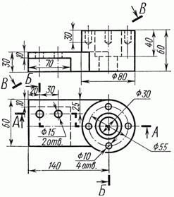
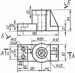
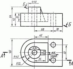
Приложение Г

2,10,18  

 

2,10,18  

 

 

Продолжение приложения Г

3,11,19  

 

 
4,12,20,26  

 

 

 

Продолжение приложения Г

5,13,21,27  

 

6,14,22  

 

 

Продолжение приложение Г

7,15,23  

 

8,16,24  

 

 

 







Date: 2015-05-08; view: 1963; Нарушение авторских прав



mydocx.ru - 2015-2026 year. (1.765 sec.) Все материалы представленные на сайте исключительно с целью ознакомления читателями и не преследуют коммерческих целей или нарушение авторских прав - Пожаловаться на публикацию