Главная Случайная страница


Полезное:

Как сделать разговор полезным и приятным Как сделать объемную звезду своими руками Как сделать то, что делать не хочется? Как сделать погремушку Как сделать так чтобы женщины сами знакомились с вами Как сделать идею коммерческой Как сделать хорошую растяжку ног? Как сделать наш разум здоровым? Как сделать, чтобы люди обманывали меньше Вопрос 4. Как сделать так, чтобы вас уважали и ценили? Как сделать лучше себе и другим людям Как сделать свидание интересным?


Категории:

АрхитектураАстрономияБиологияГеографияГеологияИнформатикаИскусствоИсторияКулинарияКультураМаркетингМатематикаМедицинаМенеджментОхрана трудаПравоПроизводствоПсихологияРелигияСоциологияСпортТехникаФизикаФилософияХимияЭкологияЭкономикаЭлектроника






Цифровые генераторы и ждущие мультивибраторы





Цель работы: изучение работы и схемотехники цифровых таймеров (мультивибраторов) в генераторном и моностабильном режимах.

Программа работы:

1. Изучение работы таймеров (мультивибраторов) на примере использования специализированных ИМС КМОП типа NE555 или К1006ВИ1 в астабильном (генераторном) или моностабильном (ждущем) режимах.

1.1. В зависимости от варианта задания (тип микросхемы, рабочая частота генерации, скважность сигнала) собрать на макетном стенде схему цифрового генератора сигналов прямоугольной формы (рис.5). Для этого предварительно выполнить расчёт номинальных значений времязадающих RC –цепей по справочным данным на ИМС.

1.2. С помощью осциллографа определить параметры выходного сигнала и отметить различия их формы в зависимости от напряжениях питания ИМС при

+5 В и +12 В.

2. Построение генераторов одиночных импульсов на основе ИМС мультивибратора ТТЛ-типа КР155АГ1 показано на рис.6-8.

2.1 В зависимости от варианта запуска мультивибратора и длительности одиночных импульсов выполнить предварительный расчёт номинальных значений времязадающих RC –цепей по справочным данным на ИМС (рис.6, 7).

2.2 Для формирования запускающего сигнала (рис.8) возможно использовать внешний генератор прямоугольных сигналов, выход предыдущей схемы генератора п.1 или собрать схему механического переключателя напряжений (логических уровней) на примере рис.6.

2.3. С помощью осциллографа и цифрового частотомера (в режиме таймера) определить параметры выходных импульсов.

3. Проанализировать возможные причины отклонений полученных теоретических расчётов параметров сигналов от практических результатов.

 

 

а) б)

 

Рис. 5. Варианты включения ИМС таймеров NE555 или К1006ВИ1 (КМОП)

в генераторном (а) и ждущем (б) режимах работы.

 

а) б)

 

Рис. 6. Пример реализации ждущего мультивибратора на ИМС 155АГ1 с запуском по “фронту” ТТЛ– импульсом (а) и осциллограммы работы (б). Рекомендуемые номиналы элементов входного переключателя: R 0=(1… 20) кОм, С 0=(0.1 … 1) мкФ.

 

 

а) б) в)

 

Рис. 7. Варианты подключения времязадающих RC –цепей для ИМС К155АГ1

в режиме ждущего мультивибратора (формирование одиночных импульсов заданной длительности). Рекомендуемые номиналы элементов (для схем а, б, в):

а) R 1≈ (1.5 …43) кОм; C 1≈ (0.001 … 10) мкФ. б) 1кОм < R1 < 39 кОм;

в) C 1≈ (0.001 … 10) мкФ; 1кОм < R1< (h21Э · 43кОм); R2 ≈ (1.5…20) кОм.

 

а) б) в)

 

Рис. 8. Варианты установки режима запуска ждущего мультивибратора К155АГ1 (ТТЛ)

по “фронту” (а) или “срезу” (б, в) входного импульса.

Указания к выполнению работы:

1. Параметры внешних RC -цепей для ИМС таймера NE555 или КР1006ВИ1:

1.1. Астабильный (генераторный) режим (рис.1а):

– Рекомендуемый частотный диапазон: 0.1 Гц < f 0 < 100 кГц.

– Рекомендуемые номиналы – конденсаторов: 0.01 мкФ < C < 10 мкФ,

резисторов: 1 кОм < R < 1 МОм.

– Период колебаний: T = t вкл. + t выкл.≈ 0.693· (R 2+2· R 1)· C 1,

где t вкл.≈ 0.693·(R 1+ R 2)· C 1; t выкл. ≈ 0.693· RC 1.

– Частота колебаний: f 0 =1/ T ≈ 1.44/[(R 2+2· R 1)· C 1].

– Скважность сигнала: q = T / t вкл. ≈ (t вкл. + t выкл.)/ t вкл. Для получения симметричного прямоугольного сигнала (“меандр”) следует выбирать номинал резистора R 1 намного больше R 2, т.е. для q ≈ 2.0, R 1 >> R 2.

1.2. Моностабильный (ждущий) режим (рис.1б):

– Рекомендуемый диапазон выходного импульса: 10 мкс < t имп. < 10 с.

– Рекомендуемые номиналы – конденсатор (С 1): 0.01 мкФ < C < 10 мкФ,

резистор (R 1): 1 кОм < R < 1 МОм.

– Временной интервал, в течении которого на выходе действует напряжение высокого уровня: t имп. ≈ 1.1· RC 1.

– Рекомендуемая ширина запускающего импульса: t зап.< t имп./4.

 

2. Параметры внешних RC -цепей для ИМС КР155АГ1 в режиме ждущего

мультивибратора:

– Длительность выходного импульса: t имп.≈ 0.7· RC 1.

– Микросхема содержит внутренний времязадающий резистор сопротивлением

около 2 кОм (рис.4б) между входами RC и RI, что позволяет обеспечить

работу мультивибратора без внешнего резистора (R 1).

– Для получения импульсов большой длительности, при малой ёмкости конденсатора, времязадающую цепь следует дополнить транзистором (КТ315, КТ3102 или др.). В этом случае, сопротивление резистора R1 может быть выбрано в h21Э (VT 1) больше, чем 43 кОм и может достигать 20 МОм.


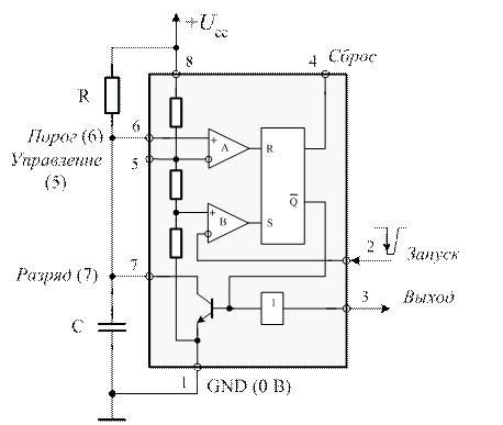
3. Расположение выводов и конфигурация ИМС представлены на рис.9, 10.

 

 

Рис.9. Назначение выводов ИМС мультивибраторов (DIP-корпус).

 

Рис. 10. Моностабильная конфигурация таймера NE555 (К1006ВИ1).

 







Date: 2015-05-08; view: 3282; Нарушение авторских прав



mydocx.ru - 2015-2026 year. (1.472 sec.) Все материалы представленные на сайте исключительно с целью ознакомления читателями и не преследуют коммерческих целей или нарушение авторских прав - Пожаловаться на публикацию