Главная Случайная страница


Полезное:

Как сделать разговор полезным и приятным Как сделать объемную звезду своими руками Как сделать то, что делать не хочется? Как сделать погремушку Как сделать так чтобы женщины сами знакомились с вами Как сделать идею коммерческой Как сделать хорошую растяжку ног? Как сделать наш разум здоровым? Как сделать, чтобы люди обманывали меньше Вопрос 4. Как сделать так, чтобы вас уважали и ценили? Как сделать лучше себе и другим людям Как сделать свидание интересным?


Категории:

АрхитектураАстрономияБиологияГеографияГеологияИнформатикаИскусствоИсторияКулинарияКультураМаркетингМатематикаМедицинаМенеджментОхрана трудаПравоПроизводствоПсихологияРелигияСоциологияСпортТехникаФизикаФилософияХимияЭкологияЭкономикаЭлектроника






Программа работы. 1.2.1 Эксперимент 1: Снятие вольтамперной характеристики диода





1.2.1 Эксперимент 1: Снятие вольтамперной характеристики диода.

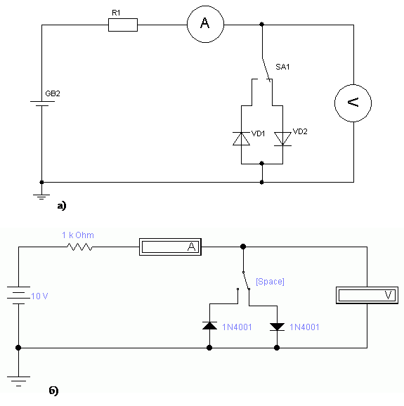
Создайте схему, изображенную на рисунке 1.3. Для снятия прямой ветви ВАХ переключатель установите в правое положение. Конкретное значение сопротивления R 1 выберите по номеру варианта. Включите схему.

 

Рисунок 1.3

а) – схема в обозначениях по ГОСТ;

б) – схема в программе Electronics Workbench.

Последовательно устанавливая значение ЭДС источника GB 2 от 6 до 0 В, запишите значения напряжения U при тока I прдиода в таблицу 1.1. На указанном диапазоне взять не менее 15-20 точек.

 

 

Таблица 1.1 – Прямая ветвь ВАХ диода

Е, В U пр, В I пр, А
     
     

 

Для снятия обратной ветви ВАХ переключатель установите в левое (по схеме) положение. Последовательно устанавливая значение ЭДС источника GB 2 от 0 до 20В, запишите значения напряжения U оби тока I обдиода в таблицу 1.2.

Таблица 1.2 – Обратная ветвь ВАХ диода

Е, В U об, В I об, А
     
     

По полученным данным постройте графики I пр= f (U пр) и I об= f (U об).

1.2.2 Эксперимент 2: Получение вольтамперной характеристики диода на экране осциллографа.

Создайте схему (рисунок 1.4). Включите схему. На ВАХ, появившейся на экране осциллографа, по горизонтальной оси считывается напряжение на диоде в милливольтах (канал А), а по вертикальной – ток в миллиамперах (канал В, 1 мВ соответствует 1 мА). Обратите внимание на изгиб ВАХ (линия получается множественной, вследствие переходных процессов, происходящих в полупроводниковом приборе в момент включения; при установившемся режиме останется одна линия).

Рисунок 1.4

а) – схема в обозначениях по ГОСТ;

б) – схема в программе Electronics Workbench.

Начертите полученную ВАХ.

1.2.3 Эксперимент 3: Измерение напряжения и вычисление тока через стабилитрон.

Создайте схему (рисунок 1.5). Конкретное значение сопротивления R 1 выберите по номеру варианта. Измерьте значение U стна стабилитроне при значениях ЭДС источника от 0 до 35 В (в диапазоне 4-6 В точек брать больше!). Результаты измерений занесите в таблицу 1.3.

Рисунок 1.5

а) – схема в обозначениях по ГОСТ;

б) – схема в программе Electronics Workbench.

Таблица 1.3 – Данные для построения ВАХ стабилитрона

Е, В U ст, В I ст, А
     
     

Вычислите ток I стстабилитрона для каждого значения напряжения U стпо формуле

Результаты вычислений занесите в таблицу 1.3. в столбец I ст. По данным таблицы постройте ВАХ стабилитрона и оцените по ней напряжение стабилизации. Оно определяется точкой на вольтамперной характеристике, в которой ток стабилитрона резко увеличивается.


1.2.4 Эксперимент 4: Получение вольтамперной характеристики стабилитрона на экране осциллографа.

Создайте схему (рисунок 1.6). Включите схему. Начертите полученную ВАХ и определите по ней напряжение стабилизации.

Рисунок 1.6

а) – схема в обозначениях по ГОСТ;

б) – схема в программе Electronics Workbench.


Таблица с вариантами задания:

№ варианта Эксперимент 1 Эксперимент 2 Эксперимент 3 Эксперимент 4
  R 1=850 Ом R 1=100 Ом; R 2=1 Ом R 1=150 Ом R 1=100 Ом; R 2=1 Ом
  R 1=870 Ом R 1=100 Ом; R 2=1 Ом R 1=170 Ом R 1=100 Ом; R 2=1 Ом
  R 1=890 Ом R 1=100 Ом; R 2=1 Ом R 1=190 Ом R 1=100 Ом; R 2=1 Ом
  R 1=910 Ом R 1=100 Ом; R 2=1 Ом R 1=200 Ом R 1=100 Ом; R 2=1 Ом
  R 1=930 Ом R 1=100 Ом; R 2=1 Ом R 1=220 Ом R 1=100 Ом; R 2=1 Ом
  R 1=950 Ом R 1=100 Ом; R 2=1 Ом R 1=250 Ом R 1=100 Ом; R 2=1 Ом
  R 1=970 Ом R 1=100 Ом; R 2=1 Ом R 1=270 Ом R 1=100 Ом; R 2=1 Ом
  R 1=990 Ом R 1=100 Ом; R 2=1 Ом R 1=290 Ом R 1=100 Ом; R 2=1 Ом
  R 1=1010 Ом R 1=100 Ом; R 2=1 Ом R 1=300 Ом R 1=100 Ом; R 2=1 Ом
  R 1=1050 Ом R 1=100 Ом; R 2=1 Ом R 1=320 Ом R 1=100 Ом; R 2=1 Ом
  R 1=1100 Ом R 1=100 Ом; R 2=1 Ом R 1=350 Ом R 1=100 Ом; R 2=1 Ом
  R 1=1150 Ом R 1=100 Ом; R 2=1 Ом R 1=370 Ом R 1=100 Ом; R 2=1 Ом
  R 1=860 Ом R 1=100 Ом; R 2=1 Ом R 1=160 Ом R 1=100 Ом; R 2=1 Ом
  R 1=880 Ом R 1=100 Ом; R 2=1 Ом R 1=180 Ом R 1=100 Ом; R 2=1 Ом
  R 1=900 Ом R 1=100 Ом; R 2=1 Ом R 1=1850 Ом R 1=100 Ом; R 2=1 Ом
  R 1=920 Ом R 1=100 Ом; R 2=1 Ом R 1=210 Ом R 1=100 Ом; R 2=1 Ом
  R 1=940 Ом R 1=100 Ом; R 2=1 Ом R 1=230 Ом R 1=100 Ом; R 2=1 Ом
  R 1=960 Ом R 1=100 Ом; R 2=1 Ом R 1=240 Ом R 1=100 Ом; R 2=1 Ом
  R 1=980 Ом R 1=100 Ом; R 2=1 Ом R 1=260 Ом R 1=100 Ом; R 2=1 Ом
  R 1=1000 Ом R 1=100 Ом; R 2=1 Ом R 1=280 Ом R 1=100 Ом; R 2=1 Ом
  R 1=1020 Ом R 1=100 Ом; R 2=1 Ом R 1=310 Ом R 1=100 Ом; R 2=1 Ом
  R 1=1100 Ом R 1=100 Ом; R 2=1 Ом R 1=330 Ом R 1=100 Ом; R 2=1 Ом
  R 1=1200 Ом R 1=100 Ом; R 2=1 Ом R 1=340 Ом R 1=100 Ом; R 2=1 Ом
  R 1=1240 Ом R 1=100 Ом; R 2=1 Ом R 1=350 Ом R 1=100 Ом; R 2=1 Ом

 








Date: 2015-05-08; view: 1033; Нарушение авторских прав



mydocx.ru - 2015-2026 year. (0.846 sec.) Все материалы представленные на сайте исключительно с целью ознакомления читателями и не преследуют коммерческих целей или нарушение авторских прав - Пожаловаться на публикацию