Главная Случайная страница


Полезное:

Как сделать разговор полезным и приятным Как сделать объемную звезду своими руками Как сделать то, что делать не хочется? Как сделать погремушку Как сделать так чтобы женщины сами знакомились с вами Как сделать идею коммерческой Как сделать хорошую растяжку ног? Как сделать наш разум здоровым? Как сделать, чтобы люди обманывали меньше Вопрос 4. Как сделать так, чтобы вас уважали и ценили? Как сделать лучше себе и другим людям Как сделать свидание интересным?


Категории:

АрхитектураАстрономияБиологияГеографияГеологияИнформатикаИскусствоИсторияКулинарияКультураМаркетингМатематикаМедицинаМенеджментОхрана трудаПравоПроизводствоПсихологияРелигияСоциологияСпортТехникаФизикаФилософияХимияЭкологияЭкономикаЭлектроника






Краткие теоретические сведения. Цель работы: изучить принцип действия и основные характеристики полупроводниковых приборов: диода и стабилитрона





ЛАБОРАТОРНАЯ РАБОТА № 1

ИССЛЕДОВАНИЕ ХАРАКТЕРИСТИК ДИОДА И СТАБИЛИТРОНА

Цель работы: изучить принцип действия и основные характеристики полупроводниковых приборов: диода и стабилитрона.

Краткие теоретические сведения

Полупроводниковый диод представляет собой монокристалл, в котором созданы области различной проводимости: дырочной (p -типа) и электронной (n -типа). Граница между этими областями называется p-n переходом (рисунок 1.1,а). Если к кристаллу приложить напряжение так, чтобы к p -области был приложен отрицательный потенциал, а к n -области – положительный, то носители, притягиваясь к разноименным полюсам, создадут около p-n перехода область, лишенную носителей.

Рисунок 1.1 – Полупроводниковые диоды и их характеристики

Эта область как бы разрывает цепь, и ток в этой цепи отсутствует. Такая полярность напряжения называется запирающей или обратной и соответствует закрытому состоянию диода (рисунок 1.1,б).

Противоположная полярность напряжения перемещает носители навстречу друг другу, и происходит переход (инжекция) носителей в «чужую» область. В результате во внешней цепи появляется ток. Такая полярность напряжения называется прямой или отпирающей и соответствует открытому диоду (рисунок 1.1,в). Типичная вольтамперная характеристика полупроводникового диода изображена на рисунке 1.1,г. Здесь ветвь 0 а соответствует проводящему (прямому) направлению, а ветвь 0 b – непроводящему (обратному). В прямом направлении диод характеризуют допустимым током I пр.доп. и соответствующим ему падением напряжения на диоде U пр.max.

В обратном направлении диод характеризуют допустимым значением напряжения U обр.max, которое может быть приложено к диоду.

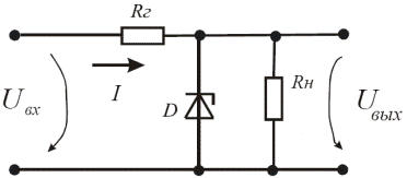
Наличие у диода критического обратного напряжения, при котором наступает электрический (не тепловой) пробой, позволяет использовать полупроводниковый диод в схемах стабилизации напряжения. Одна из возможных схем стабилизации представлена на рисунке 1.2. Выходное напряжение схемы с большой точностью поддерживается на заданном уровне U вых=const, равном критическому (пробивному) напряжению диода. Разница между входным и выходным напряжениями гасится на сопротивлении R Г.

Если входное напряжение возрастает, то увеличивается и обратный ток диода, возрастает ток I и падение напряжения на гасящем сопротивлении R Г. Приращения напряжений U вх и Δ I · R Г взаимно компенсируются, а U вых сохраняется на заданном уровне.

Диод, используемый для стабилизации напряжения, называется стабилитроном. Недостаток данной схемы – зависимость пробивного напряжения стабилитрона, а, следовательно, и выходного напряжения U вых от температуры. Эту зависимость можно существенно уменьшить, включив последовательно со стабилитроном компенсирующий диод в прямом направлении.

Рисунок 1.2








Date: 2015-05-08; view: 849; Нарушение авторских прав



mydocx.ru - 2015-2026 year. (0.693 sec.) Все материалы представленные на сайте исключительно с целью ознакомления читателями и не преследуют коммерческих целей или нарушение авторских прав - Пожаловаться на публикацию