Главная Случайная страница


Полезное:

Как сделать разговор полезным и приятным Как сделать объемную звезду своими руками Как сделать то, что делать не хочется? Как сделать погремушку Как сделать так чтобы женщины сами знакомились с вами Как сделать идею коммерческой Как сделать хорошую растяжку ног? Как сделать наш разум здоровым? Как сделать, чтобы люди обманывали меньше Вопрос 4. Как сделать так, чтобы вас уважали и ценили? Как сделать лучше себе и другим людям Как сделать свидание интересным?


Категории:

АрхитектураАстрономияБиологияГеографияГеологияИнформатикаИскусствоИсторияКулинарияКультураМаркетингМатематикаМедицинаМенеджментОхрана трудаПравоПроизводствоПсихологияРелигияСоциологияСпортТехникаФизикаФилософияХимияЭкологияЭкономикаЭлектроника






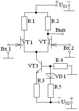
Дифференциальный каскад на ПТ





При очень больших входных сопротивлениях усилителя RВХ>0,5∙106 Ом в дифференциальном каскаде рекомендуется применять полевые транзисторы (рис. 4). Целесообразно применять сдвоенные транзисторы типа КПС202 или им подобные, т.к. парные транзисторы, изготовленные на одной подложке, имеют минимальный разброс параметров.

Коэффициент передачи каскада определяется формулой

, (5)

где S крутизна в рабочей точке ПТ и RСЭ эквивалентное сопротивление нагрузки в цепи стока, состоящее из параллельно включенных R2 и RВХ СС.

Т.к. RВХ СС>> R2 , то RС Э≈ R2.

Крутизну в рабочей точке можно определить по формуле

(6)

 

Рис. 4-ДК на ПТ

 

Принимая, что на резисторе R2 падение напряжения составляет половину напряжения питания, его величину можно определить по формуле

, (7)

где ток стока в рабочей точке определяется как

. (8)

Подставляя (4) в (3), а затем (3) и (2) в (1) можно определить ток стока для получения необходимого коэффициента передачи

(9)

Причем параметры транзистора IС0 и UЗИ0 надо выбирать таким образом, чтобы ток стока IC,был меньше, чем ток IC0, иначе ПТ будет работать при открытом p-n переходе затвор-исток, т.е. с токами затвора, а это приведет к резкому снижению входного сопротивления.

И отсюда можно рассчитать резистор в цепи стока

(10)

или

(10, а)

(11)

Повысить коэффициент усиления ДК можно увеличивая величину сопротивления R2, но при этом снизится напряжение UСИ. Это напряжение должно превышать в два-три раза напряжение сигнала на выходе ДК. Можно использовать комбинированный составной транзистор.







Date: 2015-05-08; view: 860; Нарушение авторских прав



mydocx.ru - 2015-2026 year. (1.125 sec.) Все материалы представленные на сайте исключительно с целью ознакомления читателями и не преследуют коммерческих целей или нарушение авторских прав - Пожаловаться на публикацию