Главная Случайная страница


Полезное:

Как сделать разговор полезным и приятным Как сделать объемную звезду своими руками Как сделать то, что делать не хочется? Как сделать погремушку Как сделать так чтобы женщины сами знакомились с вами Как сделать идею коммерческой Как сделать хорошую растяжку ног? Как сделать наш разум здоровым? Как сделать, чтобы люди обманывали меньше Вопрос 4. Как сделать так, чтобы вас уважали и ценили? Как сделать лучше себе и другим людям Как сделать свидание интересным?


Категории:

АрхитектураАстрономияБиологияГеографияГеологияИнформатикаИскусствоИсторияКулинарияКультураМаркетингМатематикаМедицинаМенеджментОхрана трудаПравоПроизводствоПсихологияРелигияСоциологияСпортТехникаФизикаФилософияХимияЭкологияЭкономикаЭлектроника






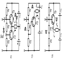
Как подается входной сигнал на транзисторы VT1 и VT2. Как работают эти транзисторы при подаче входного сигнала





Входной сигнал на базы транзисторов подается в противофазе. Каждый транзистор работает полный период
Входной сигнал на базы транзисторов подается поочередно. Каждый транзистор работает полпериода
Входной сигнал на базы транзисторов подается в противофазе. Каждый транзистор работает полпериода Правильно

Баллы: 1

5) Каков порядок величины η (к.п.д.) двухтактного усилителя мощности

η=0,7
η=0,5
η=0,1 Правильно

Баллы:1

6) Представлена схема бестрансформаторного усилителя мощности. Каковы преимущества данных каскадов.

Выполняются по интегральной технологии. Имеют хорошие амплитудные и частотные характеристики. Нельзя использовать глубокие отрицательные обратные связи
Не выполняются по интегральной технологии. Имеют хорошие амплитудные и частотные характеристики. Можно использовать глубокие отрицательные обратные связи
Выполняются по интегральной технологии. Имеют хорошие амплитудные и частотные характеристики. Можно использовать глубокие отрицательные обратные связи Правильно

Баллы: 1

8)

Представленный избирательный усилитель работает в режиме:

Класс С

Класс АВ
Класс А Правильно

Баллы: 1

8) Каков диапазон работы резонансного усилителя?

Свыше десятков килогерц Правильно
Порядка килогерц
Менее единиц килогерц

Баллы: 1

2) Каков порядок величины η (к.п.д.) однотактного усилителя мощности

η=0,7
η=0,5
η=0,1 Правильно

Баллы: 1

9) Как меняется сопротивление контура при отклонении частоты влево или вправо от резонансной:

Уменьшается Правильно
Увеличивается - Не меняется

Баллы: 1

10) Каково сопротивление контура на резонансной частоте?

Мало
Велико Правильно
Одинаково

Баллы: 1







Date: 2015-05-05; view: 1087; Нарушение авторских прав



mydocx.ru - 2015-2026 year. (2.354 sec.) Все материалы представленные на сайте исключительно с целью ознакомления читателями и не преследуют коммерческих целей или нарушение авторских прав - Пожаловаться на публикацию