За счет какого источника происходит усиление сигнала
За счет энергии источника питания Правильно За счет входного сигнала За счет управляемого нелинейного элемента (транзистора)
Баллы: 1
2) Усиление основано на:
Преобразовании электрической энергии источника входного сигнала в энергию выходного сигнала за счет изменения сопротивления нелинейного управляемого элемента Преобразовании электрической энергии источника постоянной ЭДС в энергию выходного сигнала за счет изменения сопротивления нелинейного управляемого элемента по закону, задаваемому входным сигналом Правильно Преобразовании электрической энергии источника ЭДС в энергию выходного сигнала за счет изменения сопротивления нагрузки
Баллы: 1
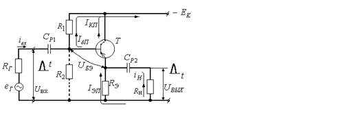
4) Представлена схема усилительного каскада с ОЭ. Элементы термостабилизации режима работы – это:
Сопротивления R 1, R 2 Элементы - сопротивление R э и емкость С э Правильно Сопротивление R г, емкость С р1
Баллы: 1
4) Представлена схема усилительного каскада с ОЭ. Элементы, задающие режим работы усилительного каскада – это:
Сопротивления R 1, R 2 Правильно Элементы - сопротивление R э и емкость С э Сопротивление R г, емкость С р1
Баллы: 1
5) Роль конденсаторов С р1 и С р2 в схеме усилительного каскада с общим эмиттером.
Играют роль отрицательной обратной связи Играют роль разделительных емкостей Правильно Емкости предназначены для задания режима класса А
Баллы: 1
6) Представлена схема усилительного каскада с ОК. Элементы термостабилизации режима работы – это:
Сопротивления R 1, R 2 сопротивление R э Правильно Сопротивление R г, емкость С р1
Баллы: 1
8) Представлена схема усилительного каскада с RC-связью по схеме с общим коллектором. Выберите правильные ответы по параметрам данного каскада. б) R э не играет роль отрицательной обратной связи. в) Коэффициент усиления по току велик. б) R э играет роль отрицательной обратной связи. в) Коэффициент усиления по току мал. б) R э играет роль отрицательной обратной связи. в) Коэффициент усиления по току велик.
а) Усилительный каскад усиливает входное напряжение I. а) Усилительный каскад повторяет входное напряжение а) Усилительный каскад повторяет входное напряжение Правильно
Баллы: 1
9) Представлена амплитудно-частотная характеристика усилителя с RС –связью. Какими факторами вызвано снижение коэффициента усиления в области низких, высоких и средних частот. Выберите правильный ответ.
Спад в области низких частот связан с наличием емкостей С р1, С р2 b; коэффициент усиления в области средних частот не сохраняется постоянным; спад в области высоких частот связан с частотной зависимостью коэффициента усиления по току Спад в области низких частот связан с наличием емкостей С р1, С р2 С э b; коэффициент усиления в области средних частот сохраняется постоянным; спад в области высоких частот связан с частотной зависимостью коэффициента усиления по току Правильно Спад в области низких частот связан с наличием емкостей С р2 С э.; коэффициент усиления в области средних частот сохраняется постоянным; спад в области высоких частот связан с частотной зависимостью коэффициента усиления по току С р1 b,
Баллы: 1
10) На схеме представлены виды обратных связей. Выберите правильные ответы.
а). Последовательная обратная связь по напряжению,б). Последовательная обратная связь по току, в). Параллельная обратная связь по току а). Последовательная обратная связь по напряжению, б). Последовательная обратная связь по току, в). Параллельная обратная связь по напряжению Правильно а). Последовательная обратная связь по напряжению, б). Параллельная обратная связь по току, в). Параллельная обратная связь по напряжению
Баллы: 1
6) Представлена схема усилительного каскада с общим коллектором. Главная цепь усилительного каскада – это: 
Сопротивления R 1, R 2, R э. Транзистор, сопротивление R э и источник питания Е к Правильно Транзистор, сопротивление R э и емкость С э
Баллы: 1
Date: 2015-05-05; view: 1387; Нарушение авторских прав | Понравилась страница? Лайкни для друзей: |
|
|