Главная Случайная страница


Полезное:

Как сделать разговор полезным и приятным Как сделать объемную звезду своими руками Как сделать то, что делать не хочется? Как сделать погремушку Как сделать так чтобы женщины сами знакомились с вами Как сделать идею коммерческой Как сделать хорошую растяжку ног? Как сделать наш разум здоровым? Как сделать, чтобы люди обманывали меньше Вопрос 4. Как сделать так, чтобы вас уважали и ценили? Как сделать лучше себе и другим людям Как сделать свидание интересным?


Категории:

АрхитектураАстрономияБиологияГеографияГеологияИнформатикаИскусствоИсторияКулинарияКультураМаркетингМатематикаМедицинаМенеджментОхрана трудаПравоПроизводствоПсихологияРелигияСоциологияСпортТехникаФизикаФилософияХимияЭкологияЭкономикаЭлектроника






Виды и источники оперативного тока. Схемы подключения к источникам переменного оперативного тока





Зависимость токов от моментов

Т.к МВР =k· IР2 => kВ = (М ВР.ВОЗВ.К / М ВР.СР.К)1/2 = ((М П.К - М ТР)/(М П.К ТР+ М ИЗБЫТ))1/2 = (1-(М ИЗБЫТ +2 М ТР)/(М П.К ТР+ М ИЗБЫТ))1/2. Т.е. коэф. возврата тем меньше, чем больше М ИЗБЫТ и М ТР и тем больше, чем больше М П.

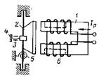
В зависимости от конструкции магнитопровода эл.магнитные реле бывают:

1. с поворотным якорем (см. выше); 2. с втягивающимся якорем (cм. ниже); 3. с поперечным движением якоря – данная конструкция используется для измерительных реле тока и напряжения (kВ = 0,8-0,9). Конструкция реле типа 1 и 2 используется для построения логических реле (реле времени, про-межуточных), kВ = 0,1-0,3 – очень низкий.

Виды и источники оперативного тока. Схемы подключения к источникам переменного оперативного тока.

Оперативным током (ОТ) – называется ток, который используется для пита-ния оперативных цепей управления защиты, автоматики и сигнализации, а также приводов коммутационных аппаратов главных цепей (выключателей, отделителей, короткозамыкателей, разъединителей с дистанционным управ-лением) и осуществляется от специальных источников ОТ.

Совокупность источников питания, КЛ, шинок питания, переключающих устройств и других элементов оперативных цепей составляют систему ОТ данной электроустановки. Питание оперативных цепей и особенно тех ее эл-ементов, от которых зависит отключение поврежденных линий и оборудова-ния, должно отличаться особой надежностью. Поэтому главное требование, которому должен отвечать источник ОТ, состоит в том, чтобы во время КЗ и при ненормальных режимах в сети напряжение источника оперативного то-ка и его мощность имели достаточную величину как для действия вспомога-тельных реле защиты и автоматики, так и для надежного отключения и вкл-ючения соответствующих выключателей. Для питания оперативных цепей применяются источники постоянного и переменного тока.

Постоянный оперативный ток (Пост ОТ) ‑ система питания оперативн-ых цепей, при которой в качестве источника питания используется АБ с нап-ряжением 110-220 В, а на небольших п/с 24-48 В.

Для повышения надежности сеть Пост ОТ секционируется на несколько участков, имеющих самостоятельное питание от сборных шин батареи, каж-дая секция имеет свою защиту (предохранители или автоматы). Шинки каж-дой секции называются по характеру подключаемых потребителей. Самым ответственным участком являются цепи защиты, автоматики и катушек отк-лючения, питаемые от шинок управлния ШУ. Вторым очень важным участ-ком являются цепи катушек включения, питаемые от отдельных шинок ШВ вследствие больших токов (400-500 А), потребляемых катушками включен-ия масляных выключателей. И, наконец, третьим, менее ответственным уча-стком является сигнализация, питающаяся от шинок ШС. Остальные потре-бители постоянного тока (аварийное освещение, двигатели собственных ну-жд) питаются по отдельной сети. Для своевременного выявления неисправн-остей в оперативных цепях состояние отдельных элементов цепи контролир-уется с помощью специальных устройств.

АБ обеспечивают питание оперативных цепей в любой момент времени с необходимым уровнем напряжения и мощности независимо от состояния основной сети и поэтому являются самым надежным источником питания. В то же время АБ значительно дороже других источников оперативного тока, для них требуются зарядные агрегаты, специальное помещение и квалифиц-ированный уход. Кроме того, из-за централизации питания создается сложн-ая, протяженная и дорогостоящая сеть постоянного тока. Поэтому Пост ОТ применяется на крупных эл.объектах (эл. станциях, крупных узловых п/с). В связи с этим за последнее время получает применение и переменный ОТ.

Переменный оперативный ток (Пер ОТ) ‑ система питания оперативных цепей, при которой в качестве основных источников питания используются измерительные ТА и TV, ТСН. В качестве дополнительных источников пи-тания импульсного действия используются предварительно заряженные ко-нденсаторы.

ТА являются надежным источником питания оперативных цепей для защит от КЗ. При КЗ ток и напряжение на зажимах ТА ­, поэтому в момент срабат-ывания защиты мощность ТА ­, что и обеспечивает надежное питание опер-ативных цепей. Однако ТА не обеспечивают необходимой мощности при повреждениях и ненормальных режимах, не сопровождающихся ­I на защи-щаемом присоединении (замыкания на землю в сети с изолированной нейтр-алью, витковые замыканий в трансформаторах и генераторах, повышение или понижение напряжения и понижение частоты).


ТV и ТСН непригодны для питания оперативных цепей защит от КЗ, так как при КЗ напряжение в сети резко ¯ и может при близких КЗ становиться =0.В то же время при повреждениях и ненормальных режимах, не сопровождаю-щихся ¯U в сети, ТV и ТСН могут использоваться для питания таких защит, как, например, защиты от перегрузки, от замыканий на землю, ­U и т. д.

Заряженный конденсатор. Помимо непосредственного использования мо-щности ТА и ТV можно использовать энергию, накопленную в предварител-ьно заряженном конденсаторе. Разрядный ток конденсатора, имеющий необ-ходимые величину и продолжительность, может питать оперативную цепь в момент действия защиты независимо от характера повреждения или ненор-мального режима в сети. Предварительный заряд конденсатора обычно, осу-ществляется в нормальном режиме от U сети. При исчезновении U на п/с за-пасенная конденсатором энергия сохраняется. Поэтому заряженный конден-сатор может использоваться также для питания защит и автоматов, которые должны работать при исчезновении U на п/с.

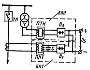
Используют комплексные системы питания в которых участвуют несколько ТА и ТV мощности которых суммируются на стороне выпрямленного U. При использовании выпрямителей ОТ называется переменным выпрямлен-ным. Принципиальная схема комбинированного блока питания рис. 2.

Ток от ТА и U от ТV подводятся к промежуточным трансформаторам ПНТ

и ПТН. Их вторичное напряжение выпрямляется выпрямителями В1 и В2, суммируется и подается на оперативные цепи защиты. Для ограничения ве-личины вторичного тока трансформатор ПНТ выполняется насыщающимся. Чтобы избежать появления опасных пиков напряжений, во вторичной цепи ПНТ установлен конденсатор С, сглаживающий кривую вторичного U.

Схемы: 1) Схема c дешунтированием электромагнитов отключения выклю-чателя, включенных во вторичную цепь ТА защищаемого присоединения:

2) Схемы с питанием от ТV или от ТСН. Схема на рис. 1-15 а применяется только для питания оперативных цепей защит. Для питания цепей управлен-ия и включения обычно используют выпрямленный ток рис.1-15 б.

где 2 – выпрямитель; А, В – подстанции.

3) Схема с питанием от заряженного конденсатора (на рис 1-16).







Date: 2015-06-08; view: 2348; Нарушение авторских прав



mydocx.ru - 2015-2026 year. (3.506 sec.) Все материалы представленные на сайте исключительно с целью ознакомления читателями и не преследуют коммерческих целей или нарушение авторских прав - Пожаловаться на публикацию