Главная Случайная страница


Полезное:

Как сделать разговор полезным и приятным Как сделать объемную звезду своими руками Как сделать то, что делать не хочется? Как сделать погремушку Как сделать так чтобы женщины сами знакомились с вами Как сделать идею коммерческой Как сделать хорошую растяжку ног? Как сделать наш разум здоровым? Как сделать, чтобы люди обманывали меньше Вопрос 4. Как сделать так, чтобы вас уважали и ценили? Как сделать лучше себе и другим людям Как сделать свидание интересным?


Категории:

АрхитектураАстрономияБиологияГеографияГеологияИнформатикаИскусствоИсторияКулинарияКультураМаркетингМатематикаМедицинаМенеджментОхрана трудаПравоПроизводствоПсихологияРелигияСоциологияСпортТехникаФизикаФилософияХимияЭкологияЭкономикаЭлектроника






Основные закономерности фотоэффекта





 

Внешним фотоэлектрическим эффектом (фотоэффектом) называется явление испускания электронов из вещества под действием электромагнитного излучения и, в частности, света. (При внутреннем фотоэффекте при поглощении падающего излучения электроны переходят на более высокие энергетические уровни, оставаясь в пределах вещества).

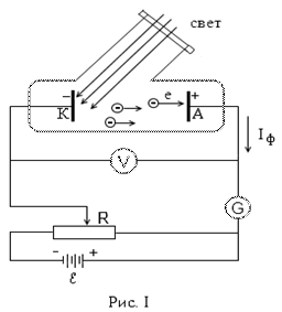
Простейшая схема для наблюдения фотоэффекта представлена на рис.1.

Свет через окошко попадает внутрь вакуумной стеклянной колбы и падает на металлическую пластинку, играющую роль катода (фотокатода).

Вследствие фотоэффекта с катода будут испускаться электроны (фотоэлектроны), которые будут под действием электрического поля, создаваемого между катодом и анодом, двигаться к аноду. Электроны достигают анода, и в цепи появляется электрический ток Iф , который регистрируется гальванометром G. Напряжение U между катодом и анодом регулируется с помощью потенциометра R и измеряется вольтметром V. С помощью этой схемы были сняты вольтамперные характеристики фотоэффекта (ВАХ) – зависимости силы фототока от напряжения между катодом и анодом. Две ВАХ для двух значений освещенности фотокатода и показаны на рисунке 2.

Из кривых мы видим, что при нулевом напряжении фототок не равен нулю. Это значит, что при U =0 некоторая часть вырванных фотоэлектронов долетает до анода. Чтобы уменьшить фототок до нуля необходимо приложить между катодом и анодом задерживающую разность потенциалов (- UЗ). При увеличении освещенности E фотокатода сила фототока будет увеличиваться, вольтамперная характеристика идет выше предыдущей. При некотором напряжении, равном Uнас (напряжение насыщения), сила фототока достигает насыщения - Iнас. Это значит, что при таком напряжении между катодом и анодом все вылетевшие с катода электроны достигнут анода. Из анализа вольтамперных характеристик были установлены следующие экспериментальные закономерности фотоэффекта (законы Столетова).

1. Сила фототока насыщения пропорциональна освещенности фотокатода (или интенсивности падающего света) при частоте света v = const.

= , (2)

где γ-коэффициент пропорциональности.

2. Максимальная начальная скорость фотоэлектронов (или максимальная кинетическая энергия) не зависит от интенсивности падающего света и увеличивается с увеличением частоты света.

3. Для каждого вещества существует минимальная частота ν0 (или максимальная длина волны λ0), при которой ещё происходит вырывание электронов. Если частота света будет меньше ν0,, то фотоэффект прекратится. Эта частота называется “красной границей” фотоэффекта.

Таким образом, для наблюдения фотоэффекта необходимо выполнения условия: ν ν0 λ0).

Наблюдаемые в опыте закономерности фотоэффекта оказалось невозможно объяснить с позиции классических или волновых представлений. Например, независимость скорости вылета фотоэлектронов от интенсивности света, поскольку с увеличением интенсивности падающей световой волны электронам должна бы передаваться бóльшая энергия. Невозможно также объяснить безинерционность фотоэффекта и наличие “красной границы”.

Качественное непротиворечивое объяснение фотоэффекта было дано A.Эйнштейном в 1905 году на основе предложенной им квантовой теории фотоэффекта. В соответствии с этой теорией кванты света (фотоны) ведут себя подобно материальным частицам. Падающее монохроматическое излучение рассматривается как поток световых квантов — фотонов с энергией E =hν. Поглощение веществом света сводится к тому, что один фотон передаёт полностью свою энергию одному электрону вещества. Если эта энергия фотона достаточна, чтобы освободить электрон от удерживающих его внутри вещества связей, то происходит эмиссия электрона. Следовательно, число фотоэлектронов должно быть пропорционально числу поглощённых фотонов (что согласуется с первым законом Столетова). Энергия фотона увеличивается с частотой ν и, следовательно, энергия фотоэлектронов также должна увеличиваться с частотой падающего света, что согласуется также с опытом. Полученная электроном вещества энергия фотона перераспределяется следующим образом. Часть этой энергии, называемой работой выхода А, затрачивается на то, чтобы освободить электрон от удерживающих его внутри металла связей. Если фотон поглощается электроном не у самой поверхности металла, а на некоторой глубине, то часть энергии фотона, равная Епотерь, может быть рассеяна вследствие случайных столкновений электрона в веществе. Остаток энергии образует кинетическую энергию К электрона, покинувшего вещество. Таким образом


 

hν= А + Епотерь + К (3)

 

Для тех электронов, у которых Епотерь = 0, кинетическая энергия будет максимально возможной при А = const для данного металла. Для таких электронов равенство (3) перепишем в виде

(4)

 

Это выражение называется уравнением Эйнштейна для внешнего фотоэффекта. Оно выполняет роль закона сохранения энергии для фотоэффекта.

Из уравнения Эйнштейна следуют рассмотренные выше экспериментальные законы фотоэффекта. Например, из формулы (4) непосредственно вытекает второй закон Столетова

= hν – А (A= const).

Из уравнения (4) следует, что если уменьшать частоту падающего света v, то будет уменьшаться энергия фотона , соответственно, будет уменьшаться кинетическая энергия фотоэлектронов при A = const для данного металла. Тогда при некотором значении частоты света v = кинетическая энергия фотоэлектронов станет равной нулю, и фотоэффект прекратится. Тогда из уравнения (4) следует

h = A+ 0,

= (5)

То есть, существует некоторая граничная частота («красная граница») падающего света, ниже которой свет не вызывает фотоэффект. Этот вывод находится в соответствии с эмпирическим третьим законом фотоэффекта.

Выражение (5) определяет связь красной границы фотоэффекта с работой выхода. Работа выхода электронов из металла в сильной степени зависит от состояния поверхности металла, например, от находящихся на поверхности оксидов и адсорбированных газов. Поэтому долгое время не удавалось проверить с достаточной точностью формулу Эйнштейна.

Еще одной важной характеристикой фотоэффекта является спектральная чувствительность фотокатода, которая показывает зависимость чувствительности катода от длины волны излучения, падающего на фотокатод. Величиной, пропорциональной чувствительности фотокатода, является фототок. Таким образом, на практике для получения спектральной характеристики можно снимать зависимость фототока от длины волны (или от частоты) падающего на фотоэлемент (или фотокатод) монохроматического излучения. При больших длинах волн, то есть при малых энергиях квантов света, энергия, получаемая электроном, оказывается недостаточной для преодоления работы выхода и эмиссии электронов в вакуум. Поэтому для каждого металла существует его пороговая длина волны (наибольшая λ0max) или пороговая частота (наименьшая ν0max), которую мы выше определили как «красную границу» фотоэффекта. При малых длинах волн возрастает показатель поглощения. Поэтому глубина проникновения квантов света в металл уменьшается, и вероятность передачи энергии кванта света свободному электрону металла уменьшается. Таким образом, спектральная характеристика имеет вид кривой с максимумом, со спадом при малых длинах волн (рис.3).

Различные вещества имеют разную работу выхода, поэтому максимум спектральной характеристики фотокатода может находиться в той или иной части электромагнитного спектра.

Таким образом, фотоэлемент, иcпользуемый в лабораторной работе, является селективным фотоприёмником, то есть он “чувствует” излучение в строго определённой области спектра от λ1 до λ2.







Date: 2015-05-04; view: 5238; Нарушение авторских прав



mydocx.ru - 2015-2026 year. (0.837 sec.) Все материалы представленные на сайте исключительно с целью ознакомления читателями и не преследуют коммерческих целей или нарушение авторских прав - Пожаловаться на публикацию