Главная Случайная страница


Полезное:

Как сделать разговор полезным и приятным Как сделать объемную звезду своими руками Как сделать то, что делать не хочется? Как сделать погремушку Как сделать так чтобы женщины сами знакомились с вами Как сделать идею коммерческой Как сделать хорошую растяжку ног? Как сделать наш разум здоровым? Как сделать, чтобы люди обманывали меньше Вопрос 4. Как сделать так, чтобы вас уважали и ценили? Как сделать лучше себе и другим людям Как сделать свидание интересным?


Категории:

АрхитектураАстрономияБиологияГеографияГеологияИнформатикаИскусствоИсторияКулинарияКультураМаркетингМатематикаМедицинаМенеджментОхрана трудаПравоПроизводствоПсихологияРелигияСоциологияСпортТехникаФизикаФилософияХимияЭкологияЭкономикаЭлектроника






Расчет фундаментов на продавливание





Расчет на продавливание производится из условия, чтобы действующие усилия были восприняты бетонным сечением фундамента без установки поперечной арматуры: при монолитном сопряжении колонны с плитной частью – от верха последней (рис.2, а), при монолитном сопряжении подколонника с плитной частью независимо от вида соединения колонны с подколонником (монолитные или стаканные) при расстоянии от верха плитной части до низа колонны Н 1 ≥ (buc – bc) /2 – от верха плитной части (рис.2, б), а при меньшем Н 1 – от низа колонны (рис.2, в). Проверка выполнения этого условия производится в обоих направлениях.

 

 

Рис.2. Схема образования пирамиды продавливания

а – монолитное сопряжение плитной части с колонной; б – то же, с высоким подколонником; в – то же, с низким подколонником; 1 – колонна; 2 – плитная часть; 3 – подколонник

 

 

При расчете фундамента на продавливание определяется минимальная высота плитной части h и назначаются число и размеры ее ступеней или проверяется несущая способность плитной части при заданной ее конфигурации. При расчете на продавливание от верха плитной части принимается, что продавливание фундамента при центральном нагружении происходит по боковым поверхностям пирамиды, стороны которой наклонены под углом 45° к горизонтали (см.рис.2).

Квадратный фундамент рассчитывается на продавливание из условия

F ≤ kRbtbah0, (7)

где F – расчетная продавливающая сила; k – коэффициент, принимаемый равным 1; Rbt – расчетное сопротивление бетона на растяжение; ba – среднее арифметическое значение периметров верхнего и нижнего основания пирамиды продавливания, образующейся в пределах рабочей высоты сечения h0 (расстояния от верха плитной части до середины арматуры).

Величины F и ba определяются по формулам:

ba = 2(lc + bc + 2h0); (8)

F = A0р, (9)

где р – давление на грунт без учета веса фундамента и грунта на его уступах;

А0 = А – Ар; (10)

здесь А – площадь подошвы фундамента; Ар – площадь нижнего основания пирамиды продавливания.

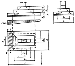
Для центрально нагруженных прямоугольных и внецентренно нагруженных квадратных фундаментов принимают схему, в которой рассматривается усилие прочности одной грани, параллельной меньшей стороне основания фундамента (рис.3). Условие прочности проверяют по формуле (7).

 

Рис.3. Схема образования пирамиды продавливания при внецентренной нагрузке

 

Расчет производится на действие вертикальной силы N, приложенной по обрезу фундамента, и момента на уровне подошвы подошвы М. В этом случае сила и размер сторон пирамиды продавливания будут:

F = A0р; F = A0рmax, (11)

где А0 = 0,5 b (l – lc – 2 h0) – 0,25 (b – bc – 2 h0)2; (12)

bp = bc + h0; (13)

р и рmax – среднее или наибольшее краевое давление на грунт от расчетных нагрузок:

при центральном нагружении

р = N / А; (14)

при внецентренном нагружении

рmax = N/A + M/W, (15)

здесь W – момент сопротивления подошвы фундамента.

 

Рис.4. Схема образования пирамиды продавливания для фундамента с многоступенчатой плитной частью

 

Если

b – bc < 2 h 0, (16)

то

bp = 0,5 (b – bc), (17)

тогда

A0 = 0,5 b (l – lc – 2 h0). (18)

Число и высота ступеней назначаются в зависимости от полной высоты плитной части h и с учетом модульных размеров.

Вначале определяется вынос нижней ступени фундамента с 1 (рис.4) и проверяется условие

F ≤ Rbtbрh01, (19)

где h01 – рабочая высота нижней ступени фундамента.

Сила F и bр вычисляются по формулам:

F = A01рmax, (20)

bp = b1 + h01; (21)

где А01 – площадь многоугольника a 1 b 1 c 1 d 1 e 1 g 1;

А01 = 0,5 b (l – l1 – 2 h01) – 0,25 (b – b1 – 2 h01)2, (22)

если b – b1 < 2 h 01, то

А01 = 0,5 b (l – l1 – 2 h01). (23)

 

Рис.5. К определению высоты ступеней

 

Минимальные размеры ступеней фундамента в плане определяются после установления выноса нижней ступени с 1 пересечениями линии АВ с линиями, ограничивающими высоты ступеней (рис.5). Для двухступенчатых и трехступенчатых фундаментов эти размеры должны быть не менее:

l1 ≥ l – 2c1; (24)

b1 ≥ ml1; (25)

l2 ≥ (l – 2c1 - lc)h3/(h2 + h3) + lc; (26)

b2 ≥ ml2 + lc; (27)

здесь m – отношение меньшей стороны фундамента к большей, принимаемое равным 0,6-0,85.

Окончательные размеры ступеней назначаются с учетом унификации размеров фундамент.

 

Необходимо учитывать, что вынос ступеней, особенно нижней, определяет количество арматуры. В этой связи назначенные по приведенной выше методике размеры ступеней могут быть скорректированы из условия экономичности армирования.


При некоторых характерных соотношениях размеров ступеней проверка несущей способности плитной части производится следующим образом.

Для центрально и внецентренно нагруженных прямоугольных фундаментов с верхней ступенью, одна сторона которой l1 > lc + 2h2, а другая b1 ≤ bc + 2h2 (рис.6), расчет на продавливание производится из условия

F ≤ Rbt(h01 b1p + h2b2p). (28)

Значение F определяется по формуле (11), b1p и b2p – по формулам:

b1p = b1 + h01; (29)

b2p = (b1 + bc)/2. (30)

Площадь многоугольника abcdeg

А0 = 0,5b(l – lc – 2h0) – 0,25(b – b1 – 2h01)2. (31)

Если b – b1 < 2h01, то А0 определяется по формуле (18).

 

 

Рис.6. Схема образования пирамиды продавливания для прямоугольного фундамента

 

 

 

Рис.7. Схема образования пирамиды продавливания для прямоугольных фундаментов, имеющих в двух направлениях разное число ступеней

 

 

Для центрально и внецентренно нагруженных прямоугольных фундаментов, имеющих в двух направлениях разное число ступеней (рис.7), расчет на продавливание осуществляется по формуле

F ≤ Rbt[(h0 – h3)b1p + h3bc]. (32)

Значение F определяется по формуле (11), b1p – по формуле

b1p = bc + (h0 – h3). (33)

Площадь многоугольника abcdeg

А0 = 0,5b(l – lc – 2h0) – 0,25[b – bс – 2(h0 – h3)]2. (34)

Если b – bc < 2(h0 – h3), то А0 определяется по формуле (18).

 

Рис.8. Схема образования пирамиды продавливания для стаканного фундамента

 

Проверка фундамента по прочности на продавливание колонной от дна стакана производится только от действия нормальной силы (рис.8) по формуле

N ≤ kRbt b1p h`g l b/A0, (35)

где N – расчетная нормальная сила в сечении колонны у обреза фундамента (без его веса и веса грунта на обрезах);

bp = bg + h`g; (36)

h`g – рабочая высота пирамиды продавливания от дна стакана до центра растянутой арматуры; А0 – площадь многоугольника abcdeg:

А0 = 0,5b(l – lg – 2h`g) – 0,25(b – bg – 2h`g)2; (37)

lg и bg – размеры дна стакана.

По прочности на раскалывание эти фундаменты проверяются от действия нормальной силы N в сечении колонны у обреза фундамента по формулам:

N ≤ (1 + bc/lc) μ` γc AlRbt; (38)

N ≤ (1 + lc/bc) μ` γc AbRbt; (38)

где μ` - коэффициент трения бетона по бетону, равный 0,7; γc - коэффициент условий работы фундамента в грунте, равный 1,3; Al, Ab - площади вертикальных сечений фундамента в плоскостях, проходящих по осям колонны параллельно сторонам l и b подошвы фундамента, за вычетом площади сечения стакана.

При bc/lc < Ab/Al расчет ведется по формуле (38), при bc/lc > Ab/Al – по формуле (39). При определении N по формуле (38) отношение bc/lc должно приниматься более 0,4, а по формуле (39) отношение bc/lc – не менее 2,5.

После проведения расчетов на продавливание и раскалывание принимается большее значение несущей способности фундамента.

Если стакан фундамента не армирован, дополнительно производится расчет на продавливание внецентренно нагруженных квадратных и прямоугольных в плане фундаментов от верха стакана. При этом в формуле (7) коэф. k принимается равным 0,75.


 







Date: 2015-06-07; view: 3848; Нарушение авторских прав



mydocx.ru - 2015-2026 year. (0.438 sec.) Все материалы представленные на сайте исключительно с целью ознакомления читателями и не преследуют коммерческих целей или нарушение авторских прав - Пожаловаться на публикацию