Главная Случайная страница


Полезное:

Как сделать разговор полезным и приятным Как сделать объемную звезду своими руками Как сделать то, что делать не хочется? Как сделать погремушку Как сделать так чтобы женщины сами знакомились с вами Как сделать идею коммерческой Как сделать хорошую растяжку ног? Как сделать наш разум здоровым? Как сделать, чтобы люди обманывали меньше Вопрос 4. Как сделать так, чтобы вас уважали и ценили? Как сделать лучше себе и другим людям Как сделать свидание интересным?


Категории:

АрхитектураАстрономияБиологияГеографияГеологияИнформатикаИскусствоИсторияКулинарияКультураМаркетингМатематикаМедицинаМенеджментОхрана трудаПравоПроизводствоПсихологияРелигияСоциологияСпортТехникаФизикаФилософияХимияЭкологияЭкономикаЭлектроника






Гидрогеологические расчеты по строительному водопонижению





 

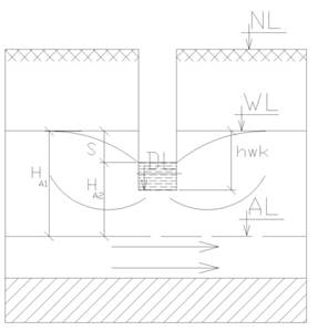
3.1. Тип выемки: котлован – совершенный:

 

траншея – несовершенная:

3.2. Величина водопритока Q3/сут.) для совершенного короткого котлована вычисляемся по формуле:

где k – коэффициент фильтрации грунта водоносного слоя, м/сут.; h 1 – мощность при статическом уровне (до водопонижения), м.; r 0 – приведенный радиус котлована, м, равный ; l, b – длина, ширина котлована (соответственно), м; R k – радиус влияния котлована, м, равный R + r 0, где R – радиус влияния водопонижения, м.

1.h1=1,6 м r0=21,9 м k=50 R(табличное)=110 м Rk=131,9 м Q=224,8 м3/сут

2. h1=1,6 м r0=21,9 м k=50 R(расчетное)=55,42 м Rk=77,32 м Q=320,58 м3/сут

3.3. Величина водопритока Q3/сут.) для несовершенной траншеи вычисляется по формуле:

где L – длина траншеи, м.

1. R(табличное)=110 м k=50 м L=180 м Q=13,1 м3/сут

hwk=0,8 м

2. R(расчетное)=11,31м k=50 м L=180 м hwk=0,8 м Q=127.32 м3/сут

 

3.4. Мощность «активной зоны» для несовершенной выемки: 0,75 м

3.5. Величина водопритока Q: 3,88 м3/сут


 







Date: 2015-06-06; view: 653; Нарушение авторских прав



mydocx.ru - 2015-2026 year. (2.739 sec.) Все материалы представленные на сайте исключительно с целью ознакомления читателями и не преследуют коммерческих целей или нарушение авторских прав - Пожаловаться на публикацию