Главная Случайная страница


Полезное:

Как сделать разговор полезным и приятным Как сделать объемную звезду своими руками Как сделать то, что делать не хочется? Как сделать погремушку Как сделать так чтобы женщины сами знакомились с вами Как сделать идею коммерческой Как сделать хорошую растяжку ног? Как сделать наш разум здоровым? Как сделать, чтобы люди обманывали меньше Вопрос 4. Как сделать так, чтобы вас уважали и ценили? Как сделать лучше себе и другим людям Как сделать свидание интересным?


Категории:

АрхитектураАстрономияБиологияГеографияГеологияИнформатикаИскусствоИсторияКулинарияКультураМаркетингМатематикаМедицинаМенеджментОхрана трудаПравоПроизводствоПсихологияРелигияСоциологияСпортТехникаФизикаФилософияХимияЭкологияЭкономикаЭлектроника






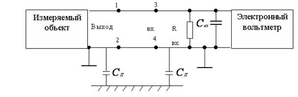
Правила подключения электронного вольтметра к измеряемому объекту





 

Эти правила обусловлены тем, что отдельные типы электронных вольт-метров имеют различные схемные решения входного устройства. В одних вольтметрах входное устройство выполняется симметричным, а в других (по-следнее чаще) несимметричным. При несимметричном входе один из входных зажимов вольтметра соединяется с корпусом прибора и имеет определённую маркировку. Этот зажим имеет значительную (несколько сот пикофарад) пара-зитную ёмкость относительно земли. Выход источников измеряемых напря-жений также часто бывает несимметричным. Поэтому зажимы вольтметра и из-меряемого объекта должны быть подключены по схеме, приведённой на рис. 15.

 

Рис. 15. Схема присоединения вольтметра к измерительному генератору

 

В этом случае потенциалы зажимов 2; 4 уравниваются и паразитные ём-кости закорачиваются.

В случае отсутствия закоротки 2–4 и ошибочного соединения зажимов

1–4 и 2–3 между собой измеряемый объект, например измерительный генератор, будет дополнительно нагружен и его выходное напряжение исказится (нарушается нормальная работа).

-

Если вольтметр имеет два входных зажима, изолированных от корпуса,

с маркировкой +U и , то следует к зажиму подключать от измеряемого объекта провод с более низким потенциалом, чем к зажиму +U. Таким вольтметром (с симметричным входным устройством) можно измерять напряжение между точками, не соединёнными с заземлённым корпусом, в котором размещён измеряемый объект.

 







Date: 2015-09-24; view: 801; Нарушение авторских прав



mydocx.ru - 2015-2026 year. (0.841 sec.) Все материалы представленные на сайте исключительно с целью ознакомления читателями и не преследуют коммерческих целей или нарушение авторских прав - Пожаловаться на публикацию