Главная Случайная страница


Полезное:

Как сделать разговор полезным и приятным Как сделать объемную звезду своими руками Как сделать то, что делать не хочется? Как сделать погремушку Как сделать так чтобы женщины сами знакомились с вами Как сделать идею коммерческой Как сделать хорошую растяжку ног? Как сделать наш разум здоровым? Как сделать, чтобы люди обманывали меньше Вопрос 4. Как сделать так, чтобы вас уважали и ценили? Как сделать лучше себе и другим людям Как сделать свидание интересным?


Категории:

АрхитектураАстрономияБиологияГеографияГеологияИнформатикаИскусствоИсторияКулинарияКультураМаркетингМатематикаМедицинаМенеджментОхрана трудаПравоПроизводствоПсихологияРелигияСоциологияСпортТехникаФизикаФилософияХимияЭкологияЭкономикаЭлектроника






Mультиплексоры и демультиплекслры





 

Mультипле́ксор — устройство, имеющее несколько сигнальных входов, один или более управляющих входов и один выход. Мультиплексор позволяет передавать сигнал содного из входов на выход; при этом выбор желаемого входа осуществляется подачей соответствующей комбинации управляющих сигналов.

Аналоговые и цифровые мультиплексоры значительно различаются по принципу работы. Первые электрически соединяют выбранный вход с выходом (при этом сопротивление между ними невелико — порядка единиц/десятков ом). Вторые же не образуют прямого электрического соединения между выбранным входом и выходом, а лишь «копируют» на выход логический уровень ('0' или '1') с выбранного входа. Аналоговые мультиплексоры иногда называют ключами или коммутаторами.

Устройство, противоположное мультиплексору по своей функции, называется демультиплексором. В случае применения аналоговых мультиплексоров (с применением ключей на полевых транзисторах) не существует различия между мультиплексором и демультиплексором; такие устройства могут называться коммутаторами.

Структурные схемы:

Рисунок -Структурные схемы мультиплексора

 

 

Рисунок -Временные деограммы:

При построении сложных устройств широко применяются не только отдельные логические элементы, реализующие элементарные булевы функции, но и их комбинации в виде типовых структур, выполняемых как единое целое в виде интегральных микросхем. На входе таких структур могут подаваться информационные логические сигналы и сигналы управления. Последние могут определять, например, порядок передачи информационных входных сигналов на выход или играть роль сигналов синхронизации. Во многих случаях, особенно при использовании в устройствах выходных цепей с тремя состояниями, в качестве сигналов синхронизации выступают сигналы " Выбор микросхемы" (CS). Наличие активного значения такого сигнала управления (в одних микросхемах это логический нуль, в других — логическая единица) разрешает устройству выполнение заданных функций, отсутствие его переводит схему в " невыбранное" состояние, при котором она обрабатывает информацию, а её выходы отключены от нагрузки. Внутренняя структура КЦУ часто приводится в справочниках. Для разработчика важно знать таблицу истинности, принцип преобразования входных сигналов в выходные.

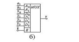
Мультиплексором называются комбинационные устройство, обеспечивающее передачу в желаемом порядке цифровой информации, поступающей по нескольким входам на один выход. Мультиплексоры обозначают через MUX (от англ. multiplexor), а также через MS (от англ. Multiplexorselector). Схематически мультиплексор можно изобразить в виде коммутатора, обеспечивающего подключение одного из нескольких входов (их называют информационными) к одному выходу устройства. Кроме информационных входов в мультиплексоре имеются адресные входы и, как правило, разрешающие (стробирующие). Сигналы на адресных входах определяют, какой конкретно информационный канал подключен к выходу. Если между числом информационных входов n и число адресных входов m действуют соотношение n =2m, то такой мультиплексор называют полным. Если n<2m, то мультиплексор называют неполным.

Рассмотрим функционирование двухвходового мультиплексора (2 → 1), который условно изображён в виде коммутатора, а состояние его входов Х1, Х2 и выхода Y приведено в таблице:







Date: 2015-09-22; view: 495; Нарушение авторских прав



mydocx.ru - 2015-2026 year. (1.372 sec.) Все материалы представленные на сайте исключительно с целью ознакомления читателями и не преследуют коммерческих целей или нарушение авторских прав - Пожаловаться на публикацию