Главная Случайная страница


Полезное:

Как сделать разговор полезным и приятным Как сделать объемную звезду своими руками Как сделать то, что делать не хочется? Как сделать погремушку Как сделать так чтобы женщины сами знакомились с вами Как сделать идею коммерческой Как сделать хорошую растяжку ног? Как сделать наш разум здоровым? Как сделать, чтобы люди обманывали меньше Вопрос 4. Как сделать так, чтобы вас уважали и ценили? Как сделать лучше себе и другим людям Как сделать свидание интересным?


Категории:

АрхитектураАстрономияБиологияГеографияГеологияИнформатикаИскусствоИсторияКулинарияКультураМаркетингМатематикаМедицинаМенеджментОхрана трудаПравоПроизводствоПсихологияРелигияСоциологияСпортТехникаФизикаФилософияХимияЭкологияЭкономикаЭлектроника






Расчет ограждающих конструкций





ПОЯСНИТЕЛЬНАЯ ЗАПИСКА

 

к курсовому проекту по дисциплине «Конструкции из дерева и пластмасс»

на тему: «Проектирование одноэтажного каркасного здания из деревянных конструкций»

 

Автор проекта ___________ Реутов А.И.

Специальность: Строительство

Обозначение: КП-2069059-270800-110540-2015 группа СТР-42

Руководитель проекта ____________Карпов В.Н.

(подпись)

 

 

Пенза 2015

 

 

Содержание

 

 

Введение………………………………………………………………..3

1 Расчет ограждающих конструкций……………………………….…4

1.2 Панель покрытия…………………………………….……….4

2 Проектирование рамы из прямолинейных клееных элементов……8

2.1 Выбор конструктивной схемы рамы………………………...8

2.2 Статический расчет рамы…………………………………….8

2.3 Конструктивный расчет рамы………………………………18

2.4 Расчет узлов рамы…………………………………………...

Список использованных источников…………………………………21

 

 

Введение

В данном курсовом проекте требуется разработать проект одноэтажного каркасного здания из деревянных конструкций.

 

Проектируемое здание имеет следующие габариты:

 

- ширина здания в осях - 12,0 м;

- длина здания - 54,0 м;

- шаг поперечных рам - 6,0 м;

- полезная высота - 8,0 м;

 

Используемые материалы в конструкции:

 

- тип покрытия: утепленное;

- тип кровли: рулонная;

- материалы конструктивные: древесина – лиственница, первый сорт; фанера марки ФСФ, сорт В/ВВ

 

Конструкция поперечной рамы – трехшарнирная рама- клеедощатая.

 

Ограждающая конструкция покрытая – плита ребристая с обшивками из фанеры.

 

Строительство производится во II снеговом и I ветровом районах.

 

Расчет ограждающих конструкций

Определение ширины плиты покрытия

Задается уклоном ригеля рамы 1:3. Учитывая требования, что минимальный горизонтальный размер от грани стойки рамы до наружного свеса ригеля равен 500мм и используя правило геометрии, определяем габариты рамы, а также количество и ширину панелей.

 

Рис.1. Определение ширины панели

 

Определяем ширину и количество панелей зная что, ширина плит изменяется в пределах , с шагом 100мм и определив расстояние от конька до грани стойки рамы l1=6320мм учитывая величину свеса равной 500мм, принимаем 5 панелей шириной 1400мм и длиной 5980мм.

Приближения:

(6320+500)/1000= 6,82

(6320+500)/1100= 6,2

(6320+500)/1200= 5,68.

(6320+500)/1300= 5,24

(6320+500)/1400= 4,89

(6320+500)/1500= 4,54


1.1 Панель покрытия

Исходные данные.

Размер панели в плане .

Верхняя обшивка =8 мм, нижняя обшивка =8 мм из водостойкой фанеры марки ФСФ по ГОСТ 3916-69*; ребра из досок первого сорта, лиственница. Утеплитель – минеральная вата.

Место строительства: 2 – снеговой район.

Компоновка рабочего сечения панели. Ширину панели делают равной ширине листа фанеры с учетом обрезки кромок для их выравнивания .Толщину фанеры принимаем равной 8 и 8 мм. Направление волокон наружных шпонов фанеры должна быть продольным для обеспечения стыковых листов фанеры “на ус” и для лучшего использования прочности фанеры.

Для дощатого каркаса, связывающего верхние и нижние обшивки в монолитную склеенную коробчатую панель применены черновые заготовки по рекомендующему сортаменту пиломатериалов (применительно к ГОСТ 24454-80*Е). Расчетный пролет панели .

Ориентировочная высота панели:

Высота панели:

Высота ребра панели:

По сортаменту принимаем

Ширина ребра:

По сортаменту принимаем

Окончательно принимаем

Высота панели равна:

Принимаем 4 продольных ребра.

Шаг ребер равен:

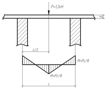
Количество рёбер в коробчатом сечении панели и толщина верхней сжатой обшивки определяются, главным образом, из условия работы обшивки на местный изгиб под монтажной нагрузкой: P=1,2*1=1,2 кH. В этом случае верхняя обшивка рассматривается как балка, защемлённая в местах приклеивания её к рёбрам. Сосредоточенный груз P=1,2 кH можно считать распределенным на ширину, равную 1м. Тогда из расчётной схемы (рис.2) имеем:

Отсюда имеем

где - расчетное сопротивление материала верхней обшивки изгибу поперек волокон;

Исходя из предельного шага , по ширине панели можно поставить 4 ребра. Тогда принимаем шаг ребер с=445 мм и с=446 мм < =553мм.

Рис.2. Расчётная схема обшивки

Расстояние между ребрами:

 

 

Рис.1 Утеплённая клеефанерная панель покрытия

 

Таблица 1.

 


Подсчет нагрузки на 1 м2 панели.

Нагрузка Нормативная кН/м2 Коэф-т надежности по нагрузке Расчетная кН/м2
1. Кровля рулонная 0,12 1,3 0,156
2. Фанера марки ФСФ толщиной 8 мм 0,112 1,1 0,123
3. Каркас из ели: продольные ребра: поперечные ребра:     0,109     0,031   1,1     1,1   0,119     0,034
4. Утеплитель- минераловатные плиты   0,0085 1,1 0,0094
5.Пароизоляция 0.02 1,1 0,022
Постоянная 0,400 - 0,463
Временная (снеговая) 0,84 - 1,2
Полная 1,248 - 1,663

 

Полная нагрузка на 1м панели:

 

- нормативная

- расчётная

 

Снеговая нормативная нагрузка определяется:

Расчетные характеристики материалов.







Date: 2015-09-27; view: 522; Нарушение авторских прав



mydocx.ru - 2015-2026 year. (1.362 sec.) Все материалы представленные на сайте исключительно с целью ознакомления читателями и не преследуют коммерческих целей или нарушение авторских прав - Пожаловаться на публикацию