Главная Случайная страница


Полезное:

Как сделать разговор полезным и приятным Как сделать объемную звезду своими руками Как сделать то, что делать не хочется? Как сделать погремушку Как сделать так чтобы женщины сами знакомились с вами Как сделать идею коммерческой Как сделать хорошую растяжку ног? Как сделать наш разум здоровым? Как сделать, чтобы люди обманывали меньше Вопрос 4. Как сделать так, чтобы вас уважали и ценили? Как сделать лучше себе и другим людям Как сделать свидание интересным?


Категории:

АрхитектураАстрономияБиологияГеографияГеологияИнформатикаИскусствоИсторияКулинарияКультураМаркетингМатематикаМедицинаМенеджментОхрана трудаПравоПроизводствоПсихологияРелигияСоциологияСпортТехникаФизикаФилософияХимияЭкологияЭкономикаЭлектроника






Завдання до РГР

РОЗРАХУНКОВО – ГРАФІЧНА РОБОТА

з дисципліни «Моделювання в електроніці»

На тему

«Моделювання і дослідження електронних пристроїв»

 

Виконала студентка групи ФЕ-01 А. Г. Малашенко

Перевірив викладач І. Є. Бражник

 

Суми 2013

Завдання до РГР

Виконати розрахунок та аналіз електронної схеми в часовій і частотній областях за допомогою математичного та комп′ютерного моделювання.

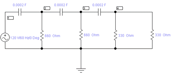
Рисунок 1 – Вихідна схема

1. Аналіз схеми в частотній і часовій областях.

1.1. Розрахунок операторної та комплексної передавальної функції.

1)

2)

- частотна характеристика, яка може бути подана у вигляді дійсної P(w) і уявної Q(w) частин, модулем і аргументом:

, де

- амплітудно – частотна характеристика (АЧХ);

- фазочастотна характеристика (ФЧХ).

АЧХ визначається за формулою:

ФЧХ визначається за формулою:

1.2. Розрахунок частотних характеристик з використанням математичного комплексу Maple:

 

Рисунок 2 – Розрахунок частотних характеристик

 

 

1.3. Побудова графіків АЧХ і ФЧХ в ElectronicsWorkbench використовуючи функцію Аналіз

 

Рисунок 3 –АЧХ і ФЧХ в ElectronicsWorkbench

1.4. Побудова вхідних і вихідних осцилограм при гармонічній вхідній дії різної частоти за допомогою віртуальних пристроїв в ElectronicsWorkbench:

 

Рисунок 4 – осцилограма при подачі на вхід схеми періодичних сигналів частоти f=0,0001 Гц.

Рисунок 5 – осцилограма при подачі на вхід схеми періодичних сигналів частоти f=0, 1 Гц.

2. Аналіз схеми у часовій області

2.1. Визначення математичної моделі пристрою:

Перейдемо від передавальної функції до рівняння в символічній формі:

Здійснивши заміну p=d/dt, отримаємо диференційне рівняння 2-го порядку:

2.2. Обрати метод розвۥ язання математичної моделі:

Оберемо метод змінних станів – це впорядкований спосіб визначення стану ланцюга на основі формування і розвۥязання системи диференціальних рівнянь першого порядку, записаних у нормальній формі (формі Коші).

Моделі у просторі станів створюється модель пристрою, що містить набір змінних входу, виходу і стану, звۥязаних між собою диференціальними рівняннями першого порядку, які записуються в матричній формі:

- Рівняння стану системи

- Рівняння виходу системи де х – вектор змінних станів;

у – вектор виходу; U – вектор вхідних дій; A, B, C, D – матриці параметрів.

Щоб отримати структурну схему, відповідну векторно – математичному опису пристрою, проінтегруємо рівняння стану і визначимо x(t):

За цими виразами будується структурна схема, дотримуючись такого правила: вхідні і вихідні змінні розміщуються на одній горизонтальній лінії.

Для розв´язання системи диференціальних рівнянь першого порядку можна застосувати чисельний метод розв´язання диференціальніх рівнянь, який полягає у визначенні миттєвих значень шуканого параметра ланцюга для дискретних моментів часу.

Здійснивши заміну p=d/dt, отримали диференційне рівняння 2-го порядку (див пункт 2):

Вводимо нові змінні, вибираючи як змінні стану вихідну величину і її похідну:

 

Рисунок 6 – Структурна схема алгоритму

Рисунок 7 – Структурна схема, яка відповідає рівнянням стану

Складемо систему диференційних рівнянь першого порядка за структурною схемою:

Запишемо у матричній формі:

; ; ; .

2.3. Побудова графіків перехідної функції з використанням математичного комплексу Maple.

Рисунок 8 – графік вихідної напруги при R=330, а C=0.0002

 

Змінемо значення параметрів R і C схеми на інші.

Рисунок 9 – графік вихідної напруги при R=500, а C=0.001

 

Висновки:

1) На даній РГР я закріпила знання здобуті під час вивчення спеціальних розділів математики, програмування та теорії електричних кіл.

2) За допомогою цієї РГР я вивчила принципи та методи моделювання електронних кіл із застосуванням математичного апарату;

3) Закріпила фундаментальні знання в області моделювання електронних кіл із використанням пакетів прикладних програм.

 

 



<== предыдущая | следующая ==>
Синдроми із переважним порушенням мислення | Введение. Прогресс в автомобильной промышленности, дальнейшее увеличение грузооборота автотранспорта предусматривает не только количественный рост автопарка





Date: 2015-09-05; view: 274; Нарушение авторских прав



mydocx.ru - 2015-2026 year. (0.936 sec.) Все материалы представленные на сайте исключительно с целью ознакомления читателями и не преследуют коммерческих целей или нарушение авторских прав - Пожаловаться на публикацию