Главная Случайная страница


Полезное:

Как сделать разговор полезным и приятным Как сделать объемную звезду своими руками Как сделать то, что делать не хочется? Как сделать погремушку Как сделать так чтобы женщины сами знакомились с вами Как сделать идею коммерческой Как сделать хорошую растяжку ног? Как сделать наш разум здоровым? Как сделать, чтобы люди обманывали меньше Вопрос 4. Как сделать так, чтобы вас уважали и ценили? Как сделать лучше себе и другим людям Как сделать свидание интересным?


Категории:

АрхитектураАстрономияБиологияГеографияГеологияИнформатикаИскусствоИсторияКулинарияКультураМаркетингМатематикаМедицинаМенеджментОхрана трудаПравоПроизводствоПсихологияРелигияСоциологияСпортТехникаФизикаФилософияХимияЭкологияЭкономикаЭлектроника






Реакция якоря при емкостной нагрузке





Реакция якоря при индуктивной нагрузке

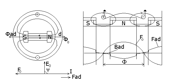
Теперь рассмотрим случай, когда нагрузка генератора чисто реактивная, т.е. ток якоря отстает от ЭДС на 90. Если нагрузка индуктивная и ток отстает от ЭДС на 90, то взаимное расположение полюсов и активных сторон фазы, в которых будет максимальный ток будет тогда, когда ротор уйдет на половину полюсного деления (на 90 эл. градусов). Магнитные линии потока якоря будут замыкаться иначе, чем в первом случае. Поток якоря, при этом, будет проходить по тому же пути, что и поток обмотки возбуждения, но направлен встречно. Поэтому если нагрузка чисто индуктивная, то реакция якоря будет продольно размагничивающая. На рис 5 представлена картина пространственного расположения потоков, в развернутом виде представлены н.с. F0 и Faq и векторная диаграмма при чисто индуктивном характере нагрузки. Кривая распределения индукции якоря для явнополюсной машины также будет иметь провалы.

Рис 5.

Здесь также действительную кривую распределения индукции заменяют эквивалентной синусоидой.

F1ad=Fad*Kd, где Kd – коэфициент продольной реакции якоря. Kd=0.8-0.95 таким образом, при индуктивной нагрузке реакция якоря будет продольной и будет действовать размагничивающим образом.

 

 

Реакция якоря при емкостной нагрузке

 
 
 


При емкостной нагрузке ток якоря опережает ЭДС на 90 эл. градусов. Поэтому максимум тока в фазе наступает тогда, когда северный полюс не дойдет до фазы статора на 90. При этом поток якоря и поток обмотки возбуждения будут направлены в одну сторону (см. рис. 6) и реакция якоря будет продольно намагничивающая.

Рис. 6.

 







Date: 2015-09-05; view: 866; Нарушение авторских прав



mydocx.ru - 2015-2026 year. (1.695 sec.) Все материалы представленные на сайте исключительно с целью ознакомления читателями и не преследуют коммерческих целей или нарушение авторских прав - Пожаловаться на публикацию