Главная Случайная страница


Полезное:

Как сделать разговор полезным и приятным Как сделать объемную звезду своими руками Как сделать то, что делать не хочется? Как сделать погремушку Как сделать так чтобы женщины сами знакомились с вами Как сделать идею коммерческой Как сделать хорошую растяжку ног? Как сделать наш разум здоровым? Как сделать, чтобы люди обманывали меньше Вопрос 4. Как сделать так, чтобы вас уважали и ценили? Как сделать лучше себе и другим людям Как сделать свидание интересным?


Категории:

АрхитектураАстрономияБиологияГеографияГеологияИнформатикаИскусствоИсторияКулинарияКультураМаркетингМатематикаМедицинаМенеджментОхрана трудаПравоПроизводствоПсихологияРелигияСоциологияСпортТехникаФизикаФилософияХимияЭкологияЭкономикаЭлектроника






V.2. Устройство роторов, виды применяемой оснастки





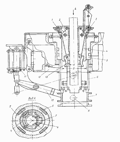
Все роторы имеют типовую схему конструкции и представляют собой конический редуктор с ведомым валом, выполненным в виде полого вертикального цилиндра. Составные части ротора: станина, вращающийся стол, быстроходный вал, коническая зубчатая пара, основная и вспомогательная опоры (см. рис.4). Станина – литая из конструкционных нелегированных сталей, имеет расточки для размещения быстроходного вала и стола ротора. Толщина стенки станины 15-30 мм.

Стол – стальная полая отливка с наружным диском, предназначенным для прикрытия вертикальной расточки станины. Верхняя часть стола имеет квадратное углубление для размещения разъемного вкладыша. Вкладыш применяется для установки в него квадратных или роликовых зажимов ведущей трубы, вставляемых при бурении, или клиньев для удержания

бурильных труб при спускоподъемных операциях. На стол ротора

напрессовывается коническое колесо, которое садится в вертикальной расточке станины на основную и вспомогательную опоры. В качестве опор преимущественно используются упорно-радиальные шарикоподшипники. Основная опора предназначена для восприятия нагрузок от веса стола и колонны труб, удерживаемой клиньями при СПО. Вспомогательная опора воспринимает усилие от предварительного осевого натяга подшипника и случайных нагрузок от ударов и трения при подъеме труб, долота и т.д.

Подшипники вы бираются по диаметру проходного отверстия стола ротора. Основная опора имеет шарики подшипника диаметром 63,5 -101,6 мм, вспомогательная - диаметром 38,1-47,8 мм. Варианты относительного расположения основной и вспомогательной опор выбираются, исходя из необходимости обеспечения лучших условий их смазки, которые могут изменяться в зависимости от размеров ротора.

 

Рис.4. Буровой ротор УР-700.

Обозначения: 1- втулка стола; 2 - болты; 3 – диск стола; 4- подшипник вспомогательной опоры;; 5 – трубки для смазки; 6 и 8 – переходные гильзы; 7 –указатель уровня масла; 9 – быстроходный вал; 10 – основная опора; 11 – рукоятка; 12 – валик с шестеренкой; 13 – стопор; 14 – колесо; 15 – эксцентриковая втулка; 16 – плунжерный насос.

Быстроходный вал с конической шестерней собирается с опорами в зависимости от размеров ротора либо в стакане, либо в двух переходных втулках, и в собранном виде вставляется в горизонтальную расточку станины ротора. Передача вращения на вал осуществляется либо через цепную звездочку (либо через карданную муфту), устанавливаемую консольно на валу. В конструкции ротора предусмотрено стопорное устройство для фиксации стола при бурении забойными двигателями. Коническая зубчатая пара и подшипники стола смазываются маслом разбрызгиванием шестерней при вращении, либо путем его принудительной циркуляции.

При использовании ротора применяются следующие виды оснастки:

1)Разъемный вкладыш (втулка) для установки квадратных либо роликовых зажимов для ведущей трубы во время бурения и клиньев пневматического клинового захвата ПКР для удерживания колонны бурильных труб при спускоподъемных операциях.

2)Роликовый зажим (рис.5), состоящий из четырех роликов 1, корпуса 2, откидной скобы 3, крышек 4 и шарнира 5. Ролики устанавливаются в роликоподшипниках на осях. Цапфы осей вставляются в квадратные пазы вертикальных ребер корпуса и нижней части скобы. При спускоподъемных операциях зажимы вытаскиваются из ротора.

Рис.5..Роликовый зажим:

1-ролик; 2- корпус; 3- скоба откидная; 4- крышка; 5- шарнир.

 

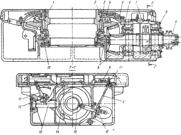
.3) Пневматический клиновой захват ПКР (рис.6), состоящий из втулки 5, двух конических вкладышей 4, клиньев 2 с плашками 9, пневматического привода клинового захвата и рычажно-механической системы перемещения клиньев. Элементы привода и системы перемещения клиньев показаны в обозначениях на рис. В зависимости от типа и размеров ротора ход пневматического цилиндра составляет 260 и 290мм, а ход клиньев422 и 544мм

4) Оснастка для спуска обсадных колонн – подкладные кольца и втулки.

Несмотря на единую типовую схему конструкции роторов различных типоразмеров могут иметь некоторые отличия:

1) Роторы могут различаться по кинематическим схемам исполнения: иметь верхнее или нижнее расположение конического колеса по отношению к шестерне; в малоразмерных конструкциях включать дополнительно

цилиндрическую передачу. При этом основная и вспомогательная опоры могут иметь либо верхнее, либо нижнее расположение.

2) У малоразмерных роторов стол может быть отлит заодно с диском. У крупных роторов (начиная с УР-700) он выполнен сборным: цилиндр и диск стола отливаются раздельно и собираются на болтах.

Рис.6.Пневматический клиновой захват:

1-траверса; 2- клинья; 3- рычаг; 4 – конический вкладыш; 5 – втулка; 6 – стойка подвижная; 7 – рама кольцевая; 8 – ролики; 9 – плашки; 10 – рычаг; 12 – кронштейн станины ротора; 13 - втулка

 

3) Фиксация стола ротора при использовании забойных двигателей в зависимости от типоразмера ротора осуществляется двумя способами: у малоразмерных конструкций – с помощью пальца, вводимого в радиальные пазы в диске стола, в роторах крупноразмерных- с помощью стопорного колеса, устанавливаемого на быстроходном валу и имеющего пазы для зацепления со стопором. Стопор может перемещаться в направляющих втулках станины и фиксироваться с помощью рукоятки и валика с шестеренкой, вводимой в зацепление с зубьями стопора.

Привод ротора может быть групповым или индивидуальным. Величина крутящего момента, передаваемого ротором, контролируется датчиками







Date: 2015-09-05; view: 1310; Нарушение авторских прав



mydocx.ru - 2015-2026 year. (0.984 sec.) Все материалы представленные на сайте исключительно с целью ознакомления читателями и не преследуют коммерческих целей или нарушение авторских прав - Пожаловаться на публикацию