Главная Случайная страница


Полезное:

Как сделать разговор полезным и приятным Как сделать объемную звезду своими руками Как сделать то, что делать не хочется? Как сделать погремушку Как сделать так чтобы женщины сами знакомились с вами Как сделать идею коммерческой Как сделать хорошую растяжку ног? Как сделать наш разум здоровым? Как сделать, чтобы люди обманывали меньше Вопрос 4. Как сделать так, чтобы вас уважали и ценили? Как сделать лучше себе и другим людям Как сделать свидание интересным?


Категории:

АрхитектураАстрономияБиологияГеографияГеологияИнформатикаИскусствоИсторияКулинарияКультураМаркетингМатематикаМедицинаМенеджментОхрана трудаПравоПроизводствоПсихологияРелигияСоциологияСпортТехникаФизикаФилософияХимияЭкологияЭкономикаЭлектроника






Структура каналу звукового мовлення. Опис трактів





Звукове мовлення - передача звукової інформації загального призначення широкому колу територіально розосереджених слухачів.

Сукупність програм, що використовуються послідовно в часі і розподілених по призначенням для цього каналу називається програмою мовлення

 


Рис. 1.1. Структурна схема звукового мовлення.

Формування і доведення програм до слухачів здійснюється за допомогою комплексу технічних засобів, які утворюють електричний канал звукового мовлення(ЕКЗМ). По ЕКЗМ сигнали звукового мовлення передаються з виходу мікрофона до антени передавача чи абонентської розетки тракту провідного мовлення. Електричний канал звукового мовлення складається з тракту формування програм(ТФП), тракту первинного розподілу програм(ТПРП) та тракту вторинного розподілу програм(ТВРП).

 

 

 

Рис. 1.2. Структурна схема системи звукового мовлення.

АСК- апаратно студійний комплекс.

АЗ - апаратна звукозапису.

РД- радіодом.

ЦКРА- центрально-комутаційна розподільча апаратна.

ЦА – центральна апаратна.

АМ(ВА) – апаратна мовлення.

ОТК(ВТК) – відділ технічного контролю.

ЗС – земна станція.

ТА – трансляційна апаратна.

МРТВ(МКЗВ) – міський радіотрансляційний вузол.

АП(АУ) – абонентський пристрій.

ШСЗ(НСЗ) - штучний супутник землі.

Тракт формування програм(ТФП)

Головною частиною електричного каналу звукового мовлення є тракт формування програм, який починається на виході мікрофона і закінчується на виході центральної апаратної радіо дому.

Організаційною формую ТФП служить радіодом і телевізійні центри, в кожному з яких є дві структури.

Перша структура – творча; друга структура – технічна. Вони тісно пов’язані між собою.

В першу входять: редакції і інші творчі об’єднання, які спеціалізовані по видам мовлення. Дикторська група, група звукорежисерів, відділ випуску та інші.

Другу групу називають апаратно студійним комплексом, і до складу входять студійні комплекси і деякі допоміжні служби.

В залежності від середньодобового об’єму мовлення і числа редакцій і творчих об’єднань, а також технічного оснащення радіо дома і телецентри розділяються на декілька класів.

Перший клас: об’єм мовлення в годинах.

Радіодом: 4,5-5 годин.

Місцеві телецентри 16 годин.

Другий клас: радіодом 3 години.

Місцеві телецентри 3 години.

Власне – 3 години.

Структура Апаратно-студійного комплексу(АСК)

 

 


Рис. 1.4 – структурна схема АСК

СА – студійна апаратна.

АМ – апаратна мовлення.

АЗ- апаратна звукозапису.

МА- монтажна апаратна.

ВТК – відділ технічного контролю.

ТА- трансляційна апаратна.

АТС- автономна телефонна станція.

АЛ –абонентська лінія.

МТС – міжміська телефонна станція.

АСК – сукупність взаємнопов’язаних функціональних блоків, розміщених в одному чи декількох будинках, які мають технічні засоби з допомогою яких ведеться технологічний процес формування і випуска програм звукового і телевізійного мовлення.

АСК включає в себе апаратно-студійні блоки, в яких створюється окремі частини програм і АМ в яких остаточно формується програма, звідки сигнали подаються на вихід радіодому.

АСБ складається з студії і студійної апаратної. Іноді при студії обладнують дві апаратні звукового мовлення.

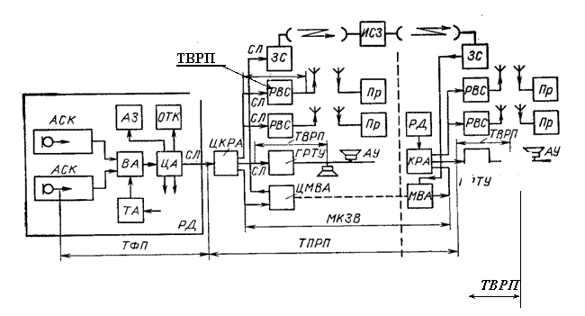
Тракт первинного розподілу програм(ТПРП)

ТПРП звукового мовлення – це частина електричного каналу звукового мовлення, який починається на виході центральної апаратної радіодому або телецентру, і слугує для подачі сигналів на радіомовні передавальні центри і станції проводового мовлення.

ТПРП
ТФП
ТПРП включає в себе з’єднувальні лінії, міжміські канали звукового мовлення і комутаційно розподільчі апаратні.

 

 


Рис. 1. 5. – Структурна схема ТПРП.

РД – радіодом.

ТФП – тракт формування програм.

КРА – комутаційно розподільча апаратна.

ЦМВА – міжміська апаратна мовлення.

МВА – міжміська апаратна мовлення.

КРА – комутаційно розподільча апаратна.

Структура мережі первинного розподілу сигналів будується по радіально узловому методу.Тобто з ЦРД сигнали подаються в регіони, межі яких співпадають з адміністративно-територіальним поділом.

В залежності від протяжності існують магістральні і місцеві. Канали і тракти звукового мовлення мають певні можливості по передачі звукових сигналів і класифікуються таким чином:

- Вищий – П= 30Гц-15кГц забезпечує передачу стереофонічних програм.

- 1 клас – П=50-10 000 Гц.

- 2 клас – П= 100- 6300 Гц.


Якість каналів визначається з допомогою суб’єктивно- статистичної експертизи допустимих спотворень сигналів і допустимих рівнів шумів в каналах і трактах.

Тракти вторинного розподілу програм(ТВРП)

До ТВРП відносяться мережі радіопередавальних станцій і мережі проводового мовлення, які забезпечують безпосередню передачу сигналів до споживачів. При побудові радіомереж враховується розподіл радіочастот між окремими державами, який здійснюється всесвітніми або регіональними адміністративними радіоконференціями. Рішення цих органів відображається в регламенті радіозв’язку.

Відповідно з міжнародними угодами світ поділений на три райони:

1 район включає територію Європи, держави СНД, Монголія і Австралія.

2 район Північна і Південна Америка і Гренландія.

3 район – Азія без СНД і Монголії.

Для радіомовлення виділення довгі, середні і короткі хвилі в яких в основному використовується амплітудна модуляція.

Номінали несучих частот передавачів в цих діапазонах кратні 9КГц.







Date: 2015-09-05; view: 1202; Нарушение авторских прав



mydocx.ru - 2015-2026 year. (0.838 sec.) Все материалы представленные на сайте исключительно с целью ознакомления читателями и не преследуют коммерческих целей или нарушение авторских прав - Пожаловаться на публикацию