Главная Случайная страница


Полезное:

Как сделать разговор полезным и приятным Как сделать объемную звезду своими руками Как сделать то, что делать не хочется? Как сделать погремушку Как сделать так чтобы женщины сами знакомились с вами Как сделать идею коммерческой Как сделать хорошую растяжку ног? Как сделать наш разум здоровым? Как сделать, чтобы люди обманывали меньше Вопрос 4. Как сделать так, чтобы вас уважали и ценили? Как сделать лучше себе и другим людям Как сделать свидание интересным?


Категории:

АрхитектураАстрономияБиологияГеографияГеологияИнформатикаИскусствоИсторияКулинарияКультураМаркетингМатематикаМедицинаМенеджментОхрана трудаПравоПроизводствоПсихологияРелигияСоциологияСпортТехникаФизикаФилософияХимияЭкологияЭкономикаЭлектроника






Обзор отечественной и зарубежной научно-технической и патентной литературы по теме выпускной квалификационной работы





В текущем разделе приводится обзор научно-технической литературы на тему применения газотурбинных технологий для подогрева воздуха в котельной установке. Цель раздела – показать актуальность вопроса внедрения газотурбинных технологий в теплоэнергетику страны в целях повышения экономичности и эффективности использования оборудования тепловых электрических станций.

Современные энергетические установки тепловых электростанций при сжигании органического топлива требуют большого количества воздуха, используемого для обеспечения процесса горения. Дутьевые вентиляторы засасывают воздух из верхней части котельной и подают его в воздухоподогреватель котла, после которого воздух направляется к горелкам (вторичный воздух) и в пылесистему (первичный воздух – при сжигании пылевидного топлива). В помещении котельной воздух поступает из атмосферы либо под действием небольшого разрежения, создаваемого вентиляторами, либо с помощью специальных надувных агрегатов. В зимнее время года воздух, поступающий в помещение, подогревается в калориферах или других устройствах до 14-15 °С. Воздух, попавший в помещение котельной, омывая наружные поверхности труб, котла и механизмов, нагревается за счет тепловыделения оборудования до температуры 30-40°С. Перед поступлением непосредственно в воздухоподогреватель котла воздух может быть подогрет с использованием специальных схем предварительного подогрева воздуха. Таким образом, процесс подогрева воздуха разделяется на две стадии: подогрев в воздухоподогревателях котлов и предварительный подогрев, которые могут использоваться как совместно, так и раздельно.

Определяющим признаком схем и способов подогрева воздуха, влияющим на тепловую схему блока, является вид используемого в схеме подогрева греющего агента. По этому признаку способы подогрева воздуха можно разделить на следующие основные группы:

- подогрев теплотой продуктов сгорания топлива;

- подогрев теплотой отборного пара турбины;

- паровой подогрев сочетании с изменением соотношения водяных эквивалентов газов и воздуха в воздухоподогревателе котла;

- подогрев воздуха от посторонних источников теплоты;

- комбинированные схемы подогрева.

Рассмотрим более подробно способ подогрева воздуха от посторонних источников теплоты.

К способу подогрева воздуха посторонними источниками теплоты относятся схемы с огневым подогревом воздуха, с подогревом воздуха путем использования газов от ГТУ, применяемой в качестве привода, например, вентилятора и др. Подогрев воздуха производится путем его смешения с горячими газами.

Огневой подогрев осуществляется специальными муфелями, работающими на мазуте или газе (рис. 4,а). При этом огневой подогрев чаще всего применяется во время первых пусков энергоблоков. Муфель соединяется с всасывающим воздуховодом дутьевого вентилятора.

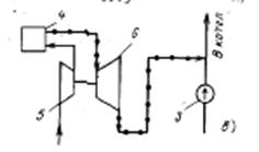
На рис. 4,б и в показаны упомянутые схемы подогрева воздуха от посторонних источников. Автор отмечает, что подмешивание горячих газов к воздуху может производится как во всасывающем воздуховоде вентилятора, так и в напорном. В последнем случае необходимо применение специального смесителя для обеспечения равномерного распределения температуры газовоздушной смеси [5].

 

 

Рисунок 4 – Схемы подогрева воздуха посторонними источниками теплоты:

1 – воздухоподогреватель;

2 – муфель;

3 – вентилятор;

4 – камера сгорания;

5 – компрессор;

6 – газовая турбина.

К теплообменным аппаратам ГТУ относятся регенераторы и воздухоохладители. В регенераторах осуществляется подогрев поступающего воздуха отработавшими в турбине газами. Применение регенераторных воздухоподогревателей повышает экономичность работы ГТУ — уменьшается расход топлива на единицу мощности. Степень регенерации в современных ГТУ достигает 75—80%.

Степенью регенерации называется отношение действительного нагрева воздуха к теоретически возможному, при котором температура воздуха достигает температуры газов на выходе из турбины.

Наиболее распространенными являются поверхностные регенераторы трубчатой и пластинчатой конструкции. В трубчатых регенераторах внутри трубок проходит воздух под значительным давлением, а горячие газы омывают трубки снаружи; в пластинчатых— поверхность нагрева образована из гофрированных стальных пластин с перекрестно расположенными каналами: по одним каналам движется воздух, а по другим — отработавшие газы.

Рисунок 5 – Трехсекционный пластинчатый регенератор.

На рис. 5 показан общий вид трехсекционного пластинчатого регенератора с перекрестным движением воздуха и газа. В регенераторе воздушный поток перемещается по двум параллельным, не сообщающимся между собой, трактам. Газ в регенераторе также движется по двум параллельным потокам. В местах выхода теплообменных секций из корпуса регенератора по периметру окоп установлены уплотняющие сальники из многослойно-плетеной набивки. Пластинчатые регенераторы имеют меньший вес и габариты, чем трубчатые [6].


В последующие годы познания о газотурбинном цикле расширились. Тепловой цикл двигателя внутреннего сгорания, осуществляемый в новых условиях конструктивного оформления, приобрел ряд особенностей, сделавших его еще более совершенным. В газотурбинном цикле оказалось возможным ввести разделение агрегатов, сжимающих рабочее тело, от агрегатов, в которых происходит подвод тепла, и от агрегатов, трансформирующих кинетическую энергию рабочего тела в механическую. Это создало возможность применения промежуточного охлаждения при сжатии, промежуточного подогрева при расширении рабочего тела и позволило осуществить способ возвращения тепла от отработанных газов к сжатому воздуху, т. е. регенерацию тепла, невозможную для условий работы поршневого двигателя внутреннего сгорания. Расширение представлений о цикле газотурбинной установки, введение регенерации открыло большие возможности для экономии топлива. Наряду с тепловым совершенством, равным, а в некоторых случаях и превосходящим совершенство поршневого двигателя внутреннего сгорания, газотурбинная установка казалась более простой по своей конструкции по сравнению с другими видами тепловых двигателей, в частности паровых [7, С.99].







Date: 2015-09-20; view: 697; Нарушение авторских прав



mydocx.ru - 2015-2026 year. (0.254 sec.) Все материалы представленные на сайте исключительно с целью ознакомления читателями и не преследуют коммерческих целей или нарушение авторских прав - Пожаловаться на публикацию