Главная Случайная страница


Полезное:

Как сделать разговор полезным и приятным Как сделать объемную звезду своими руками Как сделать то, что делать не хочется? Как сделать погремушку Как сделать так чтобы женщины сами знакомились с вами Как сделать идею коммерческой Как сделать хорошую растяжку ног? Как сделать наш разум здоровым? Как сделать, чтобы люди обманывали меньше Вопрос 4. Как сделать так, чтобы вас уважали и ценили? Как сделать лучше себе и другим людям Как сделать свидание интересным?


Категории:

АрхитектураАстрономияБиологияГеографияГеологияИнформатикаИскусствоИсторияКулинарияКультураМаркетингМатематикаМедицинаМенеджментОхрана трудаПравоПроизводствоПсихологияРелигияСоциологияСпортТехникаФизикаФилософияХимияЭкологияЭкономикаЭлектроника






Испытание реле давления 404





 

32.1 Характеристика стенда

 

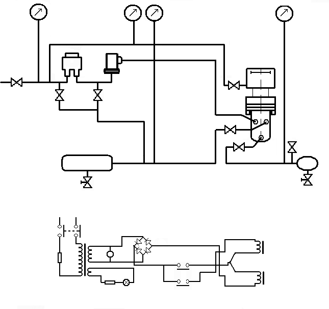
32.1.1 Принципиальная схема стенда должна соответствовать схеме, приведенной на рисунке 21.

32.1.2 Стенд должен иметь:

- резервуары (первичный тормозной цилиндр и вторичный тормозной цилиндр) объемами 20 и 55 л;

- краны разобщительные;

- манометры класса точности не хуже 0,6; дроссели диаметром 1 мм.

 

 
 
 
 
 
 
 
 


 
 
 
 

 
 

 

 

 


 

 
 

 
 
 

 

 

 
 
 

 

 

ТВ

V

 

 

 
ОВ

 

 

1-кран разобщительный; 2-кран машиниста326C; 3-часть электрическая 305.052 с камерой 305.059 (или аналогичное по функциональности устройство); 4-прижим; 5-кран разобщительный; 6- кран разобщительный с калиброванным отверстием 2 мм.; 7- кран разобщительный с калиброванным отверстием 1 мм.; 8-кран водоспускной; 9-Резервуар Р10‑20; 10-резервуар Р10-55; 11‑манометр; 12‑трансформатор В; 13‑вольтметр; 14-мост выпрямительный; 15‑кнопка; 16-лампа сигнальная; 17-Предохранитель, 18 – манометр; 19 - реле давления.

 

Рисунок 21 – Принципиальная схема стенда для испытаний реле давления

 

32.2 Методика испытания

 

32.2.1 Установить реле давления на испытательный стенд.

32.2.2 Проверить разницу установившихся давлений в первичном и во вторичном тормозных цилиндрах. Испытания производить при давлениях в первичном тормозном цилиндре (0,1+0,05) Мпа [(1,0±0,5) кгс/см2] и сопоставлением показаний манометров первичного и вторичного тормозных цилиндров определить разницу установившихся давлений, которая должна быть не более 0,01 Мпа (0,1 кгс/см2).

32.2.3 Проверить разницу во времени наполнения первичного и вторичного цилиндров до 0,3 Мпа (3,0 кгс/см2). При полном служебном торможении разница времени от момента подачи напряжения на электровоздухораспределитель до давления в тормозных цилиндрах 0,3 Мпа (3,0 кгс/см2) должна быть не более 1 с.

32.2.4 Проверить автоматическое поддержание установившегося давления (чувствительность) во вторичном тормозном цилиндре. Испытания проводить при установившемся давлении во вторичном тормозном цилиндре после торможения 0,25-0,30 Мпа (2,5-3,0 кгс/см2). При выпуске воздуха из тормозного цилиндра через отверстие диаметром 1,0 мм реле давления должно поддерживать в нем установившееся давление с колебаниями ±0,015 Мпа (±0,15 кгс/см2).

32.2.5 Проверить герметичность атмосферного клапана на ступени установившегося давления во вторичном тормозном цилиндре 0,25-0,30 Мпа (2,5‑3,0 кгс/см2). Испытания производить обмыливанием отверстий цоколя реле по времени удержания мыльного пузыря. Допускается образование мыльного пузыря с удержанием его не менее 10 с.

32.2.6 Проверить разницу во времени выпуска воздуха из первичного и вторичного тормозных цилиндров. После полного служебного торможения электровоздухораспределителем величина давления в обоих цилиндрах должна быть 0,48 Мпа (4,8 кгс/см2). При отпуске от момента снятия напряжения с электровоздухораспределителя до давления в обоих цилиндрах 0,04 Мпа (0,4 кгс/см2) разница во времени выпуска воздуха из первичного и вторичного тормозных цилиндров должна быть не более 1 с. Замеры производить за один прием.

32.2.7 Проверить герметичность манжеты и питательного клапана. Проверку производить при отпущенном положении реле. Испытание производить обмыливанием цоколя реле по времени удержания мыльного пузыря. Допускается образование мыльного пузыря с удержанием его не менее 10 с.

32.2.8 Результаты испытания реле давления должны быть отражены в учетной книге установленной формы.

При испытании на стенде с регистрацией параметров результаты испытания должны быть сохранены в памяти ПЭВМ, а в учетной книге, установленной формы, необходимо записывать дату испытания, тип и номер принятого реле давления с росписью исполнителя ремонта и руководителя ремонтного подразделения или другого должностного лица, на которое в соответствии с должностной инструкцией возложены эти обязанности.

32.2.9 На отремонтированном и принятом реле давления должна стоять бирка. На бирке должны быть нанесены клеймо АКП и дата ремонта (число, месяц и две последние цифры года).


 








Date: 2015-09-19; view: 1480; Нарушение авторских прав



mydocx.ru - 2015-2026 year. (1.516 sec.) Все материалы представленные на сайте исключительно с целью ознакомления читателями и не преследуют коммерческих целей или нарушение авторских прав - Пожаловаться на публикацию