Главная Случайная страница


Полезное:

Как сделать разговор полезным и приятным Как сделать объемную звезду своими руками Как сделать то, что делать не хочется? Как сделать погремушку Как сделать так чтобы женщины сами знакомились с вами Как сделать идею коммерческой Как сделать хорошую растяжку ног? Как сделать наш разум здоровым? Как сделать, чтобы люди обманывали меньше Вопрос 4. Как сделать так, чтобы вас уважали и ценили? Как сделать лучше себе и другим людям Как сделать свидание интересным?


Категории:

АрхитектураАстрономияБиологияГеографияГеологияИнформатикаИскусствоИсторияКулинарияКультураМаркетингМатематикаМедицинаМенеджментОхрана трудаПравоПроизводствоПсихологияРелигияСоциологияСпортТехникаФизикаФилософияХимияЭкологияЭкономикаЭлектроника






Теоретические сведения, необходимые для выполнения работы





 

На базе счетных триггеров можно построить цифровое устройство, получившее название электронного счетчика. Электронные счетчики позволяют вести подсчет электрических импульсов, количество которых (поступивших на вход счетчика) представляется, обычно, в параллельном коде. Счетчики могут отличаться модулем счета и типом счетной последовательности, которая, в частности, может быть двоичной, двоично-десятичной, в коде Грея и т.п. Цифровые последовательностные устройства, выполненные по схеме счетчика, но имеющие один счетный вход и один выход называются делителями частоты. Таким образом, любой счетчик может служить в качестве делителя частоты, если используется информация только одного из его выходов.

Счетчики и делители подразделяются на асинхронные и синхронные. У синхронных счетчиков все разрядные триггеры синхронизируются параллельно одними и теми же синхроимпульсами, поступающими из источника этих импульсов. Асинхронные счетчики имеют последовательную синхронизацию, т.е. каждый последующий разрядный триггер синхронизируется выходными импульсами триггера предыдущего разряда. Асинхронные счетчики иногда называют последовательными, а синхронные счетчики - параллельными.

Счетчики, независимо от способа синхронизации, подразделяются на счетчики прямого счета (суммирующие) и на счетчики обратного счета (вычитающие). В качестве разрядных триггеров счетчиков и делителей могут быть использованы двухступенчатые D-триггеры, Т- и JK-триггеры.

Асинхронный двоичный счетчик представляет собой совокупность последовательно соединенных триггеров (Т-, D - или JK), каждый из которых ассоциируется с битом в двоичном представлении числа. Если в счетчикеm триггеров, то число возможных состояний счетчика равно 2m, и, следовательно, модуль счета М также равен 2m. Счетная последовательность в двоичном суммирующем счетчике начинается с нуля и доходит до максимального числа 2m - 1, после чего снова проходит через нуль и повторяется.

 

 

Рисунок 3.1 – Схема суммирующего счетчика на Т-триггерах

 

В вычитающем двоичном счетчике последовательные двоичные числа перебираются в обратном порядке, и при повторении последовательности максимальное число следует за нулем.

Счетчики обратного счета (вычитающие счетчики). Условия для изменения состояний триггеров вычитающих счетчиков аналогичны условиям для суммирующих счетчиков с той лишь разницей, что они должны “опираться” на значения инверсных, а не прямых выходов триггеров.

Когда в качестве разрядных триггеров используются D-триггеры, синхронизируемые передним фронтом синхроимпульсов, для получения вычитающего счетчика (асинхронного) входы “С” последующих триггеров соединяются с прямыми выходами предыдущих, также как в счетчике прямого счета, построенного на JK-триггерах.

После нулевого состояния всех триггеров, с приходом первого синхроимпульса они устанавливаются в состояние “1”. Поступление второго синхроимпульса приводит к уменьшению этого числа на одну единицу и т.д. После поступления восьмого импульса, снова, все триггеры обнуляются и цикл счета повторяется, что соответствует модулю М=8.

В некоторых случаях необходимо, чтобы счетчик мог работать как в прямом, так и в обратном направлении счета. Такие счетчики называются реверсивными

Число состояний триггеров (включая нулевой) является основным параметром счетчика и называется коэффициент перерасчета КСЧ или модуля счета М.

В общем виде модуль счета определяется как

 

М = 2m,

 

где m – число двоичных разрядов счетчика, то есть число триггеров.

Если количество импульсов, которые пришли ко входу счетчика, равняются М, то он возвращается в начальное состояние, создавая при этом импульс переполнения, который передается к следующему старшему разряду. Четыре триггера обеспечивают модуль счета М = 24 = 16.

Емкость счетчика, то есть максимальное его показание, составляет

 

С = М - 1

 

В ряде узлов ЦТ возникает необходимость на каждые m входных импульсов выдавать n выходных.

Это устройство называется делителем частоты, с помощью него можно осуществить деление частоты входных импульсов на любое число, равное коэффициенту деления (m / n = N). В делителях частоты входная периодическая последовательность сигналов формирует на выходе периодическую последовательность с частотой, в N раз меньшей.

В качестве делителей частоты используются счетчики. Принцип построения делителя частоты заключается в следующем: к счетчику добавляется узел, который после отсчета определенного количества импульсов, равного К, сбрасывает счетчик в 0, а затем процесс отсчета продолжится вновь.


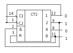
Счетчик – делитель частоты на 6 на ИМС К155ИЕ5 приведен на рис. 3.3.

Рисунок 3.2 - Схема счетчика – делителя на 6 на ИМС К155ИЕ5

При поступлении шести импульсов на вход счетчика его выходы устанавливаются в состояния: 01102 = 610. При этом на все четыре входа логического элемента И поступают напряжения, которые по значению равны логической 1, и, следовательно, на выходе этого элемента возникает U = 1, которое поступает на входы сброса счетчика в 0. Это и произведет сброс всех выходов счетчика в нулевое состояние. Таким образом, на вход счетчика пришло 6 импульсов, на выходе схемы возник один импульс. (рис.3.4)

 

Рисунок 3.3 - Диаграмма работы делителя на 6

 

Часто работу счетчика требуется ограничить счетом до определенного числа. В этом счетчике выходы первого триггера (вывод 12) и вход второго (вывод 1) не соединены друг с другом, что дает возможность при необходимости использовать раздельно первый счетный триггер (вход С1) и последующий трехразрядный счетчик - делитель на 8 (С2).

Рисунок 3.4 – Счетчик на ИМС К155ИЕ5

Если соединить последовательно 4 триггера, то получится счетчик по модулю 2n = 16.

Рисунок 3.5 – Схема счетчика с КСЧ=10

Для счетчика с КСЧ =10 нужны 4 триггера (23 < 10 < 24). Счетчик должен иметь 10 устойчивых состояний N = 0, 1…, 8, 9. Для этого вводят цепи обратной связи с выходов счетчика, соответствующих 10 (т.е. 2 и 8), на входы установки счетчика в 0 (вход R, объединенный операцией И).

Рисунок 3.6 – Диаграмма работы счетчика с КСЧ=10

Для проверки работоспособности схемы строится ее временная диаграмма (рис. 3.6).

При поступлении первого импульса синхронизации на вход схемы по его спаду Т1 переходит в состояние Q1=1. Состояние других выходов неизменно Т.о. на выходах счетчика зафиксирован двоичный код 0001.

Второй импульс переводит Т1 в состояние Q1=0, а Т2 – в состояние Q2=1,. T3 и Т4 сохраняют Q3= Q4=0. Выходной код после поступления второго синхроимпульса – 0010. И так далее…

С приходом десятого счетного импульса Т1 переходит в состояние Q1=0, Т3 продолжает находиться в нулевом состоянии, Т4 – продолжает находиться в единичном состоянии Q4=1. А Т2 начинает установку состояния Q2=1. Но, так как выходы счетчика 9 и 11 подключены ко входам сброса (2 и 3), то одновременное поступление сигнала лог.1 на эти входы не позволяет продолжиться полноценной установке Т2 в единичное состояние: импульс прекращается, образуется т.н. «просечка». Все триггеры счетчика обнуляются и начинается новый цикл работы устройства.

 

 







Date: 2015-09-18; view: 926; Нарушение авторских прав



mydocx.ru - 2015-2026 year. (0.393 sec.) Все материалы представленные на сайте исключительно с целью ознакомления читателями и не преследуют коммерческих целей или нарушение авторских прав - Пожаловаться на публикацию