Главная Случайная страница


Полезное:

Как сделать разговор полезным и приятным Как сделать объемную звезду своими руками Как сделать то, что делать не хочется? Как сделать погремушку Как сделать так чтобы женщины сами знакомились с вами Как сделать идею коммерческой Как сделать хорошую растяжку ног? Как сделать наш разум здоровым? Как сделать, чтобы люди обманывали меньше Вопрос 4. Как сделать так, чтобы вас уважали и ценили? Как сделать лучше себе и другим людям Как сделать свидание интересным?


Категории:

АрхитектураАстрономияБиологияГеографияГеологияИнформатикаИскусствоИсторияКулинарияКультураМаркетингМатематикаМедицинаМенеджментОхрана трудаПравоПроизводствоПсихологияРелигияСоциологияСпортТехникаФизикаФилософияХимияЭкологияЭкономикаЭлектроника






Мешающие влияния





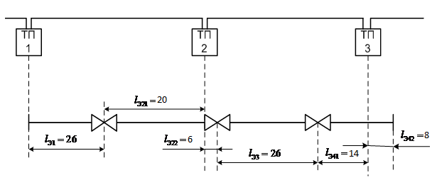
Рис. 4. Схема сближения для расчета мешающего влияния

 

Расчет мешающих влияний тяговой сети переменного тока на цепи тональной частоты ведется при нормальном режиме работы тяговой сети. Вычисление производят применительно к ближнему (дальнему) концу усилительного участка, круга избирательной связи или участка между двумя оконечными пунктами. При вычислении величины мешающего напряжения в телефонных цепях в качестве влияющих следует принимать все тяговые плечи в пределах расчетного участка, полагая, что тяговая сеть состоит из плеч одностороннего питания. Сложение величин напряжения шума от нескольких влияющих тяговых плеч одностороннего питания, а так же если цепь содержит несколько усилительных участков, следует производить по квадратичному закону.

Мешающие напряжения для k гармоники определяются по формуле:

,

где - модуль взаимной индуктивности между двумя однопроводными цепями для k- ой гармоники, Гн/км;

Гн/км;

1,109 - коэффициент акустического воздействия для k- ой гармоники тягового тока;

0,17 -коэффициент чувствительности двухпроводной телефонной цепи к помехам для ля 19- ой гармоники тягового тока;

- результирующие к.з.д. для 19- ой гармоники

0,47 А- нагрузочный ток 19- ой гармоники электровоза.

-угловая частота 19- ой гармоники

26 км; 20 км; 6 км; 26 км; 14 км; 8 км;

B;

B;

B;

B;

B;

B;

 

B;

B;

B.

Пользуясь данными полученными из пункта 2 определим и

Ом.

В.

Вывод: полученное значение 0,015 В, превышают максимально допустимое значение 0,0008 В, требуется принять дополнительные меры для защиты от опасных влияний описанные в разделе 5.







Date: 2015-08-24; view: 719; Нарушение авторских прав



mydocx.ru - 2015-2026 year. (0.309 sec.) Все материалы представленные на сайте исключительно с целью ознакомления читателями и не преследуют коммерческих целей или нарушение авторских прав - Пожаловаться на публикацию