Главная Случайная страница


Полезное:

Как сделать разговор полезным и приятным Как сделать объемную звезду своими руками Как сделать то, что делать не хочется? Как сделать погремушку Как сделать так чтобы женщины сами знакомились с вами Как сделать идею коммерческой Как сделать хорошую растяжку ног? Как сделать наш разум здоровым? Как сделать, чтобы люди обманывали меньше Вопрос 4. Как сделать так, чтобы вас уважали и ценили? Как сделать лучше себе и другим людям Как сделать свидание интересным?


Категории:

АрхитектураАстрономияБиологияГеографияГеологияИнформатикаИскусствоИсторияКулинарияКультураМаркетингМатематикаМедицинаМенеджментОхрана трудаПравоПроизводствоПсихологияРелигияСоциологияСпортТехникаФизикаФилософияХимияЭкологияЭкономикаЭлектроника






Лабораторная работа №5





«Измерение мощности потерь энергии в ферромагнитном сердечнике катушки»

Цель работы: исследовать электрические и магнитные потери энергии в ферромагнитном сердечнике.

Пояснение к работе:

 

Потери энергии в обмотке катушки

Энергия, потребляемая катушкой, расходуется на покрытие не только магнитных потерь (потерь в ферромагнитном сердечнике), но и электрических (потерь в обмотке).

Мощность электрических потерь — их часто называют потерями в меди — пропорциональна квадрату тока и активному сопротивлению обмотки R:

(5.1)

Таким образом, активная мощность катушки

(5.2)

а активная составляющая тока

(5.3)

Рис. 5.1

Рис. 5.2

Магнитное рассеяние

Когда не учитывается магнитное рассеяние, предполагается, что магнитный поток катушки полностью замыкается по ферромагнитному сердечнику. Действительно, большая часть линий магнитной индукции замыкается по сердечнику, образуя основной магнитный поток Ф.

Но магнитное поле существует и в пространстве, окружающем сердечник, что можно изобразить линиями магнитной индукции, проведенными полностью или частично вне сердечника, в воздухе (рис.5.3).

Эти линии характеризуют другой магнитный поток , который называется потоком рассеяния.

Оба магнитных потока создаются одним и тем же током катушки, но из-за различия сред рассматриваются и определяются отдельно.

Основной магнитный поток Ф не пропорционален току, так как связан с ним нелинейной кривой намагничивания ферромагнитного сердечника. Поэтому ЭДС в катушке, наводимая основным пото­ком, определяется по формуле (5.4): Е = 4,44

План работы

1.Определить размещение приборов на столе.

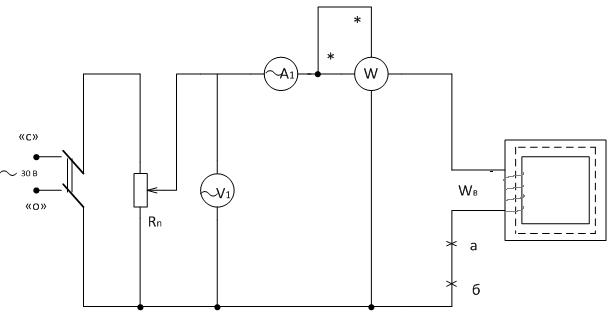
2. Собрать эл. схему цепи (рис. 5.1).

3.Параметры катушки:

а) количество витков WB=160;

б) сечение сердечника Sk = 4.8 см2;

в) вес стали G= 0,5 кг;

г) сопротивление катушки Rk ~ 1,2 Ом,

4. Определить цену деления приборов.

5. Предъявить собранную схему цепи для проверки преподавателю.

6. Включить выключатель Sпитпеременного тока, предварительно установив потенциометр в положение U = 0. Изменяя напряжение, подводимое к катушке, от нуля до заданной преподавателем величины, снять показания приборов и занести их в табл. №5.1.

7. По измеренным U, I, Р вычислить Рст. - потери в стали, Рм - потери в меди, Ро -удельные потери, Вм - максимальные потери, В - максимальное значение магнитной индукции.

 

Где S (см2)- сечение стального сердечника

 

8.По полученным данным построить графики:

9. Сделать выводы по работе.

 

Рис. 5.1

Таблица 5.1

 

 

измерить вычислить
U I Р f Pст Рм Ро Вм
В А Вт Гц Вт Вт Вт/кг Т
                 
                 
                 
                 
                 
                 

 

*Включить последовательно с катушкой резистор 1 Ом мощностью 1-2 Вт и подключить к его выводам осциллографа. Согласно закону Ома, I=U/R; при R=1 Ом I=U/1=U, т.е. изменение напряжения на этом резисторе полностью отражает кривую тока (мощность рассеяния резистора P=I2R=1-2 Вт (при I<=1А), а, б – возможное место разрыва цепи для включения датчика тока).

 

Контрольные вопросы

1. Какие нелинейные элементы применяются в цепях переменного тока, и какие практические задачи в технике решаются с их помощью?

2. Как изменяется индуктивность катушки с ферромагнитным сердечником при изменении напряжения на ней?

3. Как влияет магнитный гистерезис на форму кривой тока в катушке со стальным сердечником? Каким образом можно увидеть эту кривую тока и исследовать ее?

4. Какие потери энергии называют потерями в стали, и какие потерями в меди?

5. Что такое магнитное рассеяние?

 







Date: 2015-08-22; view: 1849; Нарушение авторских прав



mydocx.ru - 2015-2026 year. (1.245 sec.) Все материалы представленные на сайте исключительно с целью ознакомления читателями и не преследуют коммерческих целей или нарушение авторских прав - Пожаловаться на публикацию