Главная Случайная страница


Полезное:

Как сделать разговор полезным и приятным Как сделать объемную звезду своими руками Как сделать то, что делать не хочется? Как сделать погремушку Как сделать так чтобы женщины сами знакомились с вами Как сделать идею коммерческой Как сделать хорошую растяжку ног? Как сделать наш разум здоровым? Как сделать, чтобы люди обманывали меньше Вопрос 4. Как сделать так, чтобы вас уважали и ценили? Как сделать лучше себе и другим людям Как сделать свидание интересным?


Категории:

АрхитектураАстрономияБиологияГеографияГеологияИнформатикаИскусствоИсторияКулинарияКультураМаркетингМатематикаМедицинаМенеджментОхрана трудаПравоПроизводствоПсихологияРелигияСоциологияСпортТехникаФизикаФилософияХимияЭкологияЭкономикаЭлектроника






при подъезде к станции перед знаком Тсбор





1.1 помощник машиниста:

1.1.1 встаёт и берётся

1.1.2 левой рукой за ручку «стоп-крана»

1.1.3 предупреждает машиниста словом «станция», у сигнального знака «Т сбор»

1.2 машинист

1.2.1 отвечает «понятно»

1.2.2 переводит ручку КВ в положение «тормоз-1»

в начале платформы скорость должна быть не более 60км/ч, к середине платформы не более 40км/ч

въезжая на станцию л/б внимательно следит за беспрепятственным проследованием поезда до его полной остановки

в случае необходимости машинист:

1.3 подает оповестительный сигнал (один длиный)

если требуется остановка

1.4 применяет экстренное торможение краном машиниста

1.5 помощник машиниста – «стоп-краном»

1.6 помощник машиниста

1.6.1 после высадки и посадки пассажиров п/м

1.6.4 называет показание выходного светофора

1.7 машинист:

1.7.1 повторяет показание выходного светофора

1.7.2 после смены показания светофора машинист сообщает об этом п/м

 

2. если машинист будет начинать торможение за знаком «Т» экстренного торможения то он обязан предупредить п/м словами «торможу за Т»

2.1 п/м – отвечает «понятно»

3. если такого предупреждения не будет и машинист не производит торможение:

3.1 п/м – подает команду «тормоз» и у знака «Т» срывает «стоп-кран»

4. если платформа станции справа

4.1 п/м – предупреждает машиниста до знака Тсбор словами – «станция двери справа»

5. машинист:

5.1 отвечает «понятно»

5.2 к моменту остановки поезда предупреждает п/м словами «двери справа»

5.3 нажимает кнопку открытия правых дверей на 2-3сек

5.4 называет показание выходного светофора

5.5 ведет наблюдение через станционное зеркало за высадкой и посадкой пассажиров

6. помощник машиниста:

6.1 повторяет показания выходного светофора

6.2 если выходной светофор имел запрещающее или предупреждающее показание, то после смены его на разрешающее показание сообщает об этом машинисту

 

ОБЯЗАННОСТИ Л/Б ВО ВРЕМЯ СТОЯНКИ ПОЕЗДА НА СТАНЦИИ И ПРИ ЕГО ОТПРАВЛЕНИИ НА ПЕРЕГОН

 

1. во время стоянки поезда на станции

1.1 машинист:

1.1.1 ведет наблюдение:

1.1.1.1 за показанием выходного светофора

1.1.1.2 временем отправления поезда

1.2 контролирует действия п/м

2.1 помощник машиниста:

2.1.1 наблюдает за высадкой и посадкой пассажиров через станционное зеркало

2.1.2 особое внимание на обслуживание пассажиров:

2.1.2.1 с детьми

2.1.2.2 инвалидов

2.1.2.3 престарелых

2.1.2.4 экскурсионных групп

2.1.3 для ускорения высадки и посадки при большом пассажиропотоке или опоздании поезда производить объявление: «уважаемые пассажиры побыстрей производите высадку и посадку»

2.1.4 перед окончанием посадки пассажиров

2.1.4.1 убеждается в разрешающем показании выходного светофора

2.1.4.2 нажимает кнопку радиоинформатора и после объявления «осторожно двери закрываются»

2.1.4.3 включает выключатель «закрытия дверей»

ЗАПРЕЩАЕТСЯ при запрещающем показании выходного светофора нажимать кнопку радиоинформатора (попытка проезда запрещающего сигнала) и закрывать двери.

2.1.5 убедившись визуально, в закрытии дверей поезда

2.1.6 убеждается в разрешающем показании выходного светофора, вновь вслух повторяет его

2.1.7 при отсутствии препятствия для отправления поезда со станции и повторения машинистом разрешающего показания выходного светофора подает команду «вперед»

2.1.8 после команды «вперед» и отправления поезда наблюдает через станционное а затем поездное зеркало за беспрепятственным проследованием поезда до ухода головного вагона в тоннель и сообщает машинисту фактическое время отправления поезда со станции

2.1.9 при возникновении угрозы для дальнейшего движения или жизни людей подает команду «стой» и применяет экстренное торможение «стоп-краном»

2.1.10 на станциях где платформа справа п/м ведет наблюдение за показанием выходного светофора. При смене его запрещающего показания на разрешающее сообщает об этом машинисту

2.1.11 машинист выполняет обязанности п/м в п.2.1

 

СМЕНА Л/Б НА ПРОМЕЖУТОЧНОЙ СТАНЦИИ

 

  1. заступающая л/б к моменту прибытия поезда должна находится у сигнального знака «остановка первого вагона»
  2. после прибытия поезда и открытия дверей, заступающий на смену п/м: наблюдает за высадкой и посадкой пассажиров до выхода на платформу сдающей смену л/б
  3. сдающий смену п/м после остановки и открытия дверей:

3.1 выходит на платформу

3.2 сообщает принимающему смену машинисту время отправления со станции

3.3 ведет наблюдение за высадкой и посадкой пассажиров


  1. машинист принимающий смену заходит в кабину где машинист сдающий смену, сообщает ему:

4.1 показание выходного светофора

4.2 техническое состояние поезда

  1. при наличии запрещающего показания выходного светофора машинисту ЗАПРЕЩАЕТСЯ занимать рабочее место
  2. машинист принимающий смену:

6.1 проверяет величину давления в ТМ и НМ

6.2 наблюдает за показанием выходного светофора

6.3 занимает рабочее место за пультом управления

  1. машинист сдающий смену выходит на платформу и вместе со своим п/м наблюдает за высадкой посадкой пассажиров
  2. п/м принимающий смену заходит в кабину и по станционному зеркалу ведет наблюдение за посадкой высадкой пассажиров
  3. по истечению времени стоянки и окончании посадки пассажиров п/м убеждается в разрешающем показании светофора, включает радиоинформатор и после слов «осторожно двери закрываются» включает выключатель «закрытия дверей»

 

ОБЯЗАННОСТИ Л/Б ПРИ ВЕДЕНИИ ПОЕЗДА ПО ПЕРЕГОНУ

 

  1. соблюдать время стоянок поезда на станциях
  2. следить за:

2.1 свободностью пути

2.2 положением стрелок

2.3 сигналами

2.4 сигнальными указателями и знаками

  1. повторять:

3.1 сигнальные огни светофоров, остановки и уменьшения скорости

3.2 сигнальные огни светофоров оговоренных приказом нач. метрополитена независимо от их показаний (все входные и проходные на соединительной ветке)

3.3 положение стрелок: при несоответствии данному маршруту – открыть «стоп-кран»

3.4 величину скорости перед знаком «уменьшения скорости»

3.5 сигналы остановки и уменьшения скорости подаваемые с пути

  1. проявлять особую бдительность, п/м обязан стоять напротив своего окна и рукой держаться за ручку «стоп-крана» при:

4.1 показании светофора требующего остановки или уменьшения скорости

4.2 после проследования запрещающего сигнала светофора

4.3 в местах где требуется подтормаживание

4.4 подъезде к стрелочному переводу

4.5 снижении видимости светофоров и пути:

4.5.1 туманах

4.5.2 ливнях

4.5.3 метелях

4.5.4 задымлении

4.5.5 затоплении участков пути

4.6 наличии письменных и устных предупреждений

4.7 следовании:

4.7.1 первым поездом

4.7.2 в неправильном направлении

4.7.3 включеном освещении в тоннеле

4.7.4 по перегону после сработки УКПТ

4.7.5 по парковым путям и соединительным веткам

  1. применить экстренное торможение «стоп-краном» не предупреждая машиниста в случае:

5.1 непринятия мер к остановке поезда машинистом

5.2 превышении установленной скорости для данного участка пути

5.3 внезапного появления препятствия

  1. ЗАПРЕЩАЕТСЯ

6.1 одновременное отвлечение машиниста и его п/м от наблюдения за сигналами и свободностью пути

при необходимости кратковременного отвлечения от наблюдателя они ставят об этом друг друга в известность. Наблюдение в таких случаях ведет один из членов л/б

6.2 переходить из вагона в вагон во время движения поезда, кроме случаев, когда возникает угроза безопасности движения или пассажирам

  1. осуществлять взаимный контроль по выполнению должностных обязанностей
  2. обязан:

8.1 проверить наличие права проезда в кабине управления

8.2 информировать о состоянии подвижного состава:

8.2.1 машиниста-инструктора

8.2.2 начальника депо и его заместителя

8.2.3 начальника службы подвижного состава и его заместителей


8.2.4 ревизора по безопасности движения

8.2.5 начальника метрополитена и его заместителей

8.3 форма доклада:

8.3.1 поезд №……..

8.3.2 маршрут №……..

8.3.3 следует по графику (с общим опозданием …..)

8.3.4 состав исправен

8.3.5 машинист……, доложил п/м……

 

 

Выход из случаев неисправностей для п/м.

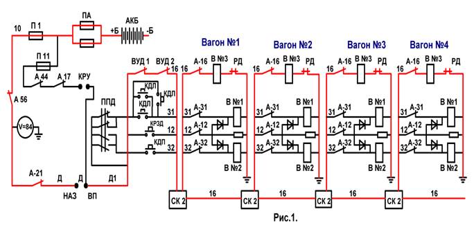
Не открываются двери во всём поезде.

Причины: 1. Переключатель положения дверей не надлежащем положении;

2. Неисправна кнопка открытия дверей;

3. Нет напряжения на 10-м проводе;

4. Выбит автоматик А-21;

5. Неисправен кулачок «Д».

Действия машиниста при выходе из случая:

1. ППД – перевести в надлежащее положение – открылись, продолжить работу;

2. Дать более длительный импульс

- открылись, продолжить работу.

Если не открылись:

- открыть со стороны п/м. Открылись продолжаем работать (неисправна кнопка).

3. Проверяем напряжение на 10-м проводе.

Нет:

‑ переходим на КРУ и дверями и поездом;

4. А-21 выбит. Восстановить его.

- не выбивает продолжить работу;

- выбивает до открытия, перейти на КРУ. Высадить пассажиров, закрыть двери и в ПТО.

- выбивает после открытия, высадить пассажиров, восстановить его, закрыть двери и в ПТО.

5. Если при обработки кабины ни одна из причин не выявлена, то остаётся сорвать пломбу и отключить «ВБД», если это не помогло, то неисправность кулачка «Д».

- переходим на КРУ, открываем двери, высаживаем пассажиров, закрываем двери и отправляемся в ПТО.

Не закрываются двери во всём поезде.

Причины: 1. Несправен ВУД 1;

2. Нет напряжения на 10-м проводе;

3. Выбит автоматик А-21;

4. Неисправен кулачок «Д».

Выход из случаев:

1. Проверить ВУД 2, если выключен, то включить. Работоспособность восстановлена продолжить работу. Если включен ВУД 2, значить неисправен ВУД 1. Закрыть двери КРЗД. Закрылись – открыть- высадить пассажиров, отправиться в депо. Не закрылись,

2. Проверить напряжение на 10-м проводе. Нет, перейти на КРУ. Высадить пассажиров, закрыть двери и отправиться в депо;

3. Проверить автоматик А-21. Выбит, восстановить его, продолжить работу. Выбивает снова, высадить пассажиров, отправится в депо

4. Значить неисправность кулачка. Переходим на КРУ. Если от КРУ не закрылись, закрыть от ДВР или из хвостовой кабины.

 

Не открылись двери в одном вагоне (одна створка).

О том, что у нас не открылись двери в одном вагоне мы можем узнать от пассажиров или сами, при внимательном наблюдении за высадкой и посадкой. Причины: 1. Заклинило одну створку или закрыта на ключ.

2. Кран выключения дверей в положении 45 градусов;

3. Выбил автоматик А-31 или А-32;

4. Неисправен ДВР;

 

Не закрываются двери в одном вагоне (или одна створа).

О том, что у вас не закрылись двери в одном вагоне мы узнаем по отсутствию контроля дверей(лампа ЛСД не будет гореть), так же по горящей бортовой лампе.


Причины: 1. Развалилась подвеска дверей или её заклинило;

2. Кран выключения дверей в положении 90 градусов;

3. Выбил автоматик А-16;

4. Неисправен ДВР;

5. Нет воздуха в дверной магистрали.

 

Игра дверей во всё поезде (в одном вагоне).

О том, что у нас игра дверей мы можем узнать от пассажиров либо обнаружить сами, по звуку. Лампа ЛСД при этом мигать не будет.

 

Причина: Постороннее питание на 31 или 32 проводе, всего поезда, либо одного вагона.

Выход из случая: В первую очередь определить с какой стороны играют двери. Поэтому после прибытия на станцию, реверсивную ручку не вытаскиваем и ВУДЗ-1 не отключаем. И после определения стороны приступаем к выходу из случая.

 

Не открываются или не закрываются двери в хвостовой части поезда.

 

Причина: Потеря контакта в ЭКК.

 

Выход из случая: Переключить электрическую часть ЭКК.

Утечка воздуха из НМ или ТМ.

 

Выходит из случая машинист, а задача п/м, находится в к/м поддерживать связь с машинистом, ДЦХа и пассажирам. Следить за давлением по манометру.

 







Date: 2015-08-07; view: 414; Нарушение авторских прав



mydocx.ru - 2015-2026 year. (0.415 sec.) Все материалы представленные на сайте исключительно с целью ознакомления читателями и не преследуют коммерческих целей или нарушение авторских прав - Пожаловаться на публикацию