Главная Случайная страница


Полезное:

Как сделать разговор полезным и приятным Как сделать объемную звезду своими руками Как сделать то, что делать не хочется? Как сделать погремушку Как сделать так чтобы женщины сами знакомились с вами Как сделать идею коммерческой Как сделать хорошую растяжку ног? Как сделать наш разум здоровым? Как сделать, чтобы люди обманывали меньше Вопрос 4. Как сделать так, чтобы вас уважали и ценили? Как сделать лучше себе и другим людям Как сделать свидание интересным?


Категории:

АрхитектураАстрономияБиологияГеографияГеологияИнформатикаИскусствоИсторияКулинарияКультураМаркетингМатематикаМедицинаМенеджментОхрана трудаПравоПроизводствоПсихологияРелигияСоциологияСпортТехникаФизикаФилософияХимияЭкологияЭкономикаЭлектроника






Быстродействующее отключение при замыкании на корпус





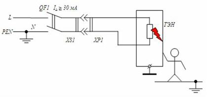
В случае защиты УЗО электроприемников с металлическим корпусом обеспечивается быстродействующая защита от короткого замыкания (КЗ) на корпус. Рассмотрим пример – защиту при помощи УЗО электронагревателя – Рисунок 4.


Рисунок 4. Защита УЗО электронагревателя.
Схема состоит из УЗО (QF1 по схеме) с дифференциальным током 30 мА, розетки с заземляющим контактом (з/к) XS1, вилки с з/к XP1 и электрического обогревателя, представляющего собой ТЭН, смонтированный в металлическом корпусе. Аппарат токовой защиты находится выше по схеме и условно не показан. Разделение PEN-проводника на схеме показано условно, для наглядности цепи тока утечки.
Если в электронагревателе произойдет короткое замыкание на корпус, то ток КЗ окажется для УЗО током утечки, и оно быстро сработает, отключив аварийный участок сети.

Тут следует разоблачить один предрассудок: считается, что при двухпроводной сети установка УЗО не имеет смысла. Действительно, в двухпроводной сети при замыкании на корпус электроприбора УЗО не отключит напряжение, так как нет тока утечки – Рисунок 5.

Рисунок 5. УЗО в двухпроводной сети.
Однако при прикосновении к корпусу аварийного электроприбора человека, стоящего на земле, ток утечки появится, и УЗО спасет человека от электротравмы. Таким образом, УЗО в двухпроводных сетях обеспечивает защиту человека от прикосновения к токоведущим частям, в том числе и при замыкании на корпус.







Date: 2015-07-27; view: 460; Нарушение авторских прав



mydocx.ru - 2015-2026 year. (0.277 sec.) Все материалы представленные на сайте исключительно с целью ознакомления читателями и не преследуют коммерческих целей или нарушение авторских прав - Пожаловаться на публикацию