Главная Случайная страница


Полезное:

Как сделать разговор полезным и приятным Как сделать объемную звезду своими руками Как сделать то, что делать не хочется? Как сделать погремушку Как сделать так чтобы женщины сами знакомились с вами Как сделать идею коммерческой Как сделать хорошую растяжку ног? Как сделать наш разум здоровым? Как сделать, чтобы люди обманывали меньше Вопрос 4. Как сделать так, чтобы вас уважали и ценили? Как сделать лучше себе и другим людям Как сделать свидание интересным?


Категории:

АрхитектураАстрономияБиологияГеографияГеологияИнформатикаИскусствоИсторияКулинарияКультураМаркетингМатематикаМедицинаМенеджментОхрана трудаПравоПроизводствоПсихологияРелигияСоциологияСпортТехникаФизикаФилософияХимияЭкологияЭкономикаЭлектроника






Смещение нейтрали





 

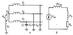
В нормальном режиме работы сети всегда имеется небольшое смещение нейтрали, т.е. потенциал нейтрали всегда отличен от нуля. Это происходит из-за несимметрии фаз линий электропередачи, исключить которую в распределительных сетях не удается. Смещение нейтрали составляет обычно 3-4% фазного напряжения, что вполне допустимо и не представляет опасности. Но при включении дугогосящего реактора в нейтраль ее потенциал может существенно увеличиться. Рассмотрим схему сети (см. рисунок 6.3).

 

Рисунок 6.3

Напряжение на нейтрали сети без дугогосящего реактора определяется

где - проводимость фазы.

При полной симметрии системы, когда и , напряжение на нейтрали UNO = 0. При включении реактора .

Учитывая, что << , получаем

При полной компенсации емкостного тока замыкания на землю () имеем

.

Таким образом, при включении в нейтраль сети реактора потенциал нейтрали становится во столько раз больше потенциала UNO (в отсутствии реактора), во сколько раз индуктивное сопротивление реактора больше его активного. Отношение Хр/Rp может достигать нескольких десятков единиц, а потенциал нейтрали может превышать фазное напряжение, что недопустимо. Уменьшение потенциала нейтрали, как следует из уравнения (6.1), может быть достигнуто уменьшением значения UNO либо расстройкой резонансного контура.

С целью уменьшения UNO в системах с резонансным заземлением нейтрали применяют транспозицию проводов для симметрирования емкостей фаз. По правилам устройства электроустановок (ПУЭ) степень несимметрии емкостей по фазам относительно земли не должна превышать 0,75%.

Небольшая расстройка резонансного контура, не приводящяя к ухудшению условий гашения дуги, особенно эффективна в сетях, не имеющих транспозиции. Расстройка контура производится в сторону перекомпенсации. Это исключает попадание в режим полной компенсации после отключения одной из фаз на участке какой-либо линии.

ПУЭ не ограничивает длительность работы сети с замыканием фазы на землю. Несмотря на это, а также на то, что простое замыкание не нарушает режима работы потребителя, оно должно быть как можно быстрее найдено и ликвидировано, ток как место замыкания всегда представляет опасность для людей и животных и замыкание одной фазы может превратиться в замыкание между фазами.







Date: 2015-07-27; view: 1844; Нарушение авторских прав



mydocx.ru - 2015-2026 year. (0.829 sec.) Все материалы представленные на сайте исключительно с целью ознакомления читателями и не преследуют коммерческих целей или нарушение авторских прав - Пожаловаться на публикацию