Главная Случайная страница


Полезное:

Как сделать разговор полезным и приятным Как сделать объемную звезду своими руками Как сделать то, что делать не хочется? Как сделать погремушку Как сделать так чтобы женщины сами знакомились с вами Как сделать идею коммерческой Как сделать хорошую растяжку ног? Как сделать наш разум здоровым? Как сделать, чтобы люди обманывали меньше Вопрос 4. Как сделать так, чтобы вас уважали и ценили? Как сделать лучше себе и другим людям Как сделать свидание интересным?


Категории:

АрхитектураАстрономияБиологияГеографияГеологияИнформатикаИскусствоИсторияКулинарияКультураМаркетингМатематикаМедицинаМенеджментОхрана трудаПравоПроизводствоПсихологияРелигияСоциологияСпортТехникаФизикаФилософияХимияЭкологияЭкономикаЭлектроника






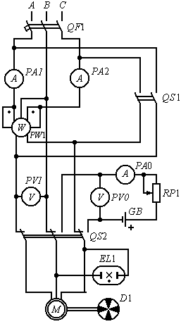
Схема установки

Робота 4

Вибір потужності двигуна електроприводу робочої машини

Мета роботи

1. Вивчити будову електроприводу робочої машини.

2. Визначити потужність на валу електродвигуна електроприводу.

3. З'ясувати доцільність заміни встановленого двигуна, вибраним по каталогу електричних машин.

Схема установки

2. Перелік вимірювальних приладів, апаратів і устаткування, використаних при проведені дослідів

№ п/п Найменування Завод-виготовлювач Заводський № Вимірювальні прилади Силове устаткування Примітка
Система Клас точності Межі вимірювання Конструкція Тип Потужність, кВт Напруга, В Швидкість обертання, об/хв Конструкція
                           
                           
                           
                           

3. Таблиці спостережень

№ до­сліду Напруга U 1, В Струм, А Активна потуж­ність Р 1, Вт Спостерігаєме число звороту диску D n, об. Час D t, c Примітка
I 1 I 2
              Наванта­ження
              Холостий хід

 

№ досліду Напруга U 0, B Струм I 0, A
     
     
     

 

Випробування виконав студент_____________________________

Результати випробування перевірено керівником занять ___________________

 

4. Опрацювання результатів досліду

Основні теоретичні залежності, що використовуються при розрахунках

 

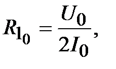
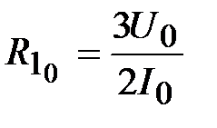
або R 1 = x R о,

Р е1 = 3 R 1 , або Р е1 = R 1 Р х = Р Р е1 Р д= 0,005 Р ном

Таблиці з результатами проведених дослідів і розрахунків

№ досліду U 0, B I 0, A R 10, Ом
       
       
       
  Середнє значення  

 

№ до­сліду U 1, B I, A P 1, кВт D n, об D t, c n 0, s 1– s P е1, Вт Р х, Вт Р д, Вт D P, Вт Р 2, Вт
                           

 

 

5. Графічні залежності й діаграми

 

 

 

 

Примітка. Додаткові графіки і діаграми додаються на окремих аркушах.



<== предыдущая | следующая ==>
оставшихся без попечения родителей, в возрасте от 18 до 23 лет | Народные истоки русского театра. Истоки русского театра уходят в глубокую древность, во времена, славяне были еще язычниками





Date: 2015-07-27; view: 315; Нарушение авторских прав



mydocx.ru - 2015-2026 year. (1.159 sec.) Все материалы представленные на сайте исключительно с целью ознакомления читателями и не преследуют коммерческих целей или нарушение авторских прав - Пожаловаться на публикацию