Главная Случайная страница


Полезное:

Как сделать разговор полезным и приятным Как сделать объемную звезду своими руками Как сделать то, что делать не хочется? Как сделать погремушку Как сделать так чтобы женщины сами знакомились с вами Как сделать идею коммерческой Как сделать хорошую растяжку ног? Как сделать наш разум здоровым? Как сделать, чтобы люди обманывали меньше Вопрос 4. Как сделать так, чтобы вас уважали и ценили? Как сделать лучше себе и другим людям Как сделать свидание интересным?


Категории:

АрхитектураАстрономияБиологияГеографияГеологияИнформатикаИскусствоИсторияКулинарияКультураМаркетингМатематикаМедицинаМенеджментОхрана трудаПравоПроизводствоПсихологияРелигияСоциологияСпортТехникаФизикаФилософияХимияЭкологияЭкономикаЭлектроника






Электротехника, электрические машины и аппараты





ЭЛЕКТРОТЕХНИКА

ЭЛЕКТРОТЕХНИКА И ЭЛЕКТРОНИКА

ЭЛЕКТРОТЕХНИКА И ЭЛЕКТРОПРИВОД

ЭЛЕКТРОТЕХНИКА, ЭЛЕКТРИЧЕСКИЕ МАШИНЫ И АППАРАТЫ

 

 

Методические указания к лабораторно-практическим

занятиям по электротехническим дисциплинам

для специальностей заочного и дневного отделений

 

Могилев 2006

 

УДК 621.3

ББК 31.2:32.85

Э45

 

Рекомендовано к опубликованию

учебно-методическим управлением

ГУ ВПО «Белорусско-Российский университет»

 

Одобрено кафедрой «Электротехника и электроника» «04» октября 2006 г., протокол № 2

 

Составители: канд. техн. наук, доц. Н. П. Бусел

В. В. Писарик

А. В. Сасин

 

Рецензент д– р техн. наук, проф. М.Ф. Пашкевич

 

Изложена методика расчета электрических цепей постоянного тока различными методами.

 

 

Учебное издание

 

ЭЛЕКТРОТЕХНИКА

ЭЛЕКТРОТЕХНИКА И ЭЛЕКТРОНИКА

ЭЛЕКТРОТЕХНИКА И ЭЛЕКТРОПРИВОД

ЭЛЕКТРОТЕХНИКА, ЭЛЕКТРИЧЕСКИЕ МАШИНЫ И АППАРАТЫ

 

Ответственный за выпуск С. В. Болотов

 

Технический редактор А. Т. Червинская

 

Компьютерная верстка Н. П. Полевничая

 

Подписано в печать Формат 60х84 /16. Бумага офсетная. Гарнитура Таймс.

Печать трафаретная. Усл. печ. л. 2 п.л. Уч. - изд. л. Тираж 165 экз. Заказ №

 

Издатель и полиграфическое исполнение

Государственное учреждение высшего профессионального образования

«Белорусско – Российский университет»

ЛИ № 02330/375 от 29.06.2004 г.

212005, г. Могилев, пр. Мира, 43

 

© ГУ ВПО “Белорусско –

Российский университет”, 2006

1 Требования к оформлению расчетно-графической работы

 

Задания по электротехнике способствуют более глубокому усвоению теоретических закономерностей и получению практических навыков по решению инженерных задач в области электротехники. Задания выполняют в отдельной тетради, в которой приводят условие задачи, вычерчивают электрическую цепь и приводят решение задачи с краткими пояснениями.

Схемы и диаграммы вычерчивают в масштабе и соблюдением

ГОСТ 2.723 – 68 и ГОСТ 2.747 – 68.

Перед выполнением задания необходимо изучить соответствующие разделы рекомендуемой литературы и настоящих методических указаний.

 

2 Расчет электрических цепей постоянного тока

 

2.1 Эквивалентное преобразование электрических величин

 

Расчет сложных электрических цепей во многих случаях можно упростить и сделать более наглядным путем преобразования схем одного вида в схемы другого вида. Целесообразное преобразование схемы приводит к уменьшению числа ее ветвей или узлов, а значит и числа уравнений, необходимых для расчета. Во всех случаях такое преобразование должно выполняться эквивалентно: токи и напряжения в частях цепи, не затронутых преобразованием, остаются такими же, как и в исходной цепи.

 

Примеры преобразования схем:

 

а) замена нескольких, последовательно или параллельно соединенных, резисторов одним (рисунок 1);

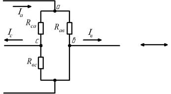
б) преобразование треугольника резисторов в эквивалентную звезду и наоборот (рисунок 2).

 

Формулы для расчета Ra, Rв, Rc (преобразование треугольника в звезду):

 

Raв·Rca Raв·Rвc

Ra =; Rв =;

Raв + Rвс + Rca Raв + Rвс + Rca

 

 

Rca·Rвс

Rc =.

Raв + Rвс + Rca

 

a) б)

 

n

Rэ = Σ Ri Rэ = 1/ Gэ

i = 1 n

Gэ = Σ Gi; Gi = 1 / Ri

i = 1

 

 

Рисунок 1 – Последовательное и параллельное соединение резисторов

 

a) б)

 

 

 

Рисунок 2 – Соединение резисторов треугольником и звездой

 

 

Формулы для расчета Raв, Rвс, Rcа (преобразование звезды в треугольник):

 

Rа·Rв Rв·Rc

Raв = Ra + Rв + -----------; Rвс = Rв + Rc + ----------;

Rc Ra

Rc·Ra

Rca = Rc + Ra + ------------.

 

2.2 Расчет сложных электрических цепей постоянного тока методом

непосредственного применения законов Кирхгофа

 

Сложной называется электрическая цепь с несколькими источниками энергии, которая не может быть рассчитана с применением закона Ома и формул эквивалентных преобразований. Метод непосредственного применения законов Кирхгофа является универсальным при расчетах и анализах сложных электрических цепей.

Порядок расчета по этому методу состоит в следующем:

 

а) указываем произвольно положительные направления токов в ветвях и в соответствии с ними положительные направления напряжений, а также направления обхода в выбранных независимых контурах;


б) записываем уравнения по первому закону Кирхгофа:

n

Σ(±Ii) = 0.

i=1

 

Количество этих уравнений равно К – 1, где К – число узлов электрической цепи;

 

в) записываем уравнения по второму закону Кирхгофа применительно к контуру:

 

n n

Σ(±Еi) = Σ(±Ii·Ri),

i=1 i=1

 

где Еi – ЭДС, входящие в i - контур, В;

Ii·Ri – падения напряжений на резисторах, входящих в i- контур, В.

 

Число уравнений, составляемых по 2-му закону Кирхгофа, равно

 

n - (к-1),

 

где n – число ветвей исходной схемы.

 

Решая систему полученных уравнений, определяем токи ветвей.

Для проверки правильности расчетов электрической цепи используют уравнение баланса мощностей:

n n

Σ(±Еi·Ii) = Σ(Ii2Ri).

i=1 i=1

 

 

2.3 Расчет сложных электрических цепей постоянного тока методом

контурных токов

 

Метод контурных токов вытекает из метода, основанного на непосредственном применении законов Кирхгофа. Уравнения по методу контурных токов составляют по 2-му закону Кирхгофа введением так называемых контурных токов. Количество уравнений, составленных по методу контурных токов, равно

n - (к-1).

Направления контурных токов выбираются произвольно. При составлении уравнений положительными принимаются ЭДС, совпадающие с направлениями контурных токов. Решая систему уравнений, определим значение контурных токов. Во внешних ветвях контурные токи будут являться истинными токами. Токи в смежных ветвях определяют по 1-му закону Кирхгофа.

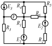
Пример. Рассмотрим пример расчета электрической цепи (рисунок 3) методом непосредственного применения законов Кирхгофа и метода контурных токов.

 

Рисунок 3 – Электрическая цепь

 

Метод непосредственного применения законов Кирхгофа.:

– число узлов К = 4; число ветвей n = 6;

– число уравнений по 1-му закону Кирхгофа:

 

К - 1 = 4 - 1 = 3;

– число уравнений по 2-му закону Кирхгофа:

 

n - (К -1) = 6 - (4 - 1) = 3;

 

– число всех уравнений n = 6:

 

 

I1 + I2 - I3 = 0 - узел 1;

I3 + I4 - I5 = 0 - узел 2;

I5 – I6 – I2 = 0 - узел 3;

 

Е1 - Е3 = I1R1 + I3R3 - I4R4 – контур 1,2,4,1;

Е3 - Е2 = - I2R2 - I5R5 - I3R3 – контур 1,3,2,1;

0 = I5R5 + I6R6 + I4R4 – контур 2,3,4,2;

 

Метод контурных токов:

– количество уравнений:

n - (К - 1) = 6 - (4 - 1) = 3;

– обозначение контурных токов: I11, I22, I33.

– система уравнений:

 

Е1 - Е3 = I11(R1 + R3 + R4) - I22R3 - I33R4 – контур 1,2,4,1;

Е3 - Е2 = - I11R3 + I22(R2 + R5 + R3)- I33R5 – контур 1,3,2,1;

0 = - I11R4 - I22R5 + I33(R4 + R5 + R6) – контур 2,3,4,2.

Решая систему уравнений, определяем значения контурных токов I11,I22,I33.

Находим значения токов в ветвях:

I1 = I11; I2 = -I22; I3 = I11 - I22;

I4 = I33 - I11; I5 = I33 - I22; I6 = I33;

Проверяем правильность расчета по балансу мощности:

Е1I1 - Е3I3 + Е2I2 = (I1)2R1 + (I2)2R2 + (I3)2R3 + (I4)2R4 +

(I5)2R5 + (I6)2R6.

 

 

2.4 Расчет сложных электрических цепей постоянного тока методом двух узлов


± Ei ± Uaв

Ii = -------------- = (±Еi ± Uав)Gi,

Ri

где Ii – ток i-й ветви, А;

Еi – ЭДС i-й ветви, В;

Uав – напряжение между двумя узлами, В;

Ri – сопротивление i-й ветви, Ом;

Gi = 1/Ri – проводимость i-й ветви, См.

ЭДС и напряжение берутся со знаком плюс, если их направления совпадают с направлением тока рассматриваемой ветви.

Величина Uав находится по формуле

n

Σ(±Еi·Gi).

i=1

Uав = -------------------..

n

ΣGi

i=1

В этой формуле Еi берется со знаком плюс, если его направление противоположно направлению Uав, и со знаком минус, если их направления совпадают.

Пример. Составить необходимые уравнения для определения значений токов в ветвях схемы (рисунок 4), используя метод 2-х узлов.

 

 

Рисунок 4 – Электрическая цепь

 

По закону Ома токи в ветвях равны:

 

I1 = (E1 + Uaв)G1;

I2 = (E2 - Uaв)G2;

I3 = (E3 + Uaв)G3;

I4 = -UaвG4,

 

где - G1 = 1/(R1 + R5); G2 = 1/R2; G3 = 1/R3; G4 = 1/R4.

 

Напряжения между двумя узлами Uав:

n

Σ(±Еi·Gi).

i=1 -E1G1 + E2G2 - E3G3

Uав = -------------------- = -------------------------.

n G1 + G2 + G3 + G4

ΣGi

i=1

 

1.5 Расчет сложных электрических цепей постоянного тока методом

эквивалентного генератора напряжений

 

Данным методом целесообразно пользоваться, если необходимо определить только ток одной ветви. Сущность метода состоит в том, что любая сложная активная цепь представляется активным двухполюсником, внутренняя ЭДС которого равна напряжению холостого хода (х.х.) на рассматриваемом сопротивлении ветви, а внутреннее сопротивление – сопротивлению всей остальной

цепи при отключенной ветви и закороченных источниках ЭДС. На рисунке 5 по

казана электрическая цепь с вынесенной из нее ветвью, а на рисунке 6 – ее эквивалентная схема.

 

Рисунок 5 – Электрическая цепь Рисунок 6 – Эквивалентная цепь

 

Ток в i-й ветви определяется по формуле:

 

Uхх

Ii = ------------,

Rкз + Ri

 

где Uxx – напряжение холостого хода, В;

Rкз – внутреннее сопротивление цепи при отключенной нагрузке и закороченных источниках ЭДС, Ом;

Ri – сопротивление резистора, где определяется ток, Ом.

 

Напряжение Uxx эквивалентного генератора напряжения определяется расчетом электрической цепи при отключенной нагрузке любым из методов расчета.

Сопротивление Rкз определяется «сворачиванием» электрической цепи при отключенной нагрузке, предварительно закоротив все источники ЭДС исходной схемы.

 

Пример. Определить значение тока I5 в схеме на рисунке 7, а.

 

Определяем напряжение холостого хода Uхх (рисунок 7, б): по второму закону Кирхгофа.

 

Uxx – I2R2 + I1R1 = 0;

Uxx = I2R2 – I1R1.

Токи в ветвях (см. рисунок 7, б):

 

I1 = E / (R1 + R4); I2 = E / (R2 + R3).


 

Определяем величину сопротивления Rкз (рисунок 7, в):

 

R1R4 R2R3

Rкз = ----------- + -----------.

R1 + R4 R2 + R3

 

Определяем значение тока I5:

 

 

Uхх

I5 = ------------.

Rкз + R5

 

a) б) в)

 

Рисунок 7 – Электрическая цепь

 

2.6 Контрольная задача № 1

 

Для электрических схем, соответствующих номеру варианта и изображенных на рисунках 8 – 57 (номер рисунка указан в таблице 1), выполнить следующее:

– составить систему уравнений, необходимых для определения токов в ветвях по первому и второму законам Кирхгофа, не решая ее;

– найти все токи в ветвях, пользуясь методом контурных токов;

– составить баланс мощностей для заданной схемы;

– проверить правильность решения, применив метод двух узлов, предварительно упростив схему, заменив треугольник сопротивлений R4, R5, R6 эквивалентной звездой. Начертить расчетную схему с эквивалентной звездой и показать на ней токи;

– определить ток в резисторе R6 методом эквивалентного генератора напряжения;

– определить показание вольтметра;

– построить потенциальную диаграмму для внешнего контура.

 

 

Таблица 1 – Исходные данные

 

Номер Е1, В Е2, В Е3, В R1, Ом R2, Ом R3, Ом R4, Ом R5, Ом R6, Ом
вар. рис.
                     
                     
                     
                     
                     
                     
                     
                     
                     
                     
                     
                     
                     
                     
                     
                     
                     
                     
                     
                     
                     
                     
                     
                     
                     
                     
                     
                     
                     
                     
                     
                     
                     
                     
                     
                     
                     
                     
                     
                     

 

Продолжение таблицы 1

 

Номер Е1 В Е2 В Е3 В R1 Ом R2 Ом R3 Ом R4 Ом R5 Ом R6 Ом
вар. рис.
                     
                     
                     
                     
                     
                     
                     
                     
                     
                     
                     
                     
                     
                     
                     
                     
                     
                     
                     
                     
                     
                     
                     
                     
                     
                     
                     
                     
                     
                     
                     
                     
                     
                     
                     
                     
                     
                     
                     
                     

 

Продолжение таблицы 1

 

Номер Е1 В Е2 В Е3 В R1 Ом R2 Ом R3 Ом R4 Ом R5 Ом R6 Ом
вар. рис.
                     
                     
                     
                     
                     
                     
                     
                     
                     
                     
                     
                     
                     
                     
                     
                     
                     
                     
                     
                     
                     
                     
                     
                     
                     
                     
                     
                     
                     
                     
                     
                     
                     
                     
                     
                     
                     
                     
                     
                     

 

Продолжение таблицы 1

 

Номер Е1 В Е2 В Е3 В R1 Ом R2 Ом R3 Ом R4 Ом R5 Ом R6 Ом
вар. рис.
                     
                     
                     
                     
                     
                     
                     
                     
                     
                     
                     
                     
                     
                     
                     
                     
                     
                     
                     
                     
                     
                     
                     
                     
                     
                     
                     
                     
                     
                     
                     
                     
                     
                     
                     
                     
                     
                     
                     
                     

 

Продолжение таблицы 1

 

Номер Е1 В Е2 В Е3 В R1 Ом R2 Ом R3 Ом R4 Ом R5 Ом R6 Ом
вар. рис.
                     
                     
                     
                     
                     
                     
                     
                     
                     
                     
                     
                     
                     
                     
                     
                     
                     
                     
                     
                     
                     
                     
                     
                     
                     
                     
                     
                     
                     
                     
                     
                     
                     
                     
                     
                     
                     
                     
                     
                     

Рисунок 8 Рисунок 9

 

Рисунок 10 Рисунок 11

Рисунок 12 Рисунок 13

 

Рисунок 14 Рисунок 15

 

Рисунок 16 Рисунок 17

 

Рисунок 18 Рисунок 19

 

Рисунок 20 Рисунок 21

 

Рисунок 22 Рисунок 23

 

Рисунок 24 Рисунок 25

Рисунок 26 Рисунок 27

Рисунок 28 Рисунок 29

 

 

Рисунок 30 Рисунок 31

Рисунок 32 Рисунок 33

 

Рисунок 34 Рисунок 35

Рисунок 36 Рисунок 37

 

Рисунок 38 Рисунок 39

 

Рисунок 40 Рисунок 41

Рисунок 42 Рисунок 43

Рисунок 44 Рисунок 45

 

Рисунок 46 Рисунок 47

 

Рисунок 48 Рисунок 49

 

Рисунок 50 Рисунок 51

Рисунок 52 Рисунок 53

Рисунок 54 Рисунок 55

 

 

Рисунок 56 Рисунок 57

 

Список литературы

 

1 Электротехника: учебник / Под ред. В. Г. Герасимова. – М.: Высш. шк., 1985. – 480 с.

2 Касаткин, А.С. Электротехника: учеб. пособие. / А. С. Касаткин – М.: Энергоатомиздат, 1983. – 440 с.

3 Общая электро







Date: 2015-07-27; view: 918; Нарушение авторских прав



mydocx.ru - 2015-2026 year. (0.723 sec.) Все материалы представленные на сайте исключительно с целью ознакомления читателями и не преследуют коммерческих целей или нарушение авторских прав - Пожаловаться на публикацию