Главная Случайная страница


Полезное:

Как сделать разговор полезным и приятным Как сделать объемную звезду своими руками Как сделать то, что делать не хочется? Как сделать погремушку Как сделать так чтобы женщины сами знакомились с вами Как сделать идею коммерческой Как сделать хорошую растяжку ног? Как сделать наш разум здоровым? Как сделать, чтобы люди обманывали меньше Вопрос 4. Как сделать так, чтобы вас уважали и ценили? Как сделать лучше себе и другим людям Как сделать свидание интересным?


Категории:

АрхитектураАстрономияБиологияГеографияГеологияИнформатикаИскусствоИсторияКулинарияКультураМаркетингМатематикаМедицинаМенеджментОхрана трудаПравоПроизводствоПсихологияРелигияСоциологияСпортТехникаФизикаФилософияХимияЭкологияЭкономикаЭлектроника






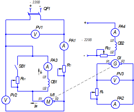
Описание лабораторной установки и порядок выполнения работы. Лабораторная установка состоит из испытуемого двигателя постоянного тока последовательного возбуждения М1 и нагружаемого его генератора постоянного тока





Лабораторная установка состоит из испытуемого двигателя постоянного тока последовательного возбуждения М1 и нагружаемого его генератора постоянного тока независимого возбуждения G1, автоматического выключателя QF1, проволочных реостатов RВ1, RВ2, предназначенных для изменения сопротивления в обмотках возбуждения двигателя постоянного тока последовательного возбуждения М1 и генератора c независимым возбуждением G1, проволочного реостата RП, предназначенного для изменения сопротивления в обмотке якоря двигателя М1, жидкостного реостата RН, выступающего в качестве нагрузки генератора G1, амперметров PA1, PA2, PА3 и PA4, вольтметров PV1, PV2 и PV3, однополюсного ключа SB1.

Схема лабораторной установки представлена на рисунке 4.1.

Перед снятием характеристик необходимо произвести запуск двигателя постоянного тока последовательного возбуждения с помощью автоматического выключателя QF1. При этом реостат RП должен быть введен (сопротивление имеет максимальную величину), a RB1 - выведен (сопротивление имеет минимальную величину). Так как работа машины на холостом ходе невозможна, нагрузочный генератор должен иметь выходную мощность РГ = Р2 ³ 0,2∙РДВ. После включения автоматического выключателя вывести реостат RП.

 

 

Рисунок 4.1 Схема лабораторной установки для исследования двигателя

постоянного тока последовательного возбуждения

 

4.1 Снятие естественных рабочих характеристик (SВ1 разомкнут)

 

Рабочие характеристики - это зависимости Р1, h, IЯ, w, M = f(P2). Изменение мощности на валу Р2 осуществляется изменением мощности нагрузочного генератора с помощью реостатов RH и RВ2.

Для построения рабочих характеристик снимается 5…8 значений измеряемых величин, от минимального значения тока до его номинального значения. Результаты помещаются в таблицу 4.1.

 

Таблица 4.1. Экспериментальные данные

 

UС, В UЯ+В, В IЯ, А UГ, В IГ, А n, мин-1
1            
2            
           






Date: 2015-07-24; view: 417; Нарушение авторских прав



mydocx.ru - 2015-2026 year. (1.033 sec.) Все материалы представленные на сайте исключительно с целью ознакомления читателями и не преследуют коммерческих целей или нарушение авторских прав - Пожаловаться на публикацию