Главная Случайная страница


Полезное:

Как сделать разговор полезным и приятным Как сделать объемную звезду своими руками Как сделать то, что делать не хочется? Как сделать погремушку Как сделать так чтобы женщины сами знакомились с вами Как сделать идею коммерческой Как сделать хорошую растяжку ног? Как сделать наш разум здоровым? Как сделать, чтобы люди обманывали меньше Вопрос 4. Как сделать так, чтобы вас уважали и ценили? Как сделать лучше себе и другим людям Как сделать свидание интересным?


Категории:

АрхитектураАстрономияБиологияГеографияГеологияИнформатикаИскусствоИсторияКулинарияКультураМаркетингМатематикаМедицинаМенеджментОхрана трудаПравоПроизводствоПсихологияРелигияСоциологияСпортТехникаФизикаФилософияХимияЭкологияЭкономикаЭлектроника






В. Расчет осадки свайного фундамента





· Сложность определения осадок свайного фундамента связана с тем, что они предают нагрузку на грунт основания одновременно через боковую поверхность и нижние концы свай. При этом соотношение предаваемых нагрузок зависит от многих факторов:

- числа свай в фундаменте

- их длины

- расстояния между сваями

- свойств грунта и степени его уплотнения при погружении свай.

Поэтому при расчете принимают упрощающие допущения, снижающие их точность. С другой стороны, чем точнее расчетная схема, тем сложнее методика расчета.

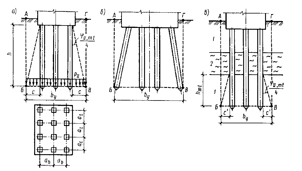
· В настоящее время в большинстве случаев свайный фундамент при расчете его осадок рассматривается как условный массивный
фундамент на естественном основании, т.е. все, что находится в пределах АБВГ (рис) рассматривается как единый массив.

 

– углы внутренниго трения для отдельнных пройденых свай и слоев грунта толщинами

 

Рис. 11.17. Схемы условных фундаментов для расчета по второй группе предельных состояний

 

 

· При наличии в фундаменте наклонных свай, плоскости АБ и ВГ проходят через их концы (рис. б). Размеры подошвы условного фундамента в этом случае определяются расстояниями между нижними концами наклонных свай.

· Если в пределах глубины погружения свай залегают слои торфа или ила толщиной более 30 см, то, поскольку трение в них принимается равным нулю, осадку свайного фундамента из висячих свай определяют с учетом уменьшенных габаритов условного фундамента (рис. в). Уширение учитывается только у слоев, залегающих ниже слоя торфа или ила.

· Во всех рассмотренных случаях при определении осадок расчетная нагрузка, передаваемая условным фундаментом на грунт основания, принимается равномерно распределенной.

Расчет осадки свайного фундамента, как условного массивного, выполняется теми же методами, что и расчет фундамента мелкого заложения. При этом также требуется выполнение условия. Чтобы среднее давление (Р) по подошве условного фундамента не превышало расчетное сопротивление грунта основания на данной глубине, т.е.

 

 

определяется, как и при расчете ФМЗ, но заменой фактической ширины и глубины заложения фундамента на условные.

Осадка свайного фундамента определяется, как правило, методом эксменторного суммирования.

 







Date: 2015-07-24; view: 588; Нарушение авторских прав



mydocx.ru - 2015-2026 year. (1.949 sec.) Все материалы представленные на сайте исключительно с целью ознакомления читателями и не преследуют коммерческих целей или нарушение авторских прав - Пожаловаться на публикацию