Главная Случайная страница


Полезное:

Как сделать разговор полезным и приятным Как сделать объемную звезду своими руками Как сделать то, что делать не хочется? Как сделать погремушку Как сделать так чтобы женщины сами знакомились с вами Как сделать идею коммерческой Как сделать хорошую растяжку ног? Как сделать наш разум здоровым? Как сделать, чтобы люди обманывали меньше Вопрос 4. Как сделать так, чтобы вас уважали и ценили? Как сделать лучше себе и другим людям Как сделать свидание интересным?


Категории:

АрхитектураАстрономияБиологияГеографияГеологияИнформатикаИскусствоИсторияКулинарияКультураМаркетингМатематикаМедицинаМенеджментОхрана трудаПравоПроизводствоПсихологияРелигияСоциологияСпортТехникаФизикаФилософияХимияЭкологияЭкономикаЭлектроника






Монтажный стык балки





Место выполнения монтажного стыка балки примерно в 1/3 пролёта балки.

Поскольку поднастильные балки ложатся на главную балку с шагом 100 см,то монтажный стык рационально расположить между двумя поднастильными балками (рис. 16.). Таким образом, монтажный стык главной балки располагаем на расстоянии х = 2,5 м от начала балки.

Рис. 16. Расположение монтажного стыка балки.

 

Определяем значения момента и поперечной силы в месте стыка (рис. 17):

Определяем момент, воспринимаемый полкой и стенкой главной балки:

, где

 

— полный момент в стыке;

— момент инерции двух поясов принятого сечения главной балки;

— момент инерции стенки главной балки;

— полный момент инерции сечения главной балки.

 

Рис. 17. Расчётная схема.

 

Определяем усилие, воспринимаемое горизонтальной накладкой:

В соответствии со СНиП II-23-81* “Стальные конструкции. Нормы проектирования” принимаем для накладок марку стали 18 пс, класс стали С245, .

Определяем сечение горизонтальной накладки:

Принимаем толщину накладки по сортаменту на прокатную сталь равную

.

Стык осуществляется на высокопрочных болтах из стали 38ХС.

Из СНиПа выбираем высокопрочный болт из стали 38ХС диаметром 20 мм и площадями:

;

— временное сопротивление.

Расчётное усилие, которое может быть воспринято каждой поверхностью трения соединяемых элементов, стянутых одним высокопрочным болтом, равняется:

, где

— расчётное сопротивление высокопрочного болта на растяжение. ;

— площадь болта нетто;

— коэффициент условий работы соединения ( при ; при ; при ) n — количество болтов;

— коэффициент надёжности;

— коэффициент трения, зависящий от характера обработки поверхностей соединяемых элементов.

Способ обработки — пескоструйный, статическая нагрузка, зазор между болтом и отверстием

Число высокопрочных болтов в соединении поясов:

, где

z — число поверхностей трения.

Принимаем чётное количество болтов и размещаем их как показано на рис. 18

 

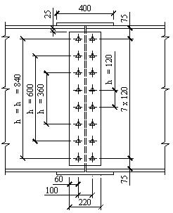
Рис. 18. Монтажный стык поясов.

 

Принимаем толщину вертикальной накладки равной 0,8 hw = 0,6 мм. Равномерно располагаем чётное количество болтов в один ряд на вертикальной накладке (рис. 19) с расстоянием между болтами а = 120 мм.

Рис. 19. Монтажный стык стенки.

 

Усилие, действующее на каждый болт, расположенный на половине накладки от поперечной силы:

Проверяем усилие, действующее в наиболее напряжённых крайних болтах от момента:

,где

— сумма квадратов расстояний между болтами, равноудалёнными от нейтральной оси балки.

Находим результирующее усилие в крайних болтах:

Находим необходимое количество рядов болтов:

Принимаем по одному ряду высокопрочных болтов с каждой стороны накладки.







Date: 2015-07-24; view: 1586; Нарушение авторских прав



mydocx.ru - 2015-2026 year. (0.327 sec.) Все материалы представленные на сайте исключительно с целью ознакомления читателями и не преследуют коммерческих целей или нарушение авторских прав - Пожаловаться на публикацию