Главная Случайная страница


Полезное:

Как сделать разговор полезным и приятным Как сделать объемную звезду своими руками Как сделать то, что делать не хочется? Как сделать погремушку Как сделать так чтобы женщины сами знакомились с вами Как сделать идею коммерческой Как сделать хорошую растяжку ног? Как сделать наш разум здоровым? Как сделать, чтобы люди обманывали меньше Вопрос 4. Как сделать так, чтобы вас уважали и ценили? Как сделать лучше себе и другим людям Как сделать свидание интересным?


Категории:

АрхитектураАстрономияБиологияГеографияГеологияИнформатикаИскусствоИсторияКулинарияКультураМаркетингМатематикаМедицинаМенеджментОхрана трудаПравоПроизводствоПсихологияРелигияСоциологияСпортТехникаФизикаФилософияХимияЭкологияЭкономикаЭлектроника






Исходные Данные для курсового проектирования





МИНИСТЕРСТВО ОБРАЗОВАНИЯ И НАУКИ РОССИЙСКОЙ ФЕДЕРАЦИИ

НАЦИОНАЛЬНЫЙ ИССЛЕДОВАТЕЛЬСКИЙ УНИВЕРСИТЕТ МЭИ

(МОСКОВСКИЙ ЭНЕРГЕТИЧЕСКИЙ ИНСТИТУТ)

ИНСТИТУТ ПРОБЛЕМ ЭНЕРГЕТИЧЕСКОЙ ЭФФЕКТИВНОСТИ

КАФЕДРА ПРОМЫШЛЕННЫХ ТЕПЛОЭНЕРГЕТИЧЕСКИХ СИСТЕМ

ЗАДАНИЕ НА КУРСОВОЙ ПРОЕКТ

Студент: Кузнецов А. В. Курс: 4. Группа: ФП-02-10.

Тема курсового проекта: ТЕПЛОСНАБЖЕНИЕ ЖИЛЫХ МИКРОРАЙОНОВ ГОРОДА ИРКУТСКА ОТ КОТЕЛЬНОЙ

Срок представления проекта к защите: «__15__»___апреля_______________________2014 г.

ИСХОДНЫЕ ДАННЫЕ ДЛЯ КУРСОВОГО ПРОЕКТИРОВАНИЯ

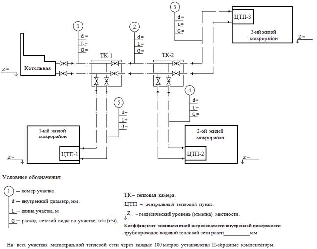
1. СХЕМА МАГИСТРАЛЬНОЙ ТЕПЛОВОЙ СЕТИ


2. ДАННЫЕ ПО ПОТРЕБИТЕЛЯМ ТЕПЛОТЫ

2.1. 1-ЫЙ ЖИЛОЙ МИКРОРАЙОН

· Тип жилых зданий микрорайона: Квартирного типа, оборудованные умывальниками, мойками, сидячими ваннами и душами.

· Количество этажей в жилых и общественных зданиях микрорайона: 6.

· Количество проживающих и работающих в микрорайоне: 22500 чел.

· Расчетная температура воздуха (t ) в помещениях жилых и общественных зданий микрорайона: 20 ˚С.

· Расчетная (максимальная) отопительная тепловая нагрузка жилых и общественных зданий микрорайона (Q ): 62 МВт.

2.2. 2-ОЙ ЖИЛОЙ МИКРОРАЙОН

· Тип жилых зданий микрорайона: Квартирного типа, оборудованные умывальниками, мойками, сидячими ваннами и душами.

· Количество этажей в жилых и общественных зданиях микрорайона: 4.

· Количество проживающих и работающих в микрорайоне: 22500 чел.

· Расчетная температура воздуха (t ) в помещениях жилых и общественных зданий микрорайона: 20 ˚С.

· Расчетная (максимальная) отопительная тепловая нагрузка жилых и общественных зданий микрорайона (Q ): 62 МВт.

2.3. 3-ИЙ ЖИЛОЙ МИКРОРАЙОН

· Тип жилых зданий микрорайона: Квартирного типа, оборудованные умывальниками, мойками, сидячими ваннами и душами.

· Количество этажей в жилых и общественных зданиях микрорайона: 5.

· Количество проживающих и работающих в микрорайоне: 22500 чел.

· Расчетная температура воздуха (t ) в помещениях жилых и общественных зданий микрорайона: 20 ˚С.

· Расчетная (максимальная) отопительная тепловая нагрузка жилых и общественных зданий микрорайона (Q ): 62 МВт.

 

 

3. СИСТЕМА ТЕПЛОСНАБЖЕНИЯ ЖИЛЫХ МИКРОРАЙОНОВ: Водяная, двухтрубная, открытая, со струйным смешением, с зависимой схемой присоединения отопительных установок.

Система теплоснабжения жилых микрорайонов 15 суток в году отключается на испытания и ремонты.

4. МЕТОД РЕГУЛИРОВАНИЯ ОТПУСКА ТЕПЛОТЫ: Центральный качественный, по отопи-тельной нагрузке.

В «зоне излома» температурного графика регулирование отопительной тепловой нагрузки Производится количественным методом.

 

5. ТЕМПЕРАТУРНЫЙ ГРАФИК РЕГУЛИРОВАНИЯ ОТОПИТЕЛЬНОЙ ТЕПЛОВОЙ НАГРУЗ-КИ В РАСЧЕТНОМ РЕЖИМЕ ( / ): 120/70 ˚С.

Температуру сетевой воды на входе в отопительные приборы жилых и общественных зданий микрорайонов в расчетном режиме () принять равной 95 ˚С.

СОДЕРЖАНИЕ ПОЯСНИТЕЛЬНОЙ ЗАПИСКИ КУРСОВОГО ПРОЕКТА

ВВЕДЕНИЕ.

1. ОПРЕДЕЛЕНИЕ ТЕПЛОВЫХ НАГРУЗОК ДЛЯ КАЖДОГО ПОТРЕБИТЕЛЯ ТЕПЛОТЫ.

2. ВЫЧИСЛЕНИЕ ГОДОВОГО РАСХОДА ТЕПЛОТЫ ДЛЯ ВСЕХ ПОТРЕБИТЕЛЕЙ ТЕПЛОТЫ (ГРАФИЧЕСКИМ И РАСЧЕТНЫМ СПОСОБОМ). ОПРЕДЕЛЕНИЕ ПОГРЕШНОСТИ РАСЧЕТНОГО СПОСОБА ВЫЧИСЛЕНИЯ ГОДОВОГО РАСХОДА ТЕПЛОТЫ (ПО СРАВНЕНИЮ С ГРАФИЧЕСКИМ).

3. РАСЧЕТ И ПОСТРОЕНИЕ ГРАФИКОВ ТЕМПЕРАТУР И РАСХОДОВ СЕТЕВОЙ ВОДЫ ДЛЯ СИСТЕМЫ ТЕПЛОСНАБЖЕНИЯ МИКРОРАЙОНОВ (ПРЕДСТАВИТЬ ПРИНЦИПИАЛЬНУЮ СХЕМУ СИСТЕМЫ ТЕПЛОСНАБЖЕНИЯ)

3.1. РАСЧЕТ РЕГУЛИРОВАНИЯ ОТПУСКА ТЕПЛОТЫ ДЛЯ СИСТЕМ ОТОПЛЕНИЯ ЖИЛЫХ И ОБЩЕСТВЕННЫХ ЗДАНИЙ. ОПРЕДЕЛЕНИЕ ОСНОВНЫХ ПОКАЗАТЕЛЕЙ КАЧЕСТВА ПОТРЕБЛЕНИЯ ТЕПЛОВОЙ ЭНЕРГИИ,

3.2. РАСЧЕТ МЕСТНОГО ПОДРЕГУЛИРОВАНИЯ ОТПУСКА ТЕПЛОТЫ ДЛЯ СИСТЕМ ГОРЯЧЕГО ВОДОСНАБЖЕНИЯ ЖИЛЫХ И ОБЩЕСТВЕННЫХ ЗДАНИЙ.

3.3. ОПРЕДЕЛЕНИЕ РАСХОДОВ СЕТЕВОЙ В ПОДАЮЩЕМ И ОБРАТНОМ ТРУБОПРОВОДАХ ТЕПЛОВОЙ СЕТИ. ВЫЧИСЛЕНИЕ СРЕДНЕВЗВЕШЕННОЙ ТЕМПЕРАТУРЫ СЕТЕВОЙ ВОДЫ В ОБРАТНОМ ТРУБОПРОВОДЕ ТЕПЛОВОЙ СЕТИ.

4. ГИДРАВЛИЧЕСКИЙ РАСЧЕТ ВОДЯНОЙ ТЕПЛОВОЙ СЕТИ (ДЛЯ РАСЧЕТНОГО И ЛЕТНЕГО РЕЖИМОВ РАБОТЫ).

5. ПОСТРОЕНИЕ ПЬЕЗОМЕТРИЧЕСКОГО ГРАФИКА ДЛЯ ВОДЯНОЙ ТЕПЛОВОЙ СЕТИ (ДЛЯ РАСЧЕТНОГО И ЛЕТНЕГО РЕЖИМОВ РАБОТЫ).

6. ВЫБОР СЕТЕВЫХ И ПОДПИТОЧНЫХ НАСОСОВ. ОПРЕДЕЛЕНИЕ СУММАРНЫХ И УДЕЛЬНЫХ ЗАТРАТ ЭЛЕКТРОЭНЕРГИИ НА ПЕРЕДАЧУ (ТРАНСПОРТИРОВКУ) ТЕПЛОВОЙ ЭНЕРГИИ.

7. ВЫБОР КОТЕЛЬНОГО ОБОРУДОВАНИЯ И ПРИНЦИПИАЛЬНОЙ СХЕМЫ КОТЕЛЬНОЙ

8. ОПРЕДЕЛЕНИЕ НОРМАТИВНЫХ ТЕПЛОВЫХ ПОТЕРЬ В ТЕПЛОВЫХ СЕТЯХ

ЗАКЛЮЧЕНИЕ.

СПИСОК ЛИТЕРАТУРЫ.

 







Date: 2015-07-24; view: 622; Нарушение авторских прав



mydocx.ru - 2015-2026 year. (1.031 sec.) Все материалы представленные на сайте исключительно с целью ознакомления читателями и не преследуют коммерческих целей или нарушение авторских прав - Пожаловаться на публикацию