Главная Случайная страница


Полезное:

Как сделать разговор полезным и приятным Как сделать объемную звезду своими руками Как сделать то, что делать не хочется? Как сделать погремушку Как сделать так чтобы женщины сами знакомились с вами Как сделать идею коммерческой Как сделать хорошую растяжку ног? Как сделать наш разум здоровым? Как сделать, чтобы люди обманывали меньше Вопрос 4. Как сделать так, чтобы вас уважали и ценили? Как сделать лучше себе и другим людям Как сделать свидание интересным?


Категории:

АрхитектураАстрономияБиологияГеографияГеологияИнформатикаИскусствоИсторияКулинарияКультураМаркетингМатематикаМедицинаМенеджментОхрана трудаПравоПроизводствоПсихологияРелигияСоциологияСпортТехникаФизикаФилософияХимияЭкологияЭкономикаЭлектроника






Расчет электрических цепей постоянного тока методом свертывания





В соответствии с методом свертывания, отдельные участки схемы упрощают и постепенным преобразованием приводят схему к одному эквивалентному (входному) сопротивлению, включенному к зажимам источника. Схема упрощается с помощью замены группы последовательно или параллельно соединенных сопротивлений одним, эквивалентным по сопротивлению. Определяют ток в упрощенной схеме, затем возвращаются к исходной схеме и определяют в ней токи.

Задание:

Для электрической цепи постоянного тока, электрические параметры элементов которой заданы в таблице 1:

методом эквивалентных преобразований определить токи In и напряжения Un во всех ветвях схемы,

Rэкв - эквивалентное сопротивление всей цепи (Ом);

I - общий ток цепи (А);

P - мощность всей цепи (Вт);

IPA1 - показания 1-го амперметра (А);

IPA2 - показания 2-го амперметра (А);

UPV1 - показания вольтметра (В);

Результаты расчетов свести в таблицу.

1. Произвести проверку расчетов, составив баланс мощности.

2. Считая напряжение источника питания неизменным, путем логических рассуждений пояснить, как изменяется показания всех приборов в цепи при увеличении сопротивления резистора R6.

 

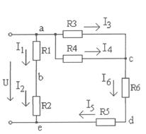
Рис.3.1

 

Табл.1 Исходные значения

R1 R2 R3 R4 R5 R6 U
(Ом) (Ом) (Ом) (Ом) (Ом) (Ом) (В)
             

Решение:

1.1. Принимая сопротивления вольтметра , а сопротивления амперметров , изображаем схему замещения (рис. 3.2),указав на ней направления токов во всех потребителях и обозначив характерные точки цепи (узлы и точки соединения потребителей).

Рис. 3.2

 

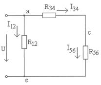
1.2. На схеме 2 находим элементы, соединенные последовательно или параллельно, определяем эквивалентные сопротивления и строим новую схему замещения (рис. 3.3).

Рис. 3.3

 

и соединены последовательно:

и соединены параллельно:

и соединены последовательно:

На схеме 3 находим элементы, соединенные последовательно или параллельно, определяем эквивалентные сопротивления и строим новую схему замещения (рис. 3.4).

Рис.3.4

 

и соединены последовательно:

1.3. На схеме 4 элементы соединены параллельно и подключены непосредственно к источнику питания. Определяем эквивалентное сопротивление всей цепи . По закону Ома находим общий ток и токи в ветвях ( и ). Определяем мощность всей цепи .

Проверка:

1.4. Возвращаемся к схеме 3 и определяем:

Проверка:

1.5. Возвращаемся к схеме 2 и находим:

1.6. Возвращаемся к исходной схеме и находим:

1.7. Составляем таблицу результатов:

 

Rэкв I1 I2 I3 I4 I5 I6 I P IPA1 IPA2 UPV1
(Ом) (А) (А) (А) (А) (А) (А) (А) (Вт) (А) (А) (В)
34,52 2,973 2,973 2,093 1,308 3,401 3,401 6,373   2,973 1,308 40,81

 

2. Уравнение баланса мощности записывается в виде где - мощность отдельных потребителей. Отсюда имеем:

Баланс сходится.

 

3. При увеличении сопротивления резистора R6 увеличится доля напряжения, падающая на этом резисторе в последовательном соединении. Поэтому показания вольтметра PV1 увеличатся. Увеличения сопротивления R6 вызовет увеличение сопротивления всей правой ветви цепи, следовательно ток в ней уменьшится, соответственно уменьшатся и показания амперметра PA1. Левая ветвь (R1 и R2) подключены непосредственно к источнику питания, поэтому показания PA1 не изменятся, т.к. не изменяется общее U0.

 







Date: 2015-07-24; view: 520; Нарушение авторских прав



mydocx.ru - 2015-2026 year. (1.272 sec.) Все материалы представленные на сайте исключительно с целью ознакомления читателями и не преследуют коммерческих целей или нарушение авторских прав - Пожаловаться на публикацию