Главная Случайная страница


Полезное:

Как сделать разговор полезным и приятным Как сделать объемную звезду своими руками Как сделать то, что делать не хочется? Как сделать погремушку Как сделать так чтобы женщины сами знакомились с вами Как сделать идею коммерческой Как сделать хорошую растяжку ног? Как сделать наш разум здоровым? Как сделать, чтобы люди обманывали меньше Вопрос 4. Как сделать так, чтобы вас уважали и ценили? Как сделать лучше себе и другим людям Как сделать свидание интересным?


Категории:

АрхитектураАстрономияБиологияГеографияГеологияИнформатикаИскусствоИсторияКулинарияКультураМаркетингМатематикаМедицинаМенеджментОхрана трудаПравоПроизводствоПсихологияРелигияСоциологияСпортТехникаФизикаФилософияХимияЭкологияЭкономикаЭлектроника






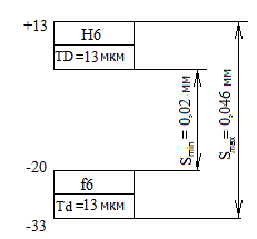
Расчет посадок в системе основного отверстия, 6-й квалитет





Ø30мм, квалитет 6, Ø55D10/h9

Поля допусков: вала: f6 , g6 , h6 , js6 , k6 , m6 , n6 ,

p6 , r6 , s6 , t6 ;

отверстия: G6 , H6 , Js6 , K6 , M6 , N6 , P6 .


Рисунок 1 - Графическое изображение системы отверстия, 7-й квалитет

a) Расчёт посадки с зазором:

Smax = Dmax - dmin = ES – ei; (1)

Smin = Dmim - dmax = es – EI; (2)

 

TS = Smax - Smin, (3)

где - наибольший и наименьший зазоры;

– наибольший и наименьший размеры отверстия и вала;

– верхние отклонения размеров отверстий и валов;

– нижние отклонения размеров отверстий и валов;

TS – допуск посадки с зазором;

Smax = (30 + 0,013) – (30 +(–0,033)) = 0,046 [мм];

Smin = (30 + 0) – (30 +(–0,020)) = 0,02 [мм];

TS = 0,046 – 0,02 = 0,026 [мм];

б) Расчёт посадки с натягом:

Nmax = dmax - Dmin =es – EI; (4)

Nmin = dmim - Dmax = ei– ES; (5)

TN = Nmax - Nmin, (6)

где Nmax - наибольший натяг; Nmin – наименьший натяг;

TN – допуск посадки;

Nmax = (30 + 0,054) – (30 +0) = 0,054 [мм];

Nmin = (30 + 0,041) – (30 +0,013) = 0,028 [мм];

TN = 0,054 – 0,028 = 0,026 [мм];

в) Расчёт переходной посадки:

TS (TN) = Nmax + Smax, (7)

где TS (TN) – допуск на переходную посадку.

Nmax = (30+ 0,0065) – (30 + 0) = 0,0065 [мм];

Изм.
Лист
№ докум.
Подпись
Дата
Лист
6
Д 290. 04.1.05.004.0000 ПЗ  

Smax = (30 + 0,013) – (18 + (-0,0065)) = 0,0195 [мм];

TS (TN) = 0,0065 + 0,0195 = 0,026 [мм];

 

Посадка с зазором

Посадка с натягом

Переходная посадка

Изм.
Лист
№ докум.
Подпись
Дата
Лист
7
Д 290. 04.1.05.004.0000 ПЗ  

Рисунок 2 - Графическое изображение посадок в системе основного отверстия, 6-й квалитет

 

Изм.
Лист
№ докум.
Подпись
Дата
Лист
8
Д 290. 04.1.05.004.0000 ПЗ  
1.2. Расчет посадок в системе основного вала, 6-й квалитет.

Рисунок 3 - Графическое изображение системы вала, 6-й квалитет

a) Расчёт посадки с зазором:

Smax = (30 + 0,020) – (30 – (-0,013)) = 0,033 [мм];

Smin = (30 + 0,007) – (30 +0) = 0,007 [мм];

TS = Smax - Smin = 0,033 – 0,007 = 0,026 [мм];

б) Расчёт посадки с натягом:

Nmax = (30 + 0) – (30 + (-0,031)) = 0,031 [мм];

Nmin = (30 – 0,013) – (30 + (– 0,018) = 0,005 [мм];

TN = 0,031 – 0,005 = 0,026 [мм];

в) Расчёт переходной посадки:

Nmax = (30 + 0) – (30 – 0,0065) = 0,0065 [мм];

Smax = (30 + 0,0065) – (30 – 0,013) = 0,0195 [мм];

TS (TN) = 0,0065 + 0,0195 = 0,026 [мм];

 

 

Изм.
Лист
№ докум.
Подпись
Дата
Лист
9
Д 290. 04.1.05.004.0000 ПЗ  
Посадка с зазором

Посадка с натягом

Переходная посадка

Рисунок 4 - Графическое изображение посадок в системе основного вала,

6-й квалитет


 

 

Изм.
Лист
№ докум.
Подпись
Дата
Лист
10
Д 290. 04.1.05.004.0000 ПЗ  
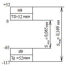
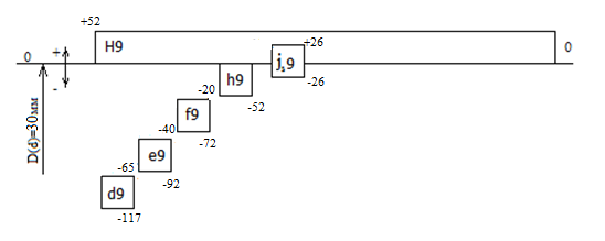
1.3. Расчет посадок в системе основного отверстия, 9-й квалитет

Ø30мм, 9-й квалитет, Ø55D10/h9

Поля допусков: вала: d9 , e9 , f9 , h9 , js ;

отверстия: D9 , E9 , F9 , H9 , Js9 .

Рисунок 5 - Графическое изображение системы отверстия, 9-й квалитет

а) Расчёт посадок с зазором:

Smax = (30 + 0,052) − (30 + (- 0,117)) = 0,169 [мм];

Smin = (30 + 0) – (30 + (- 0,065)) = 0,065[мм];

TS = 0,169 - 0,065=0,104 [мм];

б) Посадки с натягом нет.

в) Расчёт переходной посадки:

Nmax = (30 + 0,026) – (30 + 0) = 0,026[мм];

Smax = (30 + 0, 052) – (30 + (-0,026)) = 0,078[мм];

TS (TN) = 0,026 + 0,078 = 0,104 [мм];

 

 

Изм.
Лист
№ докум.
Подпись
Дата
Лист
11
Д 290. 04.1.05.004.0000 ПЗ  
Посадка с зазором

Переходная посадка

Рисунок 6 - Графическое изображение посадок в системе основного отверстия, 9-й квалитет

 

 







Date: 2015-07-24; view: 788; Нарушение авторских прав



mydocx.ru - 2015-2026 year. (0.609 sec.) Все материалы представленные на сайте исключительно с целью ознакомления читателями и не преследуют коммерческих целей или нарушение авторских прав - Пожаловаться на публикацию