Главная Случайная страница


Полезное:

Как сделать разговор полезным и приятным Как сделать объемную звезду своими руками Как сделать то, что делать не хочется? Как сделать погремушку Как сделать так чтобы женщины сами знакомились с вами Как сделать идею коммерческой Как сделать хорошую растяжку ног? Как сделать наш разум здоровым? Как сделать, чтобы люди обманывали меньше Вопрос 4. Как сделать так, чтобы вас уважали и ценили? Как сделать лучше себе и другим людям Как сделать свидание интересным?


Категории:

АрхитектураАстрономияБиологияГеографияГеологияИнформатикаИскусствоИсторияКулинарияКультураМаркетингМатематикаМедицинаМенеджментОхрана трудаПравоПроизводствоПсихологияРелигияСоциологияСпортТехникаФизикаФилософияХимияЭкологияЭкономикаЭлектроника






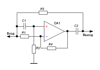
Усилитель с изменяемым коэффициентом усиления





Примем R1=R2=R3=R. И введем некую переменную А, которая может принимать значения от 1 до 0 в зависимости от поворота движка переменного резистора R3.
Тогда коэффициент усиления можно определить так:
K=2A-1
Входное сопротивление практически не зависит от положения движка переменного резистора.

Фильтр Высоких Частот (ФВЧ, High-Pass)
Требуется он для отсекания сигнала, частота которого ниже определенного порога, который называется, кстати, частотой среза.
Простейший ФВЧ выглядит так:

Первая схема с неинвертирующим включением ОУ, вторая - с инвертирующим.
Это фильтр первого порядка с ослаблением ненужного сигнала - крутизной - 6дБ на октаву. Определить частоту среза можно, рассчитывая реактивное сопротивление конденсатора. Когда оно станет равным сопротивлению резистора, включенного последовательно с конденсатором - это будет самое то.
Формула следующая:

Где F - частота в Герцах, C - емкость в Фарадах, Ec - сопротивление в Омах.
Если крутизна фильтра первого порядка кажется недостаточной, можно справить фильтр второго порядка - с крутизной 12 дБ на октаву как показано на рисунке.

Это - так называемый, фильтр Баттерворта. Назван так, в честь который его придумал.
Чтобы посчитать его граничную частоту можно воспользоваться следующими соотношениями:
R1=R2; С1=2С2;

При выборе резисторов надо учесть, что их номиналы должны лежать в пределах 10-100 кОм, поскольку выходное сопротивление фильтра растет вместе с частотой и если номиналы резисторов выходят за вышеуказанные рамки это может сказаться на работе фильтра. Отрицательно, разумеется - иначе зачем предупреждать?

Фильтр Низких Частот (ФНЧ, Low-Pass - как угодно)
Работа этого фильтра прямо противоположна предыдущему - он отрезает сигнал, частота которого выше частоты среза. В принципе, все то же самое, что и в предыдущем случае, только конденсатор включается не последовательно с резистором, а параллельно ему.

Первая схема - неинвертирующее включение, вторая - инвертирующее. Частота среза считается ровно таким же способом, как и в случае ФВЧ.

Ну и схема фильтра второго порядка - того же самого гражданина Баттерворта.

Опять же - считается все точно так же, как было описано выше.

Полосовой Фильтр (Band-Pass)
Полосовой фильтр применяется в тех случаях, когда необходимо выделить некую полосу частот из всего спектра. Например, в спектроанализаторах или вроде того.

Формулы расчета приводить тут не буду - дюже они забористые. Для расчета полосовых фильтром советую воспользоваться замечательной программой - Filter Wiz Pro от Schematica Software. Впрочем, ей так же можно воспользоваться и для расчетов любых других фильтров.

Фильтр-пробка (Notch Filter)
Если вам нужно ослабить (практически до нуля) некую выбранную частоту, то это фильтр как раз для вас.

Формула расчета вот такая:

где R=R3=R4, C=C1=C2;
При построении этого фильтра очень важна точность номиналов компонентов - от этого зависит степень "убивания" выбранной частоты. Так, при применении резисторов и конденсаторов с допуском 1%, можно получить ослабление частоты до 45дБ, хотя, теоретически, можно добиться и 60дБ. Например, если вы хотите грохнуть ненавистную всем частоту 50Гц, то берем следующие номиналы: R1=R2=10кОм, R3=R4=68кОм, С1=С2=47нФ.







Date: 2015-07-23; view: 1698; Нарушение авторских прав



mydocx.ru - 2015-2026 year. (0.418 sec.) Все материалы представленные на сайте исключительно с целью ознакомления читателями и не преследуют коммерческих целей или нарушение авторских прав - Пожаловаться на публикацию