Главная Случайная страница


Полезное:

Как сделать разговор полезным и приятным Как сделать объемную звезду своими руками Как сделать то, что делать не хочется? Как сделать погремушку Как сделать так чтобы женщины сами знакомились с вами Как сделать идею коммерческой Как сделать хорошую растяжку ног? Как сделать наш разум здоровым? Как сделать, чтобы люди обманывали меньше Вопрос 4. Как сделать так, чтобы вас уважали и ценили? Как сделать лучше себе и другим людям Как сделать свидание интересным?


Категории:

АрхитектураАстрономияБиологияГеографияГеологияИнформатикаИскусствоИсторияКулинарияКультураМаркетингМатематикаМедицинаМенеджментОхрана трудаПравоПроизводствоПсихологияРелигияСоциологияСпортТехникаФизикаФилософияХимияЭкологияЭкономикаЭлектроника






Метод перезарядд конденсатора





Присоединим конденсатор, емкость которого С, к источ­нику напряжения U. Конденсатор зарядится, и в нем нако­пится количество электричества q = CU. Если конденсатор переключить на магнитоэлектрический измеритель тока, то через него пройдет количество электричества q, вызвав отклонение указателя. Если конденсатор поочередно при­соединять к источнику напряжения для заряда и к измери­телю тока для разряда с частотой переключения f раз в секунду, то количество электричества, проходящее через амперметр при разряде, будет в f раз больше:

fq = fCU = I (3),

где I —среднее значение тока разряда. Отсюда следует, что ток в такой схеме прямо пропорционален частоте пере­ключения и при постоянном произведении CU шкалу амперметра можно градуировать в единицах частоты:

f=I/(CU) (4),

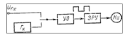
Структурная схема конденсаторного частотомера, в кото­ром использован этот метод (рис. 1), состоит из усилителя-ограничителя УО и Зарядно-разрядного устройства ЗРУ с магнитоэлектрическим индикатором. Кроме того, имеется генератор Гкдля калибровки частотомера на одной фиксированной частоте. На вход частотомера поступает напряжение измеряемой частоты. В усилителе-ограничителе оно принимает форму меандра. Меандр управ­ляет зарядно-разрядным устройством, схема которого приведена на рис. 2.

Рисунок 2- Схема счетного устройства конден­саторного частотомера

Транзистор Т работает в режиме ключа: когда он за­крыт, один ii3 конденсаторов С заряжается через резистор R, а когда транзистор открыт, тот же конденсатор разря­жается через транзистор. Зарядный ток протекает через магнитоэлектрический миллиамперметр, градуированный в единицах частоты. Конденсаторы С переключаются: минимальная и максимальная емкость определяет диапазон измеряемых частот, а число конденсаторов — число под-диапазонов.

Значение напряжения, до которого заряжается конден­сатор данного поддиапазона, в зависимости от измеряемой частоты и значения емкости конденсатора изменяется, и градуировка шкалы частотомера нарушается. Для устра­нения этого явления в зарядно-разрядном устройстве предусмотрена стабилизация напряжения заряда, которая осуществляется стабилитроном Дз; напряжение питаниятакже стабилизируется с помощью стабилитронов Д1 и Д2 Нижний предел измеряемых частот составляет 10 Гц;

при более низких частотах подвижная часть магнитоэлектри­ческого индикатора будет совершать механические колеба­ния в такт с измеряемой частотой. Верхний предел зависит от постоянной времени цепи заряда, определяемой не только сопротивлением резистора R и минимальной емко­стью конденсатора С, но и монтажными емкостями элемен­тов зарядно-разрядного устройства, и не превышает 1 МГц. Погрешность измерения зависит от класса точности миллиамперметра, остаточной нестабильности напряжения заряда конденсатора и составляет 1-2 %.

 

Резонансный метод

fx
ЭСв
ИК
ЭСв
Резонансный метод измерения частоты заключается в сравнении измеряемой частоты с собственной резонансной частотой градуированного измерительного колебательного

 

 

               
       


Рисунок 3-Структурная схема измерения частоты резонансным методом

 

 

 

контура. Этот метод применяется в диапазоне высоких и сверхвысоких частот. Структурная схема его реализации приведена на рис. 3. Источник напряжения измеряемой частоты fx с помощью эле­мента связи ЭСв соеди­няется с прецизионным из­мерительным контуром ИК, который настраивается в резонанс с частотой fx Момент резонанса фиксируется по максимальному по­казанию индикатора, при­соединенного к контуру через второй элемент связи. Из­меряемая частота определяется по градуированной шкале микрометрического механизма настройки с большим числом отсчетных точек. Контур и индикатор конструктивно объеди­нены в устройство, называемое резонансным частотомером. Если шкала механизма настройки градуирована в длинах волн, то такое устройство называют резонансным волноме­ром.

Схема резонансного частотомера (рис. 4) позволяет выявить источники погрешности измерения. Погрешность градуировки определяется качеством механизма настройки;

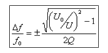
ее можно уменьшить путем предварительной градуировки шкалы частотомера с помощью образцовой меры. Неста­бильность частоты измерительного контура возникает вслед­ствие изменения его геометрических размеров под влиянием изменения температуры окружающей среды; ее можно вычислить по следующей формуле:


(5),

где D f — отклонение частоты от резонансной под влиянием изменения температуры на D T, К; a линейный темпе­ратурный коэффициент расширения материала контура; k — конструктивный коэффициент.

Нестабильность настройки кон­тура возникает также при изме­нении вносимых реактивных со­противлений со стороны источника fx и индикатора. Активные вноси­мые сопротивления уменьшают доб­ротность контура.

Рисунок 5-Резонансная кривая колебательного контура

Уменьшение влияния вносимых сопротивлений достигается ослаблением связи с источником fx и индикатором.

Неточность фиксации резонанса определяется значением добротности контура Q нагруженного измеритель­ного контура и разрешающей способностью индикатора. Из уравнения резонансной кривой (рис. 5) можно по­лучить формулу для расчета относительной погрешности от неточности фиксации резонанса:

(6),

Измерительный контур резонансного частотомера в зави­симости от диапазона частот, для которого он предназначен, выполняется с сосредоточенными или распределенными параметрами. Резонансные частотомеры с сосредоточенными параметрами в настоящее время полностью вытеснены циф­ровыми частотомерами, а с распределенными параметрами широко применяются в диапазоне СВЧ.

Резонансные частотомеры характеризуются диапазоном измерения частот, погрешностью и чувствительностью, т.е. минимальной мощностью, поглощаемой от источника измеряемой частоты, необходимой для уверенного отсчета показаний индикатора при резонансе.

Резонансные частотомеры с распределенными парамет­рами. Колебательный контур частотомера выполняют либо в виде отрезка коаксиальной линии, либо в виде объемного резонатора. Настройка коаксиальной линии производится изменением ее длины, объемного резонатора — изменением его объема.

 
 

Частотомеры с распределенными параметрами связы­вают с источниками измеряемой частоты через штыревую или рупорную антенну или через элементы связи в виде

Рисунок 6- Четвертьволновый резонансный частотомер

 

 
 

Рисунок 7- Резонансный часто­томер с нагруженной линией

 
 


петель; зондов, щелей и круглых отверстий. На входе частотомера часто включают аттенюаторы с переменным ослаблением для регулировки входной мощности. Иногда применяют направленные ответвители.

Индикатор частотомера состоит из полупроводникового (германиевого или кремниевого) диода и магнитоэлектри­ческого микроамперметра большой чувствительности. Связь диода с измерительным контуром осуществляется через петлю связи, располагаемую внутри коаксиальной линии или объемного резонатора. Если частотомер предназначен для использования при импульсной модуляции, то видео­импульсы, получившиеся после детектирования диодом, поступают на транзисторный усилитель и амплитудный вольтметр. Параллельно последнему можно включить осцил­лограф.

Коаксиальные частотомеры выполняют в основном двух типов: четвертьволновые и с нагруженной линией.

Четвертьволновый резонансный частотомер представляет собой разомкнутый отрезок коаксиальной линии (рис. 6). Настройка его осуществляется с помощью микрометрического механизма со шкалой, градуированной в единицах длины l. Резонанс, в линии наступает при l, равной нечет­ному числу четвертей длины волны.


(7)

где п = 0, 1, 2...

Отсчеты l1 и l2 соответствуют l/4 и 3l/4, поэтому их раз­ность равна половине длины волны. В общем случае

(8),

Четвертьволновые частотомеры применяются на часто­тах 600 МГц—10 ГГц. Погрешность измерения лежит в пределах 10-3-5*10-4.

Резонансный частотомер с нагруженной линией отли­чается от четвертьволнового тем, что разомкнутая коакси­альная линия нагружается емкостью С, образуемой торцами внутреннего и наружного проводников (рис. 7). Резонанс в нагруженной линии наступает при выполнении условия

(9),

где D — внутренний диаметр внешнего проводника; d— внешний диаметр внутреннего проводника: ρ — волновое сопротивление линии.

При настройке такого частотомера одновременно изме­няются и длина линии l, и емкость С. Перекрытие, по срав­нению с четвертьволновым частотомером, возрастает в 2— 3 раза. Двумя частотомерами с нагруженной линией пере­крывается диапазон частот от 150 до 1500 МГц. Измеряемую частоту определяют с помощью градуировочных таблиц или графиков. Погрешность измерения 5-10~3.

Резонансный частотомер с объемным резонатором на­страивается передвижением подвижного поршня (плунжера). Возбуждаемые внутри полости резонатора стоячие волны бывают различных типов. Это зависит от способа введения возбуждающего электромагнитного поля. При возбужде­нии цилиндрического резонатора через отверстие в центре торцевой стенки (рис. 8, а) возникают колебания типа H111. Из электродинамики известно, что собственная длина волны, в резонаторе связана с его диаметром а и высотой I следующей зависимостью:

(L/l)2+ l,37(l/d)2=(2/λ111) 2 (10),

Если положить l= d, то λ111=1,3 d.

При возбуждении полости резонатора через отверстие в ее боковой стенке возникают колебания типа H011 (рис. 8, б). Поле этих волн характерно отсутствием токов проводимости между торцевой и цилиндрической стенками резонатора, что позволяет применить для настройки бес­контактный плунжер. Проникающая при этом в нерабочее пространство за поршнем энергия поглощается предусмотренным

Рисунок 8- Схемы частотомеров с объемными резонаторами

для этой цели покрытием, нанесенным на левую (рис. 8, б) поверхность плунжера. Зависимость собствен­ной длины волны типа λ011 от размеров резонатора опре­деляется выражением

(l/ l) 2+ 5,94 ( l /d)2=(2/ λ011) 2 (11),

Если для этого резонатора также положить l= d, то λ011»0,76d.

Шкала настройки частотомеров с объемными резонато­рами градуируется с помощью измерительного генератора соответствующего диапазона частот. Следовательно, глав­ным источником погрешности градуировки является по­грешность установки частоты по шкале генератора. Чтобы не усугублять погрешность измерения неточностью настрой­ки в резонанс, добротность объемного резонатора доводят до очень высокого значения. Это достигается полировкой и золочением внутренней поверхности резонатора; при этом добротность достигает 10 000—30 000. Все же погреш­ность составляет 10-3—10-4. К недостаткам частотомеров с объемными резонаторами относится малое перекрытие, что приводит к необходимости иметь большое их число для измерения нужного диапазона частот.


Частотомеры с распределенными параметрами по спо­собу включения в измеряемую цепь разделяют на проходные и поглощающие. Проходной частотомер снабжен двумя элементами связи — входным для связи с электромагнит­ным полем и выходным для связи с индикатором. Момент настройки в резонанс определяют по максимальному пока­занию индикатора (рис. 9, а).

 

 

Поглощающий частотомер имеет один элемент связи — входной, а

Рисунок 9- Проходной (а) и поглощающий (б) часто­томеры

индикатор включают в линию передачи (рис. 9, б). Пока частотомер не настроен в резонанс, показания индикатора максимальны;

при настройке часть энергии поглощается в резонаторе и показания индикатора уменьшаются.

 

Метод сравнения

Метод сравнения для измерения частоты получил широ­кое распространение, благодаря его простоте, пригодности для использования практически в любом диапазоне частот и сравнительно высокой точности результата измерения. Измеряемая частота определяется по равенству или крат­ности образцовой частоте. Следовательно, для измерения частоты fx. методом сравнения необходимо иметь источник образцовых частот fобр индикатор равенства или крат­ности fx. и fобр. В качестве источника образцовых частот применяют образцовые меры частоты, так называемые стандарты частоты, с нестабильностью 109—1011 за 1 сут.

Для градуировки генераторов измерительных сигналов используют синтезаторы частоты и другие генераторы, погрешность установки частоты которых на порядок, а нестабильность частоты за 30 мин — на 3 порядка меньше, чем у градуируемого генератора.

Индикатором равенства или кратности частот может быть осциллограф или нелинейный преобразователь частоты;

Рисунок 10- К определению кратности частот

в соответствии с этим метод сравнения для измерения час­тоты реализуют двумя способами: осциллографическим и гетеродинным.







Date: 2015-07-23; view: 455; Нарушение авторских прав



mydocx.ru - 2015-2026 year. (0.996 sec.) Все материалы представленные на сайте исключительно с целью ознакомления читателями и не преследуют коммерческих целей или нарушение авторских прав - Пожаловаться на публикацию