Главная Случайная страница


Полезное:

Как сделать разговор полезным и приятным Как сделать объемную звезду своими руками Как сделать то, что делать не хочется? Как сделать погремушку Как сделать так чтобы женщины сами знакомились с вами Как сделать идею коммерческой Как сделать хорошую растяжку ног? Как сделать наш разум здоровым? Как сделать, чтобы люди обманывали меньше Вопрос 4. Как сделать так, чтобы вас уважали и ценили? Как сделать лучше себе и другим людям Как сделать свидание интересным?


Категории:

АрхитектураАстрономияБиологияГеографияГеологияИнформатикаИскусствоИсторияКулинарияКультураМаркетингМатематикаМедицинаМенеджментОхрана трудаПравоПроизводствоПсихологияРелигияСоциологияСпортТехникаФизикаФилософияХимияЭкологияЭкономикаЭлектроника






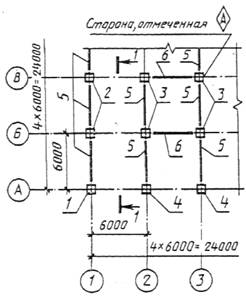
Схема расположения панелей стен





 

 

 

Схема расположения панелей стен, перегородок и других

Элементов жилого дома

 

 

Схема расположения колонн, ригелей и балок

Перекрытия на отм....

 

1 — 1

 

ПРИЛОЖЕНИЕ I1

Справочное

 

Пример заполнения ведомости деталей


ПРИЛОЖЕНИЕ 12

Справочное

 

ПРИМЕР ЗАПОЛНЕНИЯ ВЕДОМОСТИ РАСХОДА СТАЛИ, КГ

    Напрягаемая арматура Изделия арматурные   Изделия закладные    
  Марка класса Арматура класса     Арматура класса Прокат марки      
элемента А-IV     А-III   Вp-I   A-III ВСт3кп2      
  ГОСТ 5781—82 Итого ГОСТ 5781—82   ГОСТ 6727—80 Всего ГОСТ 5781—82 ГОСТ 103—76 ГОСТ 8510—86 Всего  
  Æ14 Æ16 Æ20   Æ6 Æ8 Æ10 Итого   Æ5 Итого   Æ16 Æ20 Итого —5Х14 —5Х16 Итого L75X50X5 Итого  
2БФ6— —АIVa 30,4 30,4 4,7 9,3 14,0 4,0 4,0 18,0 25,1 25,1 5,5 13,8 19,3 40,3 40,3 84,7
2БФ6— —5АIVа 14,8 14,8 4,7 2,0 6,7 7,1 7,1 13,8 30,6 15,3 45,9 2,8 2,8 45,3 45,3 94,0
2БФ6— —9АIVа 18,0 18,0 4,7 8,7 13,4 4,0 4,0 17,4 41,2 15,8 57,0 3,2 3,2 38,1 38,1 98,3

 


ПРИЛОЖЕНИЕ 13

Справочное

 







Date: 2015-07-23; view: 516; Нарушение авторских прав



mydocx.ru - 2015-2026 year. (0.182 sec.) Все материалы представленные на сайте исключительно с целью ознакомления читателями и не преследуют коммерческих целей или нарушение авторских прав - Пожаловаться на публикацию