Главная Случайная страница


Полезное:

Как сделать разговор полезным и приятным Как сделать объемную звезду своими руками Как сделать то, что делать не хочется? Как сделать погремушку Как сделать так чтобы женщины сами знакомились с вами Как сделать идею коммерческой Как сделать хорошую растяжку ног? Как сделать наш разум здоровым? Как сделать, чтобы люди обманывали меньше Вопрос 4. Как сделать так, чтобы вас уважали и ценили? Как сделать лучше себе и другим людям Как сделать свидание интересным?


Категории:

АрхитектураАстрономияБиологияГеографияГеологияИнформатикаИскусствоИсторияКулинарияКультураМаркетингМатематикаМедицинаМенеджментОхрана трудаПравоПроизводствоПсихологияРелигияСоциологияСпортТехникаФизикаФилософияХимияЭкологияЭкономикаЭлектроника






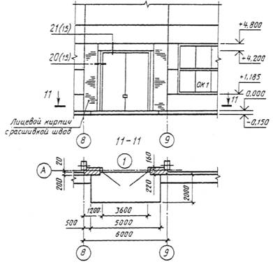
Пример выполнения разреза жилого дома





Разрез 1-1

ПРИЛОЖЕНИЕ 5

Справочное

 

Пример выполнения фасада и фрагмента фасада

Производственного здания

 

Фасад 1-22.

Фрагмент 3 фасада

 

 

 

Пример выполнения фасада жилого дома

 

Фасад 10-5

ПРИЛОЖЕНИЕ 6

Справочное

 

Пример выполнения плана полов

ПРИЛОЖЕНИЕ 7

Справочное

 

Пример выполнения плана кровли

ПРИЛОЖЕНИЕ 8

Справочное

 

Пример выполнения схемы расположения элементов,

Сборных перегородок

Схема...

ПРИЛОЖЕНИЕ 9

Справочное

 

Пример выполнения схемы расположения элементов

Заполнения оконного проема

ОК-2

ПРИЛОЖЕНИЕ 10

Справочное

 

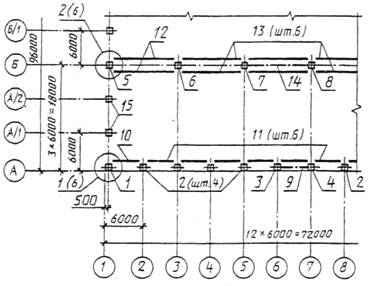
ПРИМЕРЫ ВЫПОЛНЕНИЯ СХЕМ РАСПОЛОЖЕНИЯ ЭЛЕМЕНТОВ СБОРНЫХ КОНСТРУКЦИЙ

Схема расположения элементов фундаментов

И фундаментных балок

 

 

Схема расположения колонн и подкрановых балок

 

 

Схема расположения плит покрытия

 

 

 







Date: 2015-07-23; view: 569; Нарушение авторских прав



mydocx.ru - 2015-2026 year. (1.085 sec.) Все материалы представленные на сайте исключительно с целью ознакомления читателями и не преследуют коммерческих целей или нарушение авторских прав - Пожаловаться на публикацию