Главная Случайная страница


Полезное:

Как сделать разговор полезным и приятным Как сделать объемную звезду своими руками Как сделать то, что делать не хочется? Как сделать погремушку Как сделать так чтобы женщины сами знакомились с вами Как сделать идею коммерческой Как сделать хорошую растяжку ног? Как сделать наш разум здоровым? Как сделать, чтобы люди обманывали меньше Вопрос 4. Как сделать так, чтобы вас уважали и ценили? Как сделать лучше себе и другим людям Как сделать свидание интересным?


Категории:

АрхитектураАстрономияБиологияГеографияГеологияИнформатикаИскусствоИсторияКулинарияКультураМаркетингМатематикаМедицинаМенеджментОхрана трудаПравоПроизводствоПсихологияРелигияСоциологияСпортТехникаФизикаФилософияХимияЭкологияЭкономикаЭлектроника






Необходимые инструменты и материалы





Для проведения работы необходимы:

· испытательная машина,

· штангенциркуль,

· образцы различных металлических материалов.

   
 


Для проведения испытаний могут быть использованы специальные или универсальные испытательные машины. Рассмотрим устройство испытательной машины на примере УММ-5 (Рис. 3.3, 3.4)

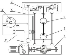
Рис. 3.3. Испытательная машина УММ-5

1 – место установки образца (кулачки); 2 – вращающийся винт; 3 – рукоятка переключения передач (используется 3 передачи); 4 – шкала динамометра; 5 – место выхода динамограмм

Рис. 3.4. Схема испытательной машины УММ-5

Машина УММ-5 имеет электромеханический привод (1) подвижного захвата (2), скорость перемещения которого может быть установлена с помощью рычага коробки скоростей.

С неподвижным захватом (3) связан рычажно-маятниковый силоизмеритель (4).

Возрастание усилия в верхнем неподвижном захвате (3) вызывает соответствующее отклонение маятника (5), происходит уравновешивание. Величина усилия показывается стрелкой на круговой шкале (6).

Рис.3.6. Круговая шкала и диаграммный аппарат

Машина имеет диаграммный аппарат (7), позволяющий записывать при испытании кривую деформации в координатах «сила – деформация».

 







Date: 2015-07-22; view: 866; Нарушение авторских прав



mydocx.ru - 2015-2026 year. (0.669 sec.) Все материалы представленные на сайте исключительно с целью ознакомления читателями и не преследуют коммерческих целей или нарушение авторских прав - Пожаловаться на публикацию