Главная Случайная страница


Полезное:

Как сделать разговор полезным и приятным Как сделать объемную звезду своими руками Как сделать то, что делать не хочется? Как сделать погремушку Как сделать так чтобы женщины сами знакомились с вами Как сделать идею коммерческой Как сделать хорошую растяжку ног? Как сделать наш разум здоровым? Как сделать, чтобы люди обманывали меньше Вопрос 4. Как сделать так, чтобы вас уважали и ценили? Как сделать лучше себе и другим людям Как сделать свидание интересным?


Категории:

АрхитектураАстрономияБиологияГеографияГеологияИнформатикаИскусствоИсторияКулинарияКультураМаркетингМатематикаМедицинаМенеджментОхрана трудаПравоПроизводствоПсихологияРелигияСоциологияСпортТехникаФизикаФилософияХимияЭкологияЭкономикаЭлектроника






Аккумуляторная батарея





Аккумуляторная батарея является источником питания при неработающем двигателе. Клемма «—» ба­тареи соединяется с «массой» мотоцикла. Обратное под­ключение клемм недопустимо, так как приводит к выхо­ду из строя электронных приборов, других узлов эле­ктрооборудования и самой батареи.

Приведение в действие, эксплуатация и обслужива­ние батареи описаны в прикладываемой инструкции по эксплуатации батареи аккумуляторной.

Параллельно аккумуляторной батарее подключен конденсатор емкостью 2200 мкф, предназначенный для сглаживания пульсаций выпрямленного напряжения и обеспечения нормальной работы потребителей электро­энергии мотоцикла при выходе из строя аккумуляторной батареи или ее отсутствии.

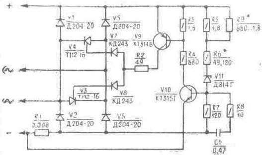
Выпрямитель-регулятор напряжения

Выпрямитель-регулятор напряжения (рис. 31) или регулятор напряжения предназначен для выпрямле­ния переменного тока генератора, поддержания напря­жения генератора, в заданных пределах и обеспечения надежной работы всей системы электрооборудования, подключение которых в систему различно (см. схему электрическую в приложении 7).

Рис. 31. Схема выпрямителя-регулятора напряжения БПВ 21-15

Во избежание нарушения теплового режима работы выпрямителя-регулятора периодически (не реже одного раза в шесть месяцев) необходимо очищать его щеткой от пыли и других загрязнений. Не допускается чистить металлическими предметами и нарушать заводскую пломбу в период гарантийного пробега мотоцикла.

Установка зажигания

Начальный угол опережения зажигания определен взаимным расположением датчика зажигания и ротора генератора, в процессе эксплуатации регулировке не подлежит. При работе двигателя система зажигания автоматически изменяет угол опережения зажигания в зависимости от оборотов коленчатого вала.







Date: 2015-07-10; view: 430; Нарушение авторских прав



mydocx.ru - 2015-2026 year. (0.676 sec.) Все материалы представленные на сайте исключительно с целью ознакомления читателями и не преследуют коммерческих целей или нарушение авторских прав - Пожаловаться на публикацию