Главная Случайная страница


Полезное:

Как сделать разговор полезным и приятным Как сделать объемную звезду своими руками Как сделать то, что делать не хочется? Как сделать погремушку Как сделать так чтобы женщины сами знакомились с вами Как сделать идею коммерческой Как сделать хорошую растяжку ног? Как сделать наш разум здоровым? Как сделать, чтобы люди обманывали меньше Вопрос 4. Как сделать так, чтобы вас уважали и ценили? Как сделать лучше себе и другим людям Как сделать свидание интересным?


Категории:

АрхитектураАстрономияБиологияГеографияГеологияИнформатикаИскусствоИсторияКулинарияКультураМаркетингМатематикаМедицинаМенеджментОхрана трудаПравоПроизводствоПсихологияРелигияСоциологияСпортТехникаФизикаФилософияХимияЭкологияЭкономикаЭлектроника






Карбюратор





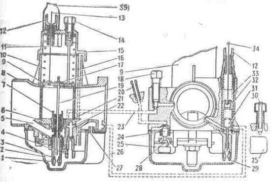
Схема карбюратора показана на рис. 15.

В процессе эксплуатации мотоцикла необходимо про­верять и регулировать работу двигателя при минималь­ной частоте вращения коленчатого вала на холостом хо­ду, послушность двигателя рукоятке управления дрос­селем.

Регулировка частоты вращения коленчатого пала на холостом ходу имеет большое значение, так как система холостого хода действует как на малых, так и на пол­ных- нагрузках двигателя. Количество топлива, подава­емого системой холостого хода, на режиме полного от­крытия дросселя составляет 5-10 %, а на режиме частич­ного открытия дросселя — 10-15 % от общего количества топлива, потребляемого двигателем.

Регулирование частоты вращения коленчатого вала на холостом ходу производить в следующем порядке:

· до пуска двигателя желательно регулировочным вин­том 14 (рис. 15) установить дроссель 9 в такое положение, чтобы между его кромкой и стенкой камеры 6 был зазор 1,5...2,0 мм. Зазор устанавливается при снятом карбюраторе. До установки зазора необходимо убеди­ться, что дроссель 9 свободно перемещается и под дей­ствием пружины 10 полностью перекрывает смеситель­ную камеру 6;

· завернуть регулировочный винт 18 полностью, а за­тем вывернуть на пол-оборота-оборот;

· пустить двигатель, прогреть его и установить минимальные устойчивые обороты винтом 14;

· медленно выворачивать винт 18, частота вращения коленчатого вала вначале будет возрастать, а затем сни­жаться. Момент начала снижения частоты вращения коленчатого вала указывает на оптимальное положение регулировочного винта 18 для данного положения дросселя;

· ввертывая винт 14, снова снизить частоту вращения коленчатого вала и для нового положения дросселя най­ти указанным выше способом оптимальное положение винта 18.

Если частота вращения коленчатого вала велика, эту операцию повторять до тех пор, пока не будет полу­чена минимальная, устойчивая частота вращения колен­чатого вала.

Правильность выбранной регулировки на холостом ходу проверять резким открытием и закрытием дроссе­ля. Если двигатель при резком открытии дросселя глох­нет или плохо набирает обороты, смесь нужно слегка обогатить незначительным завертыванием винта 18. Если двигатель глохнет при резком закрытии дросселя, смесь следует обеднить отворачиванием винта.

При эксплуатации мотоцикла в различных дорожных и метеорологических условиях необходимо обогащать или обеднять смесь изменением положения дозирующей иглы 19 в дросселе 9. При опускании иглы смесь обед­няется, при поднятии — обогащается. Обеднение смеси производить при эксплуатации мотоцикла на высоте от 2000 м и более над уровнем моря, а также в отдель­ных случаях по мере износа распылителя 3: При темпе­ратуре ниже минус 15 °С иглу поднять на одно - два деления.

Правильность выбранной регулировки карбюратора проверять по цвету изолятора и центрального электрода свечей:

· черный цвет нагара — богатая смесь;

· светло-желтый, песочный или белесый — бедная смесь;

· коричневый или кирпичный — нормальная смесь.

При отрицательных температурах после пуска дви­гателя до его полного прогрева пользуйтесь топливным корректором, который при повороте рычага до 50% от общего хода обеспечивает необходимое обогащение смеси. При дальнейшем повороте рычага топливный кор­ректор работает как пусковое устройство.

Обслуживание карбюратора состоит в периодической очистке и промывке его деталей и каналов от грязи и смолистых отложений. Промыть детали и каналы чистым бензином, а при наличии обильных смолистых отложе­ний — растворителем для нитрокрасок. Промытые дета­ли и каналы продуть струей сжатого воздуха. Не про­чищать жиклеры и отверстия карбюратора проволокой и другими металлическими предметами.

При эксплуатации мотоцикла следить за состоянием карбюратора. Обнаружив даже незначительное подтекание топлива, подтянуть крепежные детали. Постоянное подтекание топлива через дренажное отверстие 27 свидетельствует о негерметичности запорной иглы топливного клапана 24, поплавка 25 или повышенном уровне топлива в поплавковой камере. Для устранения подтекания топлива промыть поплавковую камеру, топливоподводящий канал, проверить состояние эластичной шайбы на клапане, герметичность поплавка 25, отрегулировать уровень топлива, подгибая кронштейн крепле­ния запорной иглы 28.

Уровень топлива в поплавковой камере определяет­ся (при снятой крышке) положением плоскости сим­метрии поплавка на расстоянии 13±1,5 мм от плоскости установки крышки поплавковой камеры. При этом кар­бюратор расположить поплавком вверх.


Регулировка свободного хода троса дросселя 13 кар­бюратора (рис. 15) производится направляющей троса 12 в следующем порядке:

· сдвинуть резиновый защитный чехол 35 по обо­лочке троса, отвернуть контргайку направляющей и, за­ворачивая или отворачивая направляющую, установить свободное перемещение оболочки в пределах 1...2 мм;

· завернуть контргайку и надеть чехол на направ­ляющую троса;

· проверить свободный ход троса дозатора насоса;

Рис. 15. Схема карбюратора:

1 — жиклер топливный главной системы; 2 — крышка поплавковой камеры; 3 — распылитель главной системы; 4 — жиклер топливный холостого хода; 5 — воздушный канал главной сис­темы; 6 — смесительная камера; 7 — корпус распылителя глав­ной системы; 8 — корпус карбюратора; 9 — дроссель; 10 — пружина дросселя; 11 — упор-ограничитель подъема дросселя; 12 — направляющая троса; 13 — трос дросселя; 14 — регули­ровочный винт подъема дросселя; 15 — крышка карбюратора; 16 — балансировочный канал поплавковой камеры; 17 — замок иглы; 18 — винт регулировочный холостого хода; 19 — доти­рующая игла; 20 — топливоподводящий штуцер; 21 — отвер­стие переходное системы холостого хода; 22 — эмульсионный канал системы холостого хода; 23 — воздушный канал системы холостого хода; 24 — запорная игла топливного клапана; 25 — поплавок; 26 — эмульсионный канал пускового устройства; 27 — дренажное отверстие; 28 — кронштейн крепления запор­ной иглы; 29 — топливный жиклер корректора; 30 — утопитель поплавка; 31 — игла дозирующая пускового устройства; 32 — плунжер пускового устройства; 33 — пружина плунжера; 34 — трос управления корректором: 35 — чехол защитный







Date: 2015-07-10; view: 388; Нарушение авторских прав



mydocx.ru - 2015-2026 year. (0.419 sec.) Все материалы представленные на сайте исключительно с целью ознакомления читателями и не преследуют коммерческих целей или нарушение авторских прав - Пожаловаться на публикацию