Главная
Случайная страница
Полезное:
Как сделать разговор полезным и приятным
Как сделать объемную звезду своими руками
Как сделать то, что делать не хочется?
Как сделать погремушку
Как сделать так чтобы женщины сами знакомились с вами
Как сделать идею коммерческой
Как сделать хорошую растяжку ног?
Как сделать наш разум здоровым?
Как сделать, чтобы люди обманывали меньше
Вопрос 4. Как сделать так, чтобы вас уважали и ценили?
Как сделать лучше себе и другим людям
Как сделать свидание интересным?
Категории:
АрхитектураАстрономияБиологияГеографияГеологияИнформатикаИскусствоИсторияКулинарияКультураМаркетингМатематикаМедицинаМенеджментОхрана трудаПравоПроизводствоПсихологияРелигияСоциологияСпортТехникаФизикаФилософияХимияЭкологияЭкономикаЭлектроника
|
ПРИЛОЖЕНИЕ А. Таблица А.1-Ряды нормальных линейных размеров (ГОСТ 6636-69), мм Ra5 Ra10 Ra20 Ra40 Допол- нитель- ные раз-
Таблица А.1-Ряды нормальных линейных размеров (ГОСТ 6636-69), мм
| Ra 5
| Ra 10
| Ra 20
| Ra 40
| Допол-
нитель-
ные раз-
меры
| Ra 5
| Ra 10
| Ra 20
| Ra 40
| Допол-
нитель-
ные раз-
меры
| | 1,0
| 1,0
| 1,0
| 1,0
|
|
| 2,0
| 2,0
| 2,0
|
| | 1,05
| 2,1
| 2,05
| | 1,1
| 1,1
| 2,2
| 2,2
| 2,15
| | 1,15
| 2,4
| 2,3
| | 1,2
| 1,2
| 1,2
| 1,25
| 2,5
| 2,5
| 2,5
| 2,5
|
| | 1,3
| 1,35
| 2,6
| 2,7
| | 1,4
| 1,4
| 1,45
| 2,8
| 2,8
| 2,9
| | 1,5
| 1,55
| 3,0
| 3,1
| | 1,6
| 1,6
| 1,6
| 1,6
| 1,65
| 3,2
| 3,2
| 3,2
| 3,3
| | 1,7
| 1,75
| 3,4
| 3,5
| | 1,8
| 1,8
| 1,85
| 3,6
| 3,6
| 3,7
| | 1,9
| 1,95
| 3,8
| 3,9
| | 4,0
| 4,0
| 4,0
| 4,0
| 4,1
|
|
|
|
|
| | 4,2
| 4,4
|
|
| | 4,5
| 4,5
| 4,6
|
|
|
| | 4,8
| 4,9
|
|
| | 5,0
| 5,0
| 5,0
| 5,2
|
|
|
|
| | 5,3
| 5,5
|
|
| | 5,6
| 5,6
| 5,8
|
|
|
| | 6,0
| 6,2
|
|
| | 6,3
| 6,3
| 6,3
| 6,3
| 6,5
|
|
|
|
|
| | 6,7
| 7,0
|
|
| | 7,1
| 7,1
| 7,3
|
|
|
| | 7,5
| 7,8
|
|
| | 8,0
| 8,0
| 8,0
| 8,2
|
|
|
|
| | 8,5
| 8,8
|
|
| | 9,0
| 9,0
| 9,2
|
|
|
| | 9,5
| 9,8
|
|
| |
|
|
|
| 10,2
|
|
|
|
|
| | 10,5
| 10,8
|
|
| |
|
| 11,2
|
|
|
| | 11,5
| 11,8
|
|
| |
|
|
| 12,5
|
|
| |
| 13,5
|
|
|
| |
|
| 14,5
|
|
| |
| 15,5
|
|
|
| |
|
|
|
| |
|
|
|
| 16,5
|
|
|
|
|
| |
| 17,5
|
|
| |
|
| 18,5
|
|
|
| |
| 19,5
|
|
| |
|
|
| 20,5
|
|
|
| |
| 21,5
|
|
| |
|
|
|
|
|
| |
|
|
|
| |
|
|
|
|
|
|
|
|
|
| |
|
|
|
| |
|
|
|
|
|
| |
|
|
|
| |
|
|
|
|
|
|
|
|
| |
|
|
|
|
| |
|
|
|
|
|
| |
|
|
|
|
|
Таблица А.2 - Номинальные размеры «под ключ» (ГОСТ 6424-73), мм

3,2 5,5 10 17 24 32 46 60 75 90
4 7 12 19 27 36 50 65 80 95
5 8 14 22 30 41 55 70 85 100
Таблица А.3 - Нормальные диаметры общего назначения (ГОСТ 6636-69), мм
0,5 3 11 21 35 52 78 105 155 210 310 410
0,8 3,5 12 22 36 55 89 110 160 220 320 420
1 4 13 23 38 58 82 115 165 230 330 430
1,2 4,5 14 24 40 60 85 120 170 240 340 440
1,5 5 15 25 42 62 88 125 175 250 350 450
1,8 6 16 26 44 65 90 130 180 260 360 460
2 7 17 28 45 68 92 135 185 270 370 470
2,2 8 18 30 46 70 95 140 190 280 380 480
2,5 9 19 32 48 72 98 145 195 290 390 490
2,8 10 20 34 50 75 100 150 200 300 400 500
Примечание: Рекомендуется применять в первую очередь диаметры, оканчивающиеся на 0, во вторую – на 5, а в третью – на 2 и 8.
Таблица А.4 - Нормальные конусности (из ГОСТ 8593-57)

| «К»
| 1:50
| 1:30
| 1:20
| 1:15
| 1:10
| 1:7
| 1:5
| 1:3
| 1:1,8
| 1:1,2
| 1:0,86
| | «a»
| 1º10
| 2°
| 3º
| 3º40
| 4º40
| 8°
| 11º20
| 19º
| 30º
| 45º
| 60º
|
Таблица А.5 - Номинальный размер фасок «с» радиусов «R» скруглений
(из ГОСТ 10948-64), мм

1 ряд: 0,40; 0,60; 1,0; 1,6; 2,5; 4,0; 6,0; 10; 16; 25; 40; 63; 100.
2 ряд: 0,5; 0,8; 1,0; 1,2; 1,6; 2,0; 2,5; 3,0; 4,0; 5,0; 6,0; 8,0; 10; 12; 16; 20; 25; 32; 40; 50; 63; 80; 100
Таблица А.6 - Резьба метрическая для диаметров 1-600 мм
(по ГОСТу 8724-58). Диаметры и шаги. Размеры в мм.
| Диаметр d
| Шаг S
| | 1-й ряд
| 2-й ряд
| 3-й ряд
| Крупный
| Мелкий
| |
|
|
| 0,7
| 0,5
| |
| 4,5
|
| (0,75)
| 0,5
| |
|
|
| 0,8
| 0,5
| |
|
| (5,5)
|
| 0,5
| |
|
|
|
| 0,75; 0,5
| |
|
|
|
| 0,75; 0,5
| |
|
|
| 1,25
| 1; 0,75; 0,5
| |
|
|
| (1,25)
| 1; 0,75; 0,5
| |
|
|
| 1,5
| 1,25; 1; 0,75; 0,5
| |
|
|
| (1,5)
| 1; 0,75; 0,5
| |
|
|
| 1,75
| 1,5; 1,25; 1; 0,75; 0,5
| |
|
|
|
| 1,5; 1,25; 1; 0,75; 0,5
| |
|
|
|
| 1,5; (1)
| |
|
|
|
| 1,5; 1; 0,75; 0,5
| |
|
|
|
| 1,5; (1)
| |
|
|
|
| 1,5; 1; 0,75; 0,5
| |
|
|
| 2,5
| 2; 1,5; 1; 0,75; 0,5
| |
|
|
| 2,5
| 2; 1,5; 1; 0,75; 0,5
| |
|
|
| 2,5
| 2; 1,5; 1; 0,75;
| |
|
|
|
| 2; 1,5; (1)
| |
|
| (26)
|
| 2; 1,5;
| |
|
|
|
| 2; 1,5; 1; 0,75;
| |
|
| (28)
|
| 2; 1,5; 1
| |
|
|
| 3,5
| (3); 2; 1,5; 1; 0,75
| |
|
| (32)
|
| 2; 1,5
| |
|
|
| 3,5
| (3); (2); 1,5
| |
|
|
|
| 1,5; 1; 0,75
| |
|
|
|
| 3;2; 1,5; 1
| |
|
| (38)
|
| 1,5
| |
|
|
|
| 3;2; 1,5; 1
| |
|
|
|
| (3); (2); 1,5
| |
|
|
| 4,5
| (4); 3; 2; 1,5; 1
| |
|
|
| 4,5
| (4); 3; 2; 1,5; 1
| |
|
|
|
| (4); 3; 2; 1,5; 1
| |
|
|
|
| (3); (2); 1,5
| |
|
|
|
| (4); 3; 2; 1,5; 1
| |
|
|
|
| (4); (3); 2; 1,5
| Таблица А.7 - Размеры сбегов, недорезов, проточек для внешней метрической резьбы (из ГОСТ 10549-80); Размеры в мм

| Шаг резьбы Р
| Сбег
х
| Недорез
«а»
| Фаска
«с»
| Проточка (нормальная)
| | f1
| f2
| d1
| R
| | 0,5
| 1,25
| 1,5
| 0,5
| 1,1
| 1,75
| d-0,8
| 0,25
| | 0,6
| 1,5
| 1,8
| 0,5
| 1,2
| 2,1
| d-1,0
| 0,3
| | 0,7
| 1,75
| 2,1
| 0,5
| 1,5
| 2,45
| d-1,1
| 0,35
| | 0,75
| 1,9
| 2,25
| 1,0
| 1,6
| 2,6
| d-1,2
| 0,4
| | 0,8
| 2,0
| 2,4
| 1,0
| 1,7
| 2,8
| d-1,3
| 0,4
| | 1,0
| 2,5
| 3,0
| 1,0
| 2,1
| 3,5
| d-1,6
| 0,5
| | 1,25
| 3,2
| 4,0
| 1,6
| 2,7
| 4,4
| d-2,0
| 0,6
| | 1,5
| 3,8
| 4,5
| 1,6
| 3,2
| 5,2
| d-2,3
| 0,75
| | 1,75
| 4,3
| 5,3
| 1,6
| 3,9
| 6,1
| d-2,6
| 0,9
| | 2,0
| 5,0
| 6,0
| 2,0
| 4,5
| 7,0
| d-3,0
| 1,0
| | 2,5
| 6,3
| 7,5
| 2,5
| 5,6
| 8,7
| d-3,6
| 1,25
| | 3,0
| 7,5
| 9,0
| 2,5
| 6,7
| 10,5
| d-4,4
| 1,5
| | 3,5
| 9,0
| 10,5
| 2,5
| 7,7
| 12,0
| d-5,0
| 1,75
| | 4,0
| 10,0
| 12,0
| 3,0
| 10,5
| 14,0
| d-5,7
| 2,0
| | 4,5
| 11,0
| 13,5
| 3,0
| 11,5
| 16,0
| d-6,4
| 2,25
| | 5,0
| 12,5
| 15,0
| 4,0
| 11,5
| 17,5
| d-7,0
| 2,5
| | 5,5
| 14,0
| 16,5
| 4,0
| 12,5
| 19,0
| d-7,7
| 2,75
| | 6,0
| 15,0
| 18,0
| 4,0
| 14,0
| 21,0
| d-8,0
| 3,0
| Таблица А.8 - Размеры сбегов, недорезов, проточек для внутренней метрической резьбы (из ГОСТ 10549-80); Размеры в мм

| Шаг резьбы Р
| Сбег
х
| Недорез
«а»
| Фаска
«с»
| Проточка (нормальная)
| | f1
| f2
| df
| R
| | 0,5
| 1,0
| 3,0
| 0,5
| 2,0
| 2,7
| d+0,3
| 0,25
| | 0,6
| 1,2
| 3,5
| 0,5
| 2,4
| 3,3
| d+0,3
| 0,3
| | 0,7
| 1,4
| 3,5
| 0,5
| 2,8
| 3,8
| d+0,3
| 0,35
| | 0,75
| 1,5
| 4,0
| 1,0
| 3,0
| 4,0
| d+0,3
| 0,4
| | 0,8
| 1,6
| 4,0
| 1,0
| 3,2
| 4,2
| d+0,3
| 0,4
| | 1,0
| 2,0
| 6,0
| 1,0
| 4,0
| 5,2
| d+0,5
| 0,5
| | 1,25
| 2,5
| 8,0
| 1,6
| 5,0
| 6,7
| d+0,5
| 0,6
| | 1,50
| 3,0
| 9,0
| 1,6
| 6,0
| 7,8
| d+0,5
| 0,75
| | 1,75
| 3,5
| 11,0
| 1,6
| 7,0
| 9,1
| d+0,5
| 0,9
| | 2,0
| 4,0
| 11,0
| 2,0
| 8,0
| 10,3
| d+0,5
| 1,0
| | 2,5
| 5,0
| 12,0
| 2,5
| 10,0
| 13,0
| d+0,5
| 1,25
| | 3,0
| 6,0
| 15,0
| 2,5
| 12,0
| 15,2
| d+0,5
| 1,5
| | 3,5
| 7,0
| 17,0
| 2,5
| 14,0
| 17,0
| d+0,5
| 1,75
| | 4,0
| 8,0
| 19,0
| 3,0
| 16,0
| 20,0
| d+0,5
| 2,0
| | 4,5
| 9,0
| 23,0
| 3,0
| 18,0
| 23,0
| d+0,5
| 2,25
| | 5,0
| 10,0
| 26,0
| 4,0
| 20,0
| 26,0
| d+0,5
| 2,5
| | 5,5
| 11,0
| 28,0
| 4,0
| 22,0
| 28,0
| d+0,5
| 2,75
| | 6,0
| 12,0
| 28,0
| 4,0
| 24,0
| 30,0
| d+0,5
| 3,0
|

Таблица А.9 - Размеры недорезов, проточек и фасок наружной трубной цилиндрической резьбы, мм
| Обозначение размера резьбы
| Число шагов на длине 25,4 мм
| Недорез а, не более
| Проточка
| Фаска
с
| | Нормаль-
ный
| Умень-
шенный
| нормальная
| узкая
| | f
| R
| R1
| f
| R
| R1
| | 1/8
|
| 2,5
| 1,6
| 2,5
| 1,0
| 0,5
| 1,6
| 0,5
| 0,3
| 1,0
| | 1/4
3/8
|
| 4,0
| 2,5
| 4,0
| 2,5
| 1,0
| 0,5
| 1,6
| | 1/2
7/8
|
| 5,0
| 3,0
| 5,0
| 3,0
| 2,0
| | 1-6
|
| 6,0
| 4,0
| 6,0
| 1,0
| 4,0
| 2,5
|
Таблица А.10 - Размеры недорезов, проточек и фасок внутренней трубной цилиндрической резьбы, мм
| Обозначение размера резьбы
| Число шагов на длине 25,4 мм
| Недорез а, не более
| Проточка
| Фаска
с
| | Нормаль-
ный
| Умень-
шенный
| нормальная
| узкая
| | f
| R
| R1
| f
| R
| R1
| | 1/8
|
|
| 2,5
|
| 1,0
| 0,5
| 2,5
| 1,0
| 0,5
| 1,0
| | 1/4
3/8
|
|
|
|
| 1,6
|
| | 1/2
7/8
|
|
|
|
| 2,0
| 1,0
|
| 1,6
| 1,6
| | 1-6
|
|
|
|
| 3,0
| 4,0
| 1,0
| Таблица А.11 - Болт с шестигранной головкой (ГОСТ 7798-70); Размеры в мм

| Номинальный диаметр, d
|
|
|
|
|
|
|
|
|
| | Шаг резьбы:
-крупный
|
|
|
|
|
|
|
|
|
| | 1,25
| 1,5
| 1,75
| 2,5
|
| 3,5
|
| 4,5
|
| | -мелкий
|
| 1,25
| 1,25
| 1,5
|
|
|
|
|
| | Диаметр стержня, d
|
|
|
|
|
|
|
|
|
| | Размер «под ключ», S
|
|
|
|
|
|
|
|
|
| | Высота головки, H
| 5,5
| 7,0
| 8,0
| 13,0
| 15,0
| 19,0
| 23,0
| 26,0
| 30,0
| | Диаметр, описанной окружности, D, не менее
| 14,2
| 18,7
| 20,9
| 33,3
| 39,6
| 50,9
| 60,8
| 72,1
| 83,4
| | Отношение длины болта L к длине нарезанной части l0 (L/l0)
|
|
|
|
|
|
|
|
|
| | Ряд длин болтов L: 8, 10, 12, 14, 16, (18), 20, (22), 25, (28), 30, (32), 35, (38), 40, 45, 50, 60, 65, 70, 75, 80, (85), 90, (95), 100, (105), 110, (115), 120, (125), 130, 140, 150, 160, 170, 180, 190, 200…
Примечания:
1. Знаком «´» отмечены болты с резьбой на всей длине стержня.
2. Болты с размерами длин, заключенными в скобки, применять не рекомендуется.
| Таблица А.12 - Болт с шестигранной головкой (ГОСТ 7796-70); Размеры в мм

| Номинальный диаметр, d
|
|
|
|
|
|
|
|
|
| | Шаг резьбы:
-крупный
|
|
|
|
|
|
|
|
|
| | 1,25
| 1,5
| 1,75
| 2,5
|
| 3,5
|
| 4,5
|
| | -мелкий
|
| 1,25
| 1,25
| 1,5
|
|
|
|
|
| | Диаметр стержня, d
|
|
|
|
|
|
|
|
|
| | Размер «под ключ», S
|
|
|
|
|
|
|
|
|
| | Высота головки, H
|
|
|
|
|
|
|
|
|
| | Диаметр, описанной окружности, D, не менее
| 13,1
| 15,3
| 18,7
| 29,9
| 35,0
| 45,2
| 55,4
| 66,4
| 77,7
| | Отношение длины болта к длине L нарезанной части l0 (L/l0)
|
|
|
|
|
|
|
|
|
| | Ряд длин болтов L: 8, 10, 12, 14, 16, (18), 20, (22), 25, (28), 30, (32), 35, (38), 40, 45, 50, 55, 60, 65, 70, 75, 80, (85), 90, (95), 100, (105), 110, (115), 120, (125), 130, 140, 150, 160, 170, 180, 190, 200…
Примечания:
1. Знаком «´» отмечены болты с резьбой на всей длине стержня.
2. Болты с размерами длин, заключенными в скобки, применять не рекомендуется.
| Таблица А.13 - Гайки шестигранные (ГОСТ 5915-70); Размеры в мм
D1=(0,9÷0,95)S
| | Номинальный диаметр d
|
|
|
|
|
|
|
|
|
| | Шаг резьбы:
|
|
|
|
|
|
|
|
|
| | крупный
| 1,25
| 1,5
| 1,75
| 2,5
|
| 3,5
|
| 4,5
|
| | мелкий
|
| 1,25
| 1,5
| 1,5
|
|
|
|
|
| | Размер «под ключ» S
|
|
|
|
|
|
|
|
|
| | Диаметр описанной окружности D
| 14,2
| 18,7
| 20,9
| 33,3
| 39,6
| 50,9
| 60,8
| 72,1
| 83,4
| | Высота гайки Н
| 6,5
|
|
|
|
|
|
|
|
|
Таблица А.14 - Гайки шестигранные повышенной точности (ГОСТ 5927-70); Размеры в мм
D1=(0,9÷0,95)S
| | Номинальный диаметр
резьбы d
|
|
|
|
|
|
|
|
|
|
| | Шаг резьбы:
Крупный
Мелкий
Размер «под ключ» S
Диаметр описанной
окружности D, не менее
Высота гайки H
|
1,25
14,4
6,5
|
1,5
1,25
18,9
|
1,75
1,25
21,1
|
1,5
26,8
|
2,5
1,5
33,6
|
40,3
|
3,5
51,6
|
61,7
|
4,5
73,0
|
84,3
|
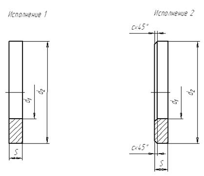
Таблица А.15 - Шайбы (ГОСТ 11371-78), мм

| Диаметры резьбы крепежной детали, d
| d1
| d2
| s
| с, не менее
| с, не более
| |
| 10,5
|
| 2,0
| 0,50
| 1,0
| |
| 13,0
|
| 2,0
| 0,50
| 1,0
| |
| 15,0
|
| 2,5
| 0,60
| 1,25
| |
| 17,0
|
| 2,5
| 0,60
| 1,25
| |
| 19,0
|
| 3,0
| 0,75
| 1,5
| |
| 21,0
|
| 3,0
| 0,75
| 1,5
| |
| 23,0
|
| 3,0
| 0,75
| 1,5
| |
| 25,0
|
| 3,0
| 0,75
| 1,5
| |
| 28,0
|
| 4,0
| 1,00
| 2,0
| |
| 31,0
|
| 4,0
| 1,00
| 2,0
| Таблица А.16 - Шайбы пружинные (ГОСТ 6402-70); мм

| Номинальные диаметры резьбы болта, винта, шпильки
| d
| Нормальные шайбы,
s=b
| |
| 8,1
| 2,0
| |
| 10,1
| 2,5
| |
| 12,1
| 3,0
| |
| 14,2
| 3,5
| |
| 16,3
| 4,0
| |
| 18,3
| 4,5
| |
| 20,5
| 5,0
| |
| 22,5
| 5,5
| |
| 24,5
| 6,0
| |
| 27,5
| 7,0
| |
| 30,5
| 8,0
| |
| 36,5
| 9,0
| |
| 42,5
|
| |
| 48,5
|
| Таблица А.17 - Отверстия сквозные под крепежные детали (по ГОСТ1 11284-75); Размеры в мм
| Диаметры стержней крепежных деталей d
| Отверстия сквозные d1
| | 1 ряд
| 2ряд
| 3 ряд
| | 8,0
| 8,4
| 9,0
| 10,0
| | 10,0
| 10,5
| 11,0
| 12,0
| | 12,0
| 12,5
| 13,0
| 15,0
| | 14,0
| 14,5
| 15,0
| 17,0
| | 16,0
| 16,5
| 17,0
| 19,0
| | 18,0
| 18,5
| 19,0
| 21,0
| | 20,0
| 21,0
| 22,0
| 24,0
| | 22,0
| 23,0
| 24,0
| 26,0
| | 24,0
| 25,0
| 26,0
| 28,0
| | 27,0
| 28,0
| 30,0
| 32,0
| | 30,0
| 31,0
| 33,0
| 35,0
| | 36,0
| 37,0
| 39,0
| 42,0
| | 42,0
| 43,0
| 45,0
| 48,0
| | 48,0
| 50,0
| 52,0
| 56,0
| |
| | Примечания:
1. Отверстия 3-го ряда не принимаются для заклепочных соединений.
2. Предельные отклонения диаметров отверстий: для первого ряда – А5, для второго и третьего ряда – А7.
|
Таблица А.18 - Размеры соединительных частей трубопровода и труб; мм

Муфта короткая Труба
ГОСТ 8954-75 ГОСТ 3262-75
Муфта длинная
ГОСТ 8955-75
| Условный проход DN
| Обозначение резьбы в дюймах
| Диаметры, мм
| Толщина стенок, мм
| | d
| d1
| d2
| S
| S1
| S2
| |
| G 1/2
| 20,956
| 18,632
| 21,5
| 2,8
| 4,2
| 2,8
| |
| G 3/4
| 26,442
| 24,119
| 27,0
| 3,0
| 4,4
| 2,8
| |
| G 1
| 33,250
| 30,292
| 34,0
| 3,3
| 5,2
| 3,2
| |
| G 1 ¼
| 41,912
| 38,954
| 42,5
| 3,6
| 5,4
| 3,2
| |
| G 1 ½
| 47,805
| 44,847
| 48,5
| 4,0
| 5,8
| 3,5
| |
| G 2
| 59,616
| 56,659
| 60,5
| 4,5
| 6,4
| 3,5
|
| Условный проход DN
| Длина l, мм
| Длина нарезки, мм
| Ребра и буртик l, мм
| Фаска с, мм
| | Муфты
| l
| l1 на трубе
| l1 на сгоне
| h
| b
| b1
| b2
| Число ребер
| | Длин-
ные
| Корот-
кие
| Длин-
ные
| Корот-кие
| |
|
|
| 12,0
| 9,0
|
|
| 2,0
| 3,5
| 2,0
| 4,0
|
| 2,0
| |
|
|
| 13,5
| 10,5
|
|
| 2,5
| 4,0
| 2,0
| 4,0
|
| 2,0
| |
|
|
| 15,0
| 11,0
|
|
| 2,5
| 4,0
| 2,5
| 4,5
|
| 2,5
| |
|
|
| 17,0
| 13,0
|
|
| 3,0
| 4,0
| 2,5
| 5,0
|
| 2,5
| |
|
|
| 19,0
| 15,0
|
|
| 3,0
| 4,0
| 3,0
| 5,0
|
| 2,5
| |
|
|
| 21,0
| 17,0
|
|
| 3,5
| 5,0
| 3,0
| 6,0
|
| 2,5
| Таблица А.19 - Сгоны по ГОСТ 8969-75, мм

| Условный проход DN
|
| Резьба
|
| L
| | d
| l не более
| l1
| | в мм
| |
| G 1/2
| 9,0
|
|
| |
| G 3/4
| 10,5
|
|
| |
| G 1
| 11,0
|
|
| |
| G 1 ¼
| 13,0
|
|
| |
| G 1 ½
| 15,0
|
|
| |
| G 2
| 17,0
|
|
| Таблица А.20 - Контргайка (ГОСТ 8961-75); мм

| Условный проход DN
| Резьба
| H
| S
| D
| D1
| |
| G 1/2
|
|
| 36,9
|
| |
| G 3/4
|
|
| 41,6
|
| |
| G 1
|
|
| 53,1
|
| |
| G 1 1/4
|
|
| 63,5
|
| |
| G 1 1/2
|
|
| 69,3
|
| |
| G 2
|
|
| 86,5
|
|
Date: 2015-06-11; view: 1165; Нарушение авторских прав | Понравилась страница? Лайкни для друзей: |
|
|