Главная Случайная страница


Полезное:

Как сделать разговор полезным и приятным Как сделать объемную звезду своими руками Как сделать то, что делать не хочется? Как сделать погремушку Как сделать так чтобы женщины сами знакомились с вами Как сделать идею коммерческой Как сделать хорошую растяжку ног? Как сделать наш разум здоровым? Как сделать, чтобы люди обманывали меньше Вопрос 4. Как сделать так, чтобы вас уважали и ценили? Как сделать лучше себе и другим людям Как сделать свидание интересным?


Категории:

АрхитектураАстрономияБиологияГеографияГеологияИнформатикаИскусствоИсторияКулинарияКультураМаркетингМатематикаМедицинаМенеджментОхрана трудаПравоПроизводствоПсихологияРелигияСоциологияСпортТехникаФизикаФилософияХимияЭкологияЭкономикаЭлектроника






Дифференциальный диагноз





ЯЗВА

Предметом дифференциальной диагностики рака желудка, главным об­разом, является объяснение некоторых аналогичных рентгенологи­ческих данных. Прежде всего речь идет о дифференциации доброкачествен­ной язвы от злокачественной (блюдцевидная карцинома). Имеется ряд вспомо­гательных средств, которые приводятся в связи с этим (см. рис. 83 и 84). Однако, имеется всеобщее согласие с мнением, что эти критерии не являются абсолю­тно надежными и что ошибки возможны в обоих направлениях (см. рис. 85). Рак может укрываться и под видом типичной доброкачественной язвы, в осо­бенности при локализации в ином месте, а не на вертикальной части малой кривизны. Как уже было сказано ранее, около 10—20% язв, которые вначале не имели рентгенологических признаков злокачественности, позднее проявля­ются как карциномы (рис. 85).

Величина язвы не является критерием злокачественности, например, огромные старческие язвы бывают доброкачественными (рис. 73).

В сомнительных случаях может помочь во-первых, динамика, во-вторых, другие методы исследования: ниша, которая при периодическом течении по­вторно исчезает и рецидивирует, не бывает злокачественной.

При гастроскопическом исследовании, также как и при рентгенологическом исследовании, доброкачественные и злокачественные язвы имеют свои характерные черты (табл. 12).

Доброкачественная язва округлая или овальная, с округлыми, как бы вырезанными контурами; дно бывает желтым, изредка кровоточащим. Около язвы нет ни эрозий, ни изъязвления, но могут быть петехии или пигментные пятна. У свежих язв края не приподнимаются, так что дно находится на одном уровне с окружающими участками. Здесь доброкачественность практически обеспечена. Зато каллезные язвы имеют приподнятые валообразные края, обусловленные вялым прогрессирующим воспалением, что напоминает карциному. Но в отличие от карциномы прогрессирующее и ретракционноо воспаление протекает и в окружающих тканях и иногда обусловливает картины, типичные для добро­качественности: по направлению к язве радиально сходятся складки или вся язва целиком по­мещается на округлом валу, проходящем через переднюю и заднюю стонку перпендикулярно к большой кривизне.

Таблица 12 Гастроскопичоские признаки доброкачественной и злокачественной язвы

Язва Доброкачественная Злокачественная
Форма Округлая или овальная Неправильная
Контуры Округлые «выраженные» Неправильно волнообразные или изломанные
Края На уровне окружающих тканей или приподнятые Всегда приподнятые, более темной окраски
Дно Желтый фибрин или засохшая кровь Некротическая ткань
Кровоточивость редко, из дна часто, из краев
Петехии в окружающих областях иногда редко
Изъязвление в окружности никогда часто
' Радиальные складки часто редко
Слизистый вал, перекре­щивающий большую кри­визну иногда никогда

 





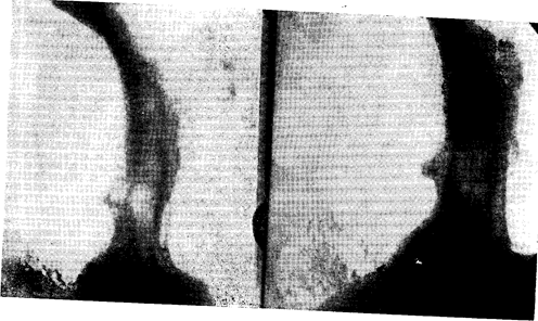
Рис. 83. Данные рентгенологического исследования, помогающие при дифференциальном диагнозе же­лудочных ульперапий: а) ульперозная форма рака — мениск Кармана, образованный распадающимся центром опухоли и окруженный опухолевым валом. В профиль мениск имеет вид ретенции полулунной формы, наружная граница которой расположена на уровне нормального изгиба желудка или только не­значительно отличается от него. Краевой вал отно­сительно узок, хорошо ограничен, на краю желудоч­ного изгиба образует небольшое углубление (см. так­же рис. 84). В анфас центральная ретенция имеет не­правильную овальную форму (см. также рис. 80); б) доброкачественная язва — ниша Гаудека, обра­зованная дефектом стенки желудка, окруженная ва­лом отека, воспалительного инфильтрата и локаль­ного спазма. В профиль ниша образует плюс напол­нения, большая часть которого выступает над уров­нем нормального изгиба желудка. Иногда ниша бы­вает базально ограничена суженной шейкой в форме воротника с широким полулунным прояснением, ко­торое нерезко сливается с желудочным наполнением. По бокам ниши на краю желудочного изгиба имеется косое глубокое впячивание (см. также рис. 70). В анфас центральная ретенция имеет округлую или овальную форму.


Рис. 84. Блюдцовидная субкар-диальная аденокарцинома желуд­ка. Погруженная ниша, окружен­ная относительно узкой, четко ограниченной зоной прояснения. Хирургически расценена как кал-лезная язва, пенотрирующая в поджелудочную железу. Гистоло­гическое исследование выявило карциному.

Злокачественная язва (блюдцеобразная карцинома) бывает более неправильной формы, контуры ее не округлые, края всегда валообразные, как правило, узловатые и темнее окрашены, чем окружающая слизистая; дно бывает выполнено некроти­ческими массами. Важным признаком злокачественности является хрупкость этих краев, часто кровоточащих.


Несмотря на ряд отличительных признаков, дифференциация иногда бывает затруднительной. В общем можно считать, что с уверенностью можно различить только свежую язву, округлую, плоскую, с желтым дном. Хронические и кал-лезнью язвы, осложненные воспалительной реакцией и деформацией окружаю­щих участков, зачастую невозможно с уверенностью отличить.

В этом вопросе биопсия помогает лишь незначительно, главной областью ее применения являются диффузные нарушения. При язве имела бы значение целенаправленная эксцизия с краев, что является технически нелегким и лишь изредка может удасться настолько, что принесет практические результаты.

Дифференциальному диагнозу далее помогает исследование кис­лотности, поскольку имеет значение формула: ниша + гистаминная ахлоргидрия = карцинома. Другие лабораторные пробы не годятся для этой цели.

И при использовании всевозможных способов иногда нельзя с уверенностью отдифференцировать злокачественную язву от доброкачественной. В таких слу­чаях рекомендуют пробу лечением'.

Больного подвергают консервативному лечению с постельным режимом, диетой и лекар­ствами.*) Через 4—6 недель повторно производят рентгенологическое исследование; если клинические и рентгенологические признаки язвы исчезли — нет сомнения в доброкачествен­ности. Если же рентгенологические данные уменьшились, то доброкачественность является вероятной и можно пробу лечением повторять (при необходимости и несколько раз). Но если рентгенологические данные не изменились или даже увеличились, то имеет место или злокачественная язва или незаживающая язва и в таком случае уместна операция. Субъек­тивное состояние здесь не решает вопроса, а наоборот, исчезновение жалоб при постоянных рентгенологических данных свидетельствует о злокачественности.

Эту лечебную пробу можно уточнить и с помощью гастроскопии и лабораторных данных, в особенности реакцией Брдички. Эта реакция бывает положительной примерно у одной четверти больных язвой желудка в стадии обострения, но нормализуется после лечения, а при карциноме — ни в коем случае.

ДОБРОКАЧЕСТВЕННЫЕ ИЗМЕНЕНИЯ АНТРУМА

Антрум часто подвергается изменениям, которые в рентгенологической литературе приводят под различными названиями: антрумгастрит, гипер­трофический антралъный гастрит, перигастрит антрума, доброкачественная болезнь антрума, функциональные изменения или гипертония желудочного ан­трума. Эти названия обозначают предполагаемую причину. Проявляются су­жением просвета, ригидностью стенки, угнетением перистальтики, насечками на какой-либо кривизне, грубым рельефом, который иногда даже имеет псевдо-полипозный характер. Как видно, здесь имеется ряд поводов для подозрения на карциному (рис. 17).

При гастроскопии и биопсии эти состояния делятся на две группы:

^.Функциональные изменения антрума: картина сли­зистой нормальна, иногда антрум бывает тунелевидным, иногда не удается

*) Гутман" вначале предлагал проводить эту пробу амбулаторно без диеты и без лекар­ственных препаратов, только введением ферискорбина; но в настоящее время в большинстве случаев она производится комплексным лечением.




 



 

Рис. 856. Тот же больной. Контроль через 2 месяца: мениск увеличился, слегка выступает над малой кривизной, ниша слилась с ним. Дугообразный вал несколько шире, четко огра­ничен. Неоперабильная карцинома. заметить перистальтику, но это обычные данные, обнаруживаемые и при нор­мальном желудке; следовательно, имеется заметная разница между патологи­ческой рентгенологической картиной и нормальной гастроскопической картиной.

2. Атрофическо-гипертрофическая даже п о л и п о з-н а я форма хронического гастрита; такая картина опре­деляется в особенности у больных с злокачественным малокровием и является преканцерозным состоянием.9

«Доброкачественные изменения а н т р у м а» относятся к состояниям, при которых гастроскопия оказывает весьма полезную службу. С ее помощью больных с функциональными изменениями можно избавить от пробной лапаротомии. Наоборот, выявление полипозных изменений слизистой является показанием к профилактической резекции желудка в связи с их преканцерозностью.

АБНОРМАЛЬНЫЕ СКЛАДКИ И ПОЛИПЫ

Гигантские складки (стр. 219) иногда с трудом рентгено­логически можно отличить от карциномы, но гастроскопически диагноз бывает нетрудным; следовательно, они являются следующим показанием для гастро-скопии, где она имеет оправдание.

Аналогичная ситуация наблюдается и при шовных полипах в опе­рированном желудке (стр. 261), при которых гастроскопии тоже принадлежит решающее слово.

Хотя о гистологическом характере других полипов гастроскопия не может судить с уверенностью, но макроскопический вид в большинстве случаев позволяет сделать предположение о вероятной доброкачественности или злокачественности.

САРКОМЫ

Саркомы составляют 1—2% злокачественных опухолей желудка. Чаще веего встречается лимфосаркома (60% сарком), реже фибросаркома, лейомиосаркома и другие виды сарком.

Диагностика сарком в основном не отличается от карциномы. Клинически считается характерным, что при значительной величине они вызывают относи­тельно менее выраженные общие симптомы. Местные симптомы большей частью преобладают над анемией и кахексией. При гастроскопии проявляются раз­личными данными, часто причудливыми. Рентгенологическая картина их иногда напоминает полипы или гигантские складки.

Важным свойством лимфосарком является их чувствительность к облучению. Поэтому также рекомендуют операцию и биопсию и при больших опухолях, поскольку может оказаться, что опухоль, принимаемая благодаря своей величине за иноперабильную карциному, является лимфо-саркомой, доступной лучевой терапии.

Более редким предметом дифференциальной диагностики являются г р а-вуломы и безоары (стр. 293).


ГРаНУЛОМЫ

Грануломы представляют собой ограниченные продуктивные воспаления, харак­теризующиеся узловатой или узелковой структурой, иногда напоминающей опухоли. У че­ловека локализация их в пищеварительном аппарате встречается относительно редко. В ка­честве единичных случаев здесь описывается сифилис, актиномикоз, лимфогранулома, суб-мукозная эозинофильная гранулома, туберкулез и болезнь Крона; две последние чаще встре­чаются в кишечнике.

Сифилис желудка встречается приблизительно только у 0,1 % больных с вторич­ным или третичным сифилисом. Это гуммозные инфильтраты, поражающие в первую очередь субмукозу. Слизистая над ними бывает атрофичной. Изъязвление гумм встречается редко. При хроническом течении наступает также склерозирующее сокращение стенки желудка по типу linilis plaslica.

Туберкулез желудка встречается редко. Проявляется или в форме язвы или в форме диффузной инфильтрации. Желудочная диспепсия, как правило, сопровождается лихорадкой. Диагноз труден и кроме пероперационной биопсии возможен лишь при целе­направленной эндоскопической биопсии.

Болезнь Х о ч к и н а локализуется в пищеварительном аппарате в 1—4% случаев, чаще всего в желудке и на оральной половине тонкого кишечника. Как правило, процесс распространяется с прилегающих узлов на стенку желудка, более редко встречаются пер­вичные поражения лимфатических фолликулов слизистой. Может наступить инфильтрация желудочных складок и в таком случае рентгенологическая и эндоскопическая картина может напоминать гигантские складки (стр. 219). Узловая форма чаще бывает на тонком кишечнике. При тромбопениях и кровоточивости вследствие лимфогрануломы может появиться и кровотечение из слизистой. Гастроэнтеролог встречается с этим заболеванием редко, так как па первом плане большей частью стоят другие симптомы, а не пищеварительные.

Субмукозная аоаинофилъная гранулома в последнее время привле­кает повышенное внимание.16 Этиология заболевания точно не известна, предполагают аллергию, ретикулопатию и воспалительные изменения. Анатомически речь идет о диффузной эозинофильной инфильтрации (эозинофильный гастрит) или о мелких грану-ломах, роже об опухолевых образованиях больших размеров, так наз. гранулобла-с т о м а х. Клинически заболевание проявляется желудочной диспепсией, а иногда крово­течением из эрозий при эозинофильном гастрите. Часто бросается в глаза пищевая аллергия. При гастрите и меньших гранулемах диагноз можно поставить только гастроскопически и биоптически, гранулобластомы бывают видны при рентгенологическом исследовании как полипы. Прогноз в общем благоприятный, саркоматизация бывает в редких случаях. (Болезнь может поражать и печень, почки, кожу, легкие и другие органы.)







Date: 2015-07-02; view: 506; Нарушение авторских прав



mydocx.ru - 2015-2026 year. (0.498 sec.) Все материалы представленные на сайте исключительно с целью ознакомления читателями и не преследуют коммерческих целей или нарушение авторских прав - Пожаловаться на публикацию