Главная Случайная страница


Полезное:

Как сделать разговор полезным и приятным Как сделать объемную звезду своими руками Как сделать то, что делать не хочется? Как сделать погремушку Как сделать так чтобы женщины сами знакомились с вами Как сделать идею коммерческой Как сделать хорошую растяжку ног? Как сделать наш разум здоровым? Как сделать, чтобы люди обманывали меньше Вопрос 4. Как сделать так, чтобы вас уважали и ценили? Как сделать лучше себе и другим людям Как сделать свидание интересным?


Категории:

АрхитектураАстрономияБиологияГеографияГеологияИнформатикаИскусствоИсторияКулинарияКультураМаркетингМатематикаМедицинаМенеджментОхрана трудаПравоПроизводствоПсихологияРелигияСоциологияСпортТехникаФизикаФилософияХимияЭкологияЭкономикаЭлектроника






Нейтронные методы каротажа

Физические основы метода. Не обладая электрическим заря­дом, нейтроны не испытывают действия зарядов электронов и ядер, поэтому характеризуются большой проникающей способностью. Взаимодействуют, в основном с ядрами атомов. В ядерной геофизике используются, в подавля­ю­щем большинстве, тепловые и надтепловые нейтроны с энергией до 100 эв. Для таких нейтронов характерны реакции: поглощения (радиационный захват нейтронов) и рассеяния (упругое и неупругое).

Упругое рассеяние. Сечение упругого рассеяния σр для большинства ядер в области энергий до 100 эв остается постоянной. Исключением явля­ется водород, имеющий наибольшее σр среди основных породообразующих элементов.

Потеря энергии нейтрона при упругом рассеянии зависит от массы ядра-мишени М и угла рассеяния нейтрона. Энергия нейтрона до Е0 и после соударения Е с покоящимся ядром:

(1)

Минимальное значение энергии при лобовом соударении (ψ = π) равно:

где (2)

Отсюда следует, что наибольшая потеря энергии нейтрона наблюдает­ся при соударении с ядром-мишенью с М=1, т.е. с ядром водорода. При ло­бовом соударении с водородом возможна полная потеря энергии нейтрона. Для сравнения: потеря энергии нейтрона при соударении с ядром кислорода составляет 11%; при соударении с ядром кремния – 6%. Благодаря высоко­му сечению рассеяния и большой потере энергии нейтрона, водород являет­ся аномальным замедлителем нейтронов.

В теории чаще употребляется среднелогарифмическая потеря энергии на одно соударение, так называемый параметр замедления

(3)

Неупругое рассеяние нейтронов. При этом взаимодействии кинетичес­кая энергия нейтрона расходуется не только на создание отдачи ядра-мише­ни, но и на повышение его внутренней энергии, т.е. на возбуждение ядра. Энергия возбуждения в последующем высвобождается в виде γ-кванта. Спектр излучения γ-квантов для каждого элемента характерен, т.е. строго определен по энергиям γ-квантов. Неупругое рассеяние – поровая реакция, энергия порога Епор уменьшается с ростом массы ядра - от нескольких тысяч Кэв для легких ядер до 100 Кэв для тяжелых. Поэтому неупругое рассеяние происходит только с быстрыми нейтронами и преимущественно на тяжелых ядрах. Сечение неупругого рассеяния становится больше 0 при достижении нейтроном энергии выше Епор, при энергии 10-15 Мэв достигает максималь­ного значения.

Поглощение нейтронов. Для ядерной геофизики, из всех реакций пог­ло­щения нейтрона веществом, наиболее важны: реакция радиационного захвата нейтрона ядром (n, γ); а также реакция (n, α) на изотопах 10B и 6Li. Эти реакции идут при любых энергиях нейтронов, но максимум сечения приходится на область низких энергий.

В отличие от заряженных частиц, нейтро­ны легко проникают в ядро даже при малых энергиях, почти для всех элеме­нтов наблюдаются реакции радиационного захвата (n, γ) на тепловых и над­тепловых нейтронах, что определяет широкие возможности нейтрон-активационного метода (НАМ).

Сечение реакции захвата в тепловой области убывает обратно пропо­рцио­нально энергии нейтрона, для тяже­лых элементов (Z > 45) в области промежуточных энергий существуют интервалы резкого роста сечения пог­лощения – резонансные интер­валы. Остальные реакции пог­лоще­ния, т.е. реакции типа (n, p) и (n, α) для большинства элементов, являются реакциями пороговыми и начинаются при энергии нейтронов более 2 – 5 Мэв. В резу­ль­­тате поглощения нейтрона ядром, образуются изотопы, отли­чные от ядра-мишени, большинство из них являются радио­активными. Спектр γ-излуче­ния радиационного захвата нейтронов, т.е. число квантов, образующихся по реакции (n, γ) при поглощении 100 ней­тронов, различен для разных элемен­тов. Это различие может быть исполь­зовано для определе­ния элементного состава породы. Необходимо отме­тить, что энергия γ-кван­тов, образующих­ся в результате радиационного захвата нейтронов, достаточ­но большая – до 8 Мэв, что облегчает реги­с­трацию их в скважин­ных условиях.

При взаи­мо­действии нейтронов с ядрами атомов образуются составные (или промежу­точные) ядра путем слияния нейтрона с ядром-мишенью. Составное ядро неустойчиво, переходя в устойчивое состояние ядро испускает частицы или γ-кванты.

Пусть имеется поток нейтронов Ф (нейтр/см2*сек), постоянного во вре­ме­ни и в пространстве, сечение взаимодействия активации (нейтронов с ядром-мишенью) σа, первоначальное число ядер-мишеней N0. Дифференци­альное уравнение для числа N активированных ядер будет:


dN/dt = ФσаN0 – λN (4)

где λ – постоянная распада активированного изотопа. Решением этого урав­не­ния будет выражение:

(5)

где ta – время активации.

После активации, т.е. после остановки потока нейтронов и их захвата, начинается распад радиоактивного изотопа, образованного во время активации (процесс остывания). Активность изотопа It в момент времени t (t – время остывания):

(6)

Максимальная наведенная активность будет в конце времени активации (t = 0), при условии, что время активации значительно больше периода полурас­пада активируемого изотопа (ta >> T):

(7)

где: А – атомный вес изотопа; Р – масса пробы, г; С – содержание активиру­е­мого элемента (весовые доли); θ – распространенность активируемого изото­па. Р*С*θ – масса активируемого изотопа в граммах.

Активация нейтронами ядер-мише­ней приводит к образованию таких радиоактивных ядер, которые испытыва­ют либо β- распад, либо электрон­ный захват (К-захват). Радиоактивные акти­вированные ядра, испытываю­щие β+ распад возникают редко. β-распад сопровождается γ-излучением. В качестве примера ниже приводится две реакции захвата нейтронов (реакции активации) стабильными ядрами золота и редкоземельного гафния.

 

Рис.1. Схема активации стабильного изотопа золота тепловыми нейтронами.

 

При активации нейтронами золота (Au197 стаб) образуется составное ядро Au198, которое, в некоторых случаях, испуская β-частицы превращается в стабильное ядро ртути Hg198. В большинстве случаев изотоп Au198, при испускании β-частицы, остается возбужденным до энергии 412 Кэв, время жизни этого возбужденного состояния 10-9 секунды. Переходя в стабильное состояние, возбужденное ядро испускает γ-квант энергии 412 Кэв.

В результате захвата нейтрона из гафния образуется изотоп Hf175. Это составное ядро испытывает β-распад (К-захват) с периодом полураспада 70 суток с образованием двух метастабильных возбужденных уровней.

 

Рис.2. Схема активации редкоземельного стабильного изотопа гафния тепловыми нейтронами.

 

Возбуждение с уровня 433 Кэв может сни­ма­ться как испусканием γ-кванта с энерги­ей 433 Кэв, так и путем испускания каскада 90 + 343 Кэв. Таким образом, распад изото­па Hf175 сопровождается излучением трех групп γ-квантов, у которых различна как энергия, так и интенсивность.

Полное сечение и пробеги нейтронов в веществе. Нейтроны, испускае­мые источником и попавшие в горную породу, относительно быстро (за 10-4 ÷ 10-5 сек) замедляются в результате упругих и, частично, неупругих соуда­рений. Большая часть нейтронов избегает поглощения в области высоких энергий, и захватывается ядрами по реакции радиационного захвата (n, γ), уже имея очень малую энергию (0.025эв). Распределение нейтронов в среде определяется нейтронными свойствами среды, главным образом массой ядер и сечением различных процессов. Полное сечение равно сумме сечений эле­мен­тарных процессов: σt = σрз + σур + σнр ≈ σрз + σур, где индексы означают: t – суммарное сечение, ур – упругое рассеяние, нур – неупругое рассеяние, рз – радиационный захват. С целью уменьшения числа величин, характеризую­щих распределение нейтронов, вводится относительно небольшое число параметров, называемых нейтронными параметрами среды.


Макроскопическое сечение ∑ равно произведению микроскопическо­го сечения процесса σ на плотность ядер (атомов) среды ma:

∑ = σma = σρNA / A (8)

где NA –число Авогадро, ρ –плотность среды, А – атомный вес.

Замедляющая способность среды, равная произведению макроскопи­че­ского сечения рассеяния ∑Р на параметр замедления ξ. Чем больше замед­ля­ю­щая способность среды ξ∑Р, тем быстрее происходит замедление нейтронов.

Длина замедления нейтронов

(9)


где r2 – среднее значение квадрата расстояния между источником быстрых нейтронов и точкой замед­ле­ния до тепловой энергии.

Среднее время жизни тепловых нейтронов в среде

τ = λз/v =1/v∑з (10)

где ∑з – макросечение поглощения тепловых нейтронов, λз =1/∑з – путь нейтрона от точки замедления до точки поглощения (Lрз = 1/∑з), v – кинетическая ско­рость теплового нейтрона, равная 2200 м/с.

Полный пробег нейтрона в среде будет рассчитываться по формуле:

(11)

Свойства горных пород при взаимодействии с нейтронами. Связь ме­ж­­ду составом горных пород и нейтронными полями выражается через сече­ния элементарных процессов взаимодействия нейтронов с веществом. В соотве­т­ствии с характером процесса распространения ней­тронов в вещес­тве нейт­ронные параметры горных пород делят на две группы: парамет­ры замед­ления и параметры термализации (когда нейтрон замедляется до теплово­го). Наиболее трудно установить связь между составом пород и замедляю­щими свойствами, так как диффе­ренциальные сечения неупру­гого и упру­го­го рассеяния нейтро­нов, определяющие процесс замедления, имеют сложные угло­вые и энергетические зависимости. Каждый из пере­чи­с­ленных параметров, взятый в отдельности, не дает полной характе­рис­тики нейтрон­ного поля заданного источника в среде определенного соста­ва. Необходимо рассматривать пара­метры в их совокупности. Такими син­тетическими характери­стиками горных пород являются возраст τS (или длина замедления L ), время замедления tЗ (на стадии замедления) и длина диффузии Ld, коэффициент диффузии D и время жизни ней­трона τ (на стадии термализации).

Длина замедления L. Для конкретного источника нейтронов длина замедления зависит от плотности и вещественного состава горной породы. Поскольку зависимость от плотности очевидна (1/L = NAρσ/A, где NA – чис­ло Авогадро, σ – полное сечение, ρ – плотность, A – атомный вес), то в качестве параметра, характеризующего нейтронные свойства замедли­теля определенного состава, рассматривают массовую длину замедле­ния: Y = ρL (г/см2).


 

Рис.3. Длина замедления нейтро­нов для вмещающих пород в зав­исимости от влажности пород при энергии нейтронов 1,5 эВ.

 

Обычно длину заме­дления рассчитывают для энергии, со­ответст­ву­ю­щей основному резонансу индия (Е =1,46 эВ). На рис.2 при­ведены резуль­таты расчета дли­ны замедления для некото­рых типичных горных пород. Анализ этих данных пока­зы­вает, что длина замедления слабо зави­сит от изменения изо­топного состава пород, но существенно меняется при повы­шении водородсодержания (влажности). Особенно резкие изменения ρL наблюдаются в области малых значений влажности (W < 5%). При W > 10% длина замедления меняется слабо.

Длина замедления существенно зависит от начальной энер­гии ней­т­ро­­нов, для всех горных пород эта зависи­мость одинакова: длина замедле­ния растет с увеличением энергии Ео.

 

Рис.4. Зависимость длины замедления нейтронов различной энергии от коэф­фициента пористости пород (поры заполнены водой).

 

 

Следует учесть, что L меняется в связи с изме­нением влажности W и плотности ρ влажной породы. Ана­лиз численных результатов показал, что при кп > 0,1 (W > 5 %) поли­энер­гетические источники можно заме­нить экви­валентными моноэнергети­чес­кими. Так, для Ро-Be- и Ra-Ве источников эне­р­гия эквивалентного моноэнергетического источника ле­жит в интервале 3,5 - 4,0 Мэв. Отме­тим, что длины замедления Ро - Be- и Ra – Ве источ­ников практически не отличаются друг от друга, особенно в области небольших влагосодержаний.

Среднее время замедления. Время замедления t3 пропорционально дли­не свободного про­бега L. Следовательно, характер зависимости t3 от изотоп­ного состава горных пород аналогичен рассмотренному для L. В частности, и здесь обобщенным параметром является произ­ведение плотности на время замедления. Для сухого песчаника ρt3 = 205 мксек*г/см3, для воды ρt3 = 1,03 мксек*г/см3. Таким образом, время замедления, в основном, определяется водородсодержанием горных пород.

Источники нейтронов. Возможности нейтронных методов во многом определяются типом источников нейтронов, т.к. интенсивность наведенного излучения прямо пропорционально плотности потока нейтронов Ф при активации. Суще­ст­вует три типа источников нейтронов.

1. Радиоизотопные источники. Описание их и принцип действия приведены выше, в разделе «Источники ядерных излучений». С изотопными источни­ками не удается получить плотности потока нейтронов выше 106 нейтрон/см2*сек. Этой плотности потока недостаточно для проведения многоэлементного НАМ.

2. Генераторы нейтронов. Это электростатические ускорители заряженных α-частиц, которые направляются на мишень из дейтерия Н3, в результате реакции получается гелий и нейтрон с энергией 14 Мэв. Эти быстрые ней­троны замедляются до тепловой энергии. Максимальная плотность потто­ка, достижимая на генераторах нейтронов, единицы на 109 нейтр/см2*сек.

Зонды для проведения нейтронного каротажа. В зависимости от регистрируемого детектором излучения стационарные нейтронные методы каротажа можно подразде­лить на собственно нейтронные методы, при использовании ко­торых измеряется плотность потока нейтронов в горных поро­дах, и нейтрон-гамма-методы, основанные на регистрации вто­ричного γ-излучения. К первой группе принадлежит нейтрон-нейтронный каротаж по тепловым (ННК-Т) и надтепловым (ННК-НТ), в том числе и резонан­с­ным (ННК-Р), нейтронам. Ко второй группе относятся нейтрон-гамма-каротаж по γ-излучению радиационного захвата нейтронов в интегральной (НГК) и спектрометрической (НГК-С) модификациях и нейтрон-активаци­о­н­ный (НАГК или АГК) каротаж. Взаимное расположение в скважинном приборе источника нейтронов и детекторов, используемых в стационарных нейтронных методах каротажа, показано на рис.5. Измерения обычно производят в геометрии 4л, и нейт­рон­ное облако вокруг скважины и вызываемые им гамма-поля обладают осевой сим­метрией. Пунктирные траектории нейтронов, иллюстрирующие процессы взаимодействия и ядерные реакции, идущие на быст­рых и медлен­ных нейтронах, показаны на рисунке условно.

Рис.5. Схема взаимодействия нейтронов с веществом и ядерных реакций, используемых в нейтронных методах каротажа.

 

При осуществлении какого-либо конкретного метода в скважинном приборе обычно применяются не разнотипные детек­торы γ-квантов (рис.5, 2а, 2г) или нейтронов (рис.5, 26,2в), а один или не­сколько однотипных детекторов, рассчитанных на регистрацию только одного вида излучения. В большинстве стационарных нейтронных методов каротажа используются радиоизотопные полониево-бериллиевые источники, испускающие быст­рые ней­троны с энергией около 4 МэВ. Между детекторами и источником располагается экран из парафина и свинца, защищающий де­тектор от воздействия прямого нейтронного и γ-излучения ис­точника.

Нейтрон-нейтронный каротаж (ННК). Плотность нейтронного пото­ка, сфо­р­мированного взаимодей­ствием нейтронов источника с ядра­ми элеме­нтов горных пород, в геометрии скважинных измерений, так же как при прохожде­нии узкого нейтронного пучка через вещество, определя­ется пол­ным нейтронным сечением Σ. Поэтому показания нейтрон-ней­тро­н­ного каротажа зависят и от водородосодержания, и от ве­щественного со­става горных пород. Разделить вклад рассеяния и поглощения при одно­временных изменениях ΣР и Σп довольно трудно. Однако во многих случаях влияние одного из этих па­раметров можно уменьшить, либо учесть, соот­ве­тствующим вы­бором зонда или энергии регистрируемых нейтронов.

Типичными приложениями ННК являются определения влажности горных пород и содержания в них элементов с ано­мально большими сечениями поглощения нейтронов. Определе­ние влажности W, которая непосредственно связана с пори­стостью, позволяет с помощью ННК дифференцировать осадоч­ные горные породы по литологическим приз­накам, оценивать прочностные качества пород и, что особенно важно, изучать свойства пластов как коллекторов нефти и газа. Остановимся лишь на основных поло­жениях, которые позволяют выяснить принципы выбора зондов и методики нейтронных методов.

Изменение показаний ННК в зависимости от влажности горной породы определяется рядом факторов, в том числе кон­струкцией экрана между источником и детектором нейтронов. Общим свойством всех гра­дуировочных кривых является инвер­сионный характер зависимости реги­стрируемой плотности по­тока нейтронов от водонасыщения среды. При фиксированной длине зонда R показания ННК с увеличением влажности сна­чала возрастают, достигают максимума при некотором значе­нии W и затем уменьшаются. Так же изменяются показания ННК при фикси­рованной влажности, но разной длине зонда. По характеру кривые IННК(W) при R = const и IННК(R) при W = const напоминают графики зависимости интенсивности рас­сеянного γ-излучения от плотности иссле­дуемой среды в ГГК и имеют примерно то же физическое объяснение.

Изменение показаний ННК с увеличением влажности свя­зано с различным геометрическим расположением облака за­медлившихся ней­тронов относительно детектора. При малой влажности в связи с неболь­шим содержанием в горной породе водорода, служащего наиболее эффек­тивным рассеивателем нейтронов, средняя длина пробега их в среде велика, и ней­тронное облако формируется на значительном удалении от де­тектора, которого достигает лишь небольшое число нейтронов. С увеличением водородосодержания, благодаря уменьшению длины пробега L, нейтронное облако постепенно приближается к детектору, чем и вызвано появление максимума на кривой IННК(W). При большой влажности облако нейтронов снова уда­ляется от детектора, теперь приближаясь к источнику, и пока­зания ННК уменьшаются.

Инверсия зависимости данных ННК от влажности харак­терна как для надтепловых, так и для тепловых нейтронов, по­скольку их плотности в среде взаимосвязаны. На плотность тепловых нейтронов сильнее влия­ют вещественный состав пород и минерализация пластовых вод, в особе­нности содержание хло­ра, который имеет большое сечение захвата тепловых нейтро­нов. Однако чувствительность ННК-Т выше, чем ННК-НТ. По­этому определения влажности и пористости пластов с пресной водой ведут по ННК-Т, а пластов с минерализованной водой — по ННК-НТ. Для перехода от ННК-Т к ННК-НТ достаточно окружить детектор кадмиевым экраном, который полностью поглощает тепловые нейтроны. Надтепловые же нейтроны за­медляются в этом экране до тепловых и регистрируются де­тектором.

Для уменьшения влияния заполнения скважины и увеличе­ния радиуса исследования ННК-Т и ННК-НТ, определе­ния влажности ведут с заинверсионными зондами, поэтому пористые водонасыщенные пласты на каротажных диаграммах отмечаются минимумами. Плотность тепловых и надтепловых нейтронов в процессе измерений с заинвер­сио­н­ными зондами при увеличении влажности убывает приблизительно по экспо­ненциальному закону.

Рассмотрим применение нейтрон-нейтронного каротажа для опреде­ления элементов с большим сечением поглощения ней­тронов. В данном случае для уменьшения влияния водородо­содержания выгодно применять инверсионные зонды. Поскольку влияние влажности при этом исключа­ется в небольших преде­лах и на форме кривых IННК (W) сказывается конструкция зон­да, длина инверсионного зонда выбирается экспери­ментально, с учетом реальных изменений влажности пород.

Характерным элементом с большим σп является бор, кото­рый погло­щает нейтроны по реакции (n, α). Одна из проблем, которую прихо­дится решать при разведке месторождений бо­ратов, - определение боль­ших содержаний бора. Сечение поглощения нейтронов бором, а следо­ва­тельно, и чувствительность нейтронной борометрии настолько велики, что ННК-Т практически не позволяет раз­личать содержания бора вы­ше 1,5% из-за выполаживания (концентрационного вы­рождения) градуировочной кри­вой. Поэтому большие со­держания В определяются с помощью ННК-НТ. Сечение реакции σ(n, α) убывает с увели­чением энергии нейтронов как 1/v, и градуировочный график ННК-НТ линеен в существен­но большем диапазоне содер­жаний В, чем график ННК-Т.

Пример использования ННК с плутониево-бериллиевым источником для определе­ния бора в датолитовых скар­нах приведен на рис.6. Этот при­мер интересен тем, что исследовалась возможность оп­ределения бора со сравнитель­но узкополосными радиационно-резонансными детекторами нейтронов. Последние пред­ставляли сочетание сцинтилляционного счетчи­ка γ-квантов с фольгами из элементов с яр­ко выраженными резонансами в сечении захвата — кадмия, серебра, родия, тулия, индия и тантала. Кадмий выполнял в основном роль поглотителя тепловых нейтронов. Другие фоль­ги служили мишенями, которые, эффективно погло­щая резонансные нейт­ро­ны по реакции (n,γ), испускали γ-кванты с энергией 6 - 7 мэВ, регистри­ро­вав­ши­еся сцинтилляционным счетчиком. Тем самым удавалось выделить надтепловые нейтроны, энергия которых совпадала с нейтрон­ными резо­нан­сами соответствующих фольг. Чтобы исключить влияние естественной радиоактивности и γ-лучей радиационного захвата нейтронов в горных породах, на скважинный прибор одевался свинцовый экран.

 

Рис.6. Определение бора с помо­щью ННК

1 - выход керна; 2 - содержание В по данным химических анализов керна. Диа­граммы: 3 - НГК; 4, 5 - ННК-НТ (4 - с фильтром из Ag, 5 - со сложным фильт­ром из Cd, Rh, In, Ag, Та, Tm). По­роды и минералы: 6 - кварц; 7 – геден­бер­гит; 8 - кальцит; 9 - датолит; 10 - гранат; 11- волластонит

 

Из рис.6 видно, что диаграммы ННК-НТ с резонансными фильтрами значительно лучше дифференцируют бороносные по­роды, чем кривая ННК, показания которого определяются главным образом плотностью тепловых нейтро­нов. Выделяя резонансные нейтроны, удавалось опре­де­лять со­держания бора до ~ 15 %.

Нейтрон-гамма-каротаж (НГК). Задачи определения влажности и содержания нейтронопоглощающих элементов могут быть решены также методом НГК. В этом методе об изменении по­тока нейтронов в горных породах судят по интенсивности γ-излучения радиационного захвата, возникающего при реакции (n, γ). Таким образом, в НГК реализуется по существу тот же прин­цип измерения плотности нейтронов, на котором основано при­менение только что рассмотренных резонансных детекто­ров, с той разницей, что показания НГК зависят не от сечений от­дель­ных элементов, а от полного нейтронного сечения горной породы Σ. В этом смысле возможности НГК более ограничены по сравнению с ННК, в котором можно раздельно регистриро­вать плотность тепловых, надтеп­ловых и резонансных нейтронов.

Между тем захватное γ-излучение, как правило, является жестким и, следовательно, может нести информацию об актах поглощения нейтро­нов, состоявшихся на значительном удале­нии от скважины. Благодаря этому НГК по сравнению с ННК обладает несколько большей глубинно­стью, что в ряде случаев имеет первостепенное значение. Кроме того, НГК можно осу­ществить в спектральной модификации - НГК-С. Спектромет­рия γ-излучения радиационного захвата нейтронов, несмотря на труд­ности выделения отдельных γ-линий на фоне интенсив­ного комптонов­с­кого распределения, обусловленного высокой энергией захватных γ-лучей, предоставляет возможности одно­значного определения ряда элементов.

Таким образом, НГК, дублируя при решении некоторых за­дач ННК, обладает своими пре­имуществами и имеет самостоятельную область при­менения. Большими принципиальными возможностями по сравне­нию с интегральным НГК обладает НГК-С (спектрометрическая модифи­кация НГК). В связи со сложностью спектров захватного γ-излучения, необ­ходимостью учета нало­жения линий, влияния влажности и нейтро­нопоглощающих свойств элементов-спутников при количественных определениях в НГК-С возникает множество трудноразрешимых проблем. Тем не менее НГК-С использовался при выделении целого ряда по­лезных ископаемых.

Хром. Условия применения НГК-С для исследования хромитовых руд, залегающих в плотных ультраосновных породах с малой порис­тостью, отличаются небольшими колебаниями влажности, поэтому влия­ние изменения водородосодержания можно полностью устранить испо­ль­зованием инверсионных зондов. Сложнее учесть влияние железа: оно имеет соизмеримое с Сг макроскопическое сечение захвата тепловых нейтронов, а спектры γ-лучей радиационного захвата железа и хрома пере­крываются. Упрощает дело то обстоятельство, что количество железа во вмещающих породах примерно постоянно (~4,5%), а в промышленных рудах содержания Сг и Fe коррелируют. Поэтому измерения интенсивно­сти захватных γ-лучей в области энергий выше 7 МэВ позволяют надежно выделить богатые хромитовые руды. В более сложных случаях отсутствия прямой корреляции между Сг и Fe учесть влияние железа удается из­мере­ни­ем спектрального отношения ηНГК в двух спектральных областях, в одной из которых (3—5 МэВ) главный вклад дает железо, а в другой (7—10 МэВ) влияют одновременно и же­лезо, и хром.

Сера. На месторождениях серы НГК-С является одним из немногих методов непосредственного выделения серных руд. Рассматриваемые на рис.7 результаты получены на место­рождении карбонатного типа, на кото­ром серное оруденение приурочено к известнякам, мергелям и доломи­там, контакти­рующим с гипсами и ангидритами или переслаивающимся с ними. Основой методики НГК-С на этом месторождении послу­жила наблю­даемая здесь обратная корреляция между содер­жаниями серы и кальция: с увеличением содержания серы ко­личество кальция в породах уменьшается, и наоборот.

Главными элементами, формирующими спектр захватного γ-излуче­ния в пересекаемых скважинами породах при измере­ниях с Ро—Ве-исто­чником нейтронов, являются сера, кальций, кремний и водород. Излуче­ния кремния и водорода исключа­лись регистрацией захватного излу­чения в области энергий выше 3 МэВ, где основной вклад дают кальций и сера. Макси­мальный вклад серы наблюдали при измерениях захват­ных γ-лучей в интервале энергий 4 -5 МэВ, а кальция - в интер­вале энергий выше 5 МэВ.

 

Рис.7. Применение НГК-С для выделения серных руд.

Диаграммы НГК-С: 1- Еγ = 4,0 - 5,0 МэВ; 2 - Еγ = 5,1- 6,7 МэВ, R = 20 см; 3, 4 - те же энергетические области, R = 35 см; 5 — спек­трального отношения.

Содержания серы по: 6 - данным химических анализов керна; 7 - НГК-С (R = 20 см); 8 - НГК-С (R = 35 см); 9 - спектральному отношению.

Колонки скважины по: 10 - керну: 11 - каротажу. Породы: 12 – глнна мергелистая; 13 - известняк; 14 - известняк осерненный.

 

Из всех испытанных методик наибольшей помехоустойчи­востью обладала методика измерения спектрального отноше­ния интенсивностей захватного излучения ηНГК в «серном» и «кальциевом» каналах (диагра­м­ма 5 рис.7), которая позволила учесть непостоянство влажности и плотности пород. Гистограм­ма 9 содержания серы в пласте получена умножением интер­вальных значений ηНГК на пересчетный коэффициент, кото­рый был найден по измерениям на моделях серных руд.

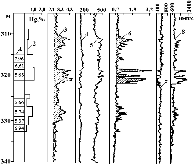
Ртуть. На месторождениях ртути НГК-С испытывался сов­местно с методом рентгенорадиометрического каротажа (РРК).

Рис.8. Применение НГК-С для выделения ртутного оруденения.

Содержания по данным химических анализов керна: 1- Fe; 2 - Hg. Диаграммы НГК-С: 3 - отношения интенсивностей при энергиях γ-лучей 4 -5 и 6 - 10 МэВ (I4 - 5/I6 - 10); 4 - I4 - 5; 5 - I6 - 10. Данные РРК: 5 —диаграмма ηPb = I65-75/I80-90; 7 - I65-75; 8 - I80-90.

 

Мешающими фак­торами для НГК-Спри определениях ртути были непостоянная влаж­ность горных пород и руд, присутствие в них переме­нных количеств каль­ция, бария, сурьмы и железа. Помехоустойчивость НГК-С, как и ра­нее, достигалась путем измерений отношения ηНГК-С спект­ра­льных интенси­вностей за­хватного γ-излучения в интервалах энергий 4-5 МэВ, в кото­ром наблюдался максимальный вклад захватных γ-линий ртути, и 6 -10 МэВ, где основной вклад давало захватное излуче­ние кальция и железа. Было установлено, что измерение ука­занного спектра­ль­ного отношения позволяет устранить влия­ние водородосодержания пород, бария, кальция и сурьмы и уменьшить влияние железа.

Предел обнаружения ртути по методике спектрального отно­шения НГК-С составил 0,06—0,08 % Hg, что удовлетворяет тре­бованиям вы­де­­­­ле­­ния промышленных ртутных руд. Чувствитель­ности РРК с источ­ни­ком 75Se (0,3—0,4 % Hg) оказалось недо­статочно. Диаграммы НГК-С и РРК на ртутном месторождении приведены на рис.8.

Нейтронно-активационный каротаж, который сокращенно на­зы­­ва­ют также активационным гамма-каротажем (АГК), ос­нован на изме­рени­ях γ-активности искусственных радиоактивных изотопов, возникающих из стабильных ядер по реакции (n, γ). Искусственные радиоактивные изотопы, которые яв­ляются γ-излучателями, в принципе могут быть обра­зо­ваны под действием нейтронов из ядер большинства элементов Периоди­ческой таблицы. Применительно к АГК число таких ядер ограничено пре­ж­де всего мощностью доступных источников нейтронов. Проведение АГК осложняется трудностью управления энергией нейтронов (которое в лабо­раторных условиях легко осуществить, помещая образец в кад­миевый или борный фильтр), влиянием заполнения скважины и непостоянством ней­тронных и γ-лучевых свойств горных по­род. Выделение наведенной активности затруднено также боль­шим уровнем фона и ограниченными разрешением и эффектив­ностью используемых сцинтилляционных γ-спектрометров.

В связи с трудностью решения ряда аппаратурных и мето­дических воп­росов АГК, несмотря на принципиальную универсальность, применя­ется пока для опре­деления ограниченного круга элементов. Среди них нужно ука­зать фосфор, фтор, хлор, алюминий, кремний, марганец, медь, каль­ций.

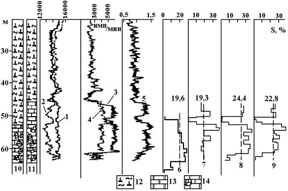
Фосфориты. Применение АГК на фосфоритовом месторожде­нии Ма­лого Каратау показано на рис.9. Между фосфором и фтором в данном случае имелась тесная корреляционная связь, поэтому АГК на фтор по­зво­лил выделять в разрезах скважин все породы фосфоритовой серии и по фтору косвенно оценивать содержания фосфора. Рассматриваемый при­мер интересен и тем, что активационный каротаж позволил определять в рудах также кремний, алюминий и кальций, т. е. практически все основ­ные компоненты, которые учитываются при оценке каче­ства фосфори­то­вых руд.

Рис.9. Применение АГК на месторождении фосфорита. Содержания: 1- Р2О5; 3 - SiO2; 5 - А12О3; 7 - СаО. Диаграммы: 2 - АГК(F) по 16N; 4 - АГК по 28Аl, Ро-Ве-источник; 6 - то же, Ро-В-источник; 8 - АГК по 49Са. Породы: 9 - доломит; 10 - фосфорит; 11- фосфато-кремнистый сланец; 12 - кремнистая порода.

 

Алюминий и кремний. А1 и Si определялись по наведенной γ-актив­ности изотопа 28А1 с T1/2 = 2,3 мин, который образуется по реакциям 27А1(n, γ) 28А1 и 28Si(n, р) 28А1. Разделение актив­ностей, обусловленных алюминием и кремнием, основывалось на различии энергетической зависимости сече­ний этих реакций. Первая из них идет на тепловых нейтронах, вторая - на бы­стрых нейтронах с порогом 3,9 МэВ. В этом случае в АГК эффе­к­ти­вен так называемый способ двух источников. Приме­няя активацию с Ро-Ве источником, на нейтронах которого идут обе реакции, получают диаграмму суммарной активности алюминия и кремния. Проводя измере­ния с Ро-В источником, на нейтронах которого идет главным образом реа­кция на ядрах алюминия, можно раздельно определить содержания А1 и Si.

Интенсивности I1 с Ро-Be и I2 с Ро-В источниками определяются соот­ношениями

I1 = α1qAl + β1qSi; I2 ≈ α2qAl (12)

где α1, β1 и α2 - коэффициенты, представляющие интенсивности γ-излучения изотопа 28А1 на единицу содержания алюминия и кремния при активации соответственно нейтронами Ро-Be и Ро-В источников.

Решая систему уравнений (12), получим формулу для определения отношения Si/Al, обратного так называемому кремневому модулю М:

I1/I2 = A + BM (13)

где А = α12 и В = β12. Коэффициенты α1, β1 и α2 можно найти путем об­работки по способу наименьших квадратов пока­заний АГК с двумя ис­точ­никами в опорных скважинах с разны­ми содержаниями А1 и Si, кото­рые предварительно должны быть определены химическим анализом керна.

Диаграммы АГК по 28А1 на рис.9 получены при следую­щих усло­ви­ях измерений:длина зонда R=2,5м; V = 60 - 80 м/ч; порог дискриминации γ-спектрометра при выде­лении наведенной активности 28А1 - 1 МэВ. Пре­де­лы обнаруже­ния А1 и Si при непрерывном каротаже с Ро-Ве источником нейтронов мощностью (2 - 3) * 107 нейтр/с и Ро-В источником нейтронов мощностью ~107 нейтр./с составили 0,2 - 0,5% А12О3 и 4 - 6 % SiO2.

Кальций. Определение кальция осуществлялось по γ-излучению радио­активного изотопа 49Са с Т1/2 = 8,8 мин, который образуется из ста­бильного изотопа 48Са по реакции 48Са(n, γ)49Са, идущей на тепло­вых нейтронах. Распад ядер 49Са сопровождается испусканием γ-квантов с энергией 3,1 МэВ. Измерения проводились по точкам. Время активации tА было равно 26 мин, паузы tП — 2 мин, измерений tИ — 26 мин. Реги­стриро­валась кривая спада суммарной активности I(t), из ко­торой по наклону кривой в полулогарифмическом масштабе, соответствующему постоянной распада λ изотопа 49Са, выде­лялась кальциевая составляющая.

Задача количественных определений кальция сводилась к решению уравнения I(t)= ICa(t) + Iф, где Iф— фон естествен­ной радиоактивности и наведенной активности долгоживущих изотопов. Содержание кальция определялось по формуле IсрCa = k qCa, где IсрCa - среднее значение наве­денной активности 49Са по пласту, приведенное к началу измерений, а k — коэффи­циент пропорциональности, который находился по измерениям в опорных скважинах.

Бокситы. На месторождениях высококачественного глинозем­ного сы­рья, бокситов, методика определения алюминия с по­мощью АГК упрощает­ся. Благодаря сравнительно небольшим содержаниям Si в бокситах вклад «кремневой» составляющей в наведенную активность 28А1 невелик, и для определения алю­миния достаточно измерений с одним источником.

Медь. Месторождения медных руд — довольно сложный объект для АГК, поскольку выделение наведенной активности Си связано с необ­ходимостью учета влияния активации ряда «мешающих» элементов. Идентификация меди обычно осуществляется по двум ее радиоактивным изотопам: короткоживущему 66Си с Т1/2 = 5,l мин, Еγ = 1 МэВ и долго­жи­вущему 64Си с Т1/2 = 12,8 ч и Еγ = 0,56 МэВ. Эти изотопы обра­зуются по реакциям 65Cu (n, γ) 66Cu и 63Си (n, γ) 64Си, идущим на тепловых нейтро­нах. Распространенности изотопов составляют соответственно 30,9 и 60,1 %. Наибольшей универсальностью, чувствительностью и точностью отли­чается методика по долгоживущему изотопу 64Си, в которой выбором оптимального ре­жима измерений (tА, tП, tИ) удается полностью исклю­чить влия­ние короткоживущей слагающей, обусловленной активацией алюминия и кремния, а также вклад γ-лучей 56Мn, образующегося преимущественно из ядер 56Fe.

Задача определения меди при исключении влияния 56Мn с помощью «временной селекции» сводится к учету влияния 24Na с близким к 64Сu периодом полураспада (~15 ч). Энергии γ-квантов 64Сu и 24Na разли­чаются почти в 3 раза (~0,5 и ~ 1,4 МэВ), поэтому разделить их можно с помощью γ-спектрометра. Регистрируя γ-излучение в областях энер­гии 0,3—0,6 и более 0,7 МэВ, получают интенсивности, первая из кото­рых обу­словлена суммой активностей 64Си и 24Na, а вторая - только актив­ностью 24Na. Дальнейшая процедура состоит в решении системы двух уравнений, аналогичных рассмотренным для алю­миния и кремния. Про­до­лжительность анализа по этой мето­дике определяется в основном длительностью паузы, которую выбирают равной 8 -15 ч для того, чтобы за это время успел распасться изотоп Мn (Т1/2 = 2,6 ч).

Время анализа по б4Си можно значительно уменьшить, если учиты­вать влияние марганца чисто расчетным путем, пользуясь измерениями дополнительной спектральной интенсивности в об­ласти ~0,85 МэВ, в кото­рой наблюдается наибольший вклад γ-излучения 56Мn. Продолжи­те­ль­ность паузы тогда можно со­кратить до ~ 40 мин, поскольку в данном случае она необхо­дима лишь для уменьшения вклада короткоживущей составляющей. Суммарное время анализа по ускоренной методике не превышает 1,5 -2 ч.

Сплошные медноколчеданные и полиметаллические руды с неболь­шим содержанием А1 и Si анализируются на медь по короткоживущему изотопу 66Сu, что позволяет еще больше повы­сить производительность АГК. Для разделения активностей 28А1, 56Мn и 66Сu применяются измере­ния интенсивностей вто­ричных γ-лучей в интервалах энергии 0,96—1,14 МэВ (I1) и 1,24—1,44 МэВ (I2). Содержание меди определяется путем ре­шения системы уравнений

I1 = I1Cu + I1Al +I1Mn; I2 = I2Al + I2Mn

Рис.10. Нейтронно-активационные определения меди.

1 - диаграмма ГГК-С. Содержания меди по: 2 - данным геологического опробования;

3 - АГК. Породы и руды:4, 5 - сплошной колчедан (4 - цинковый, 5 - медно-цинко-

вый); 6 - медистый вкрапленник; 7 - вкрапленная цинковая руда; 8 - серицито-кварцевая порода с вкрапленностью сульфидов.

 

Интенсивности I2Al и I2Mn хорошо разделяются с помощью времен­ной селекции в связи с большой разницей в периодах полурас­пада 28А1 и 56Мn. Вклад излучения алюминия и марганца в пер­вую спектральную область определяется умножением I2Al и I2Mn на «спектральные» коэффи­ци­енты СAl и СMn, которые зависят от эффективности и энергетического разрешения γ-спектрометра:

I1Al = I2Al СAl; I1Mn = I2Mn СMn

Полное время анализа на точке по 66Сu составляет 10 - 30 мин. При­мер результатов АГК по короткоживущему изотопу дан на рис.10. Мож­но отметить хорошую их сходимость с химиче­скими анализами керна.

Точность АГК зависит от правильности определения коэф­фициентов пересчета интенсивности IСu к qCu. Величина этих коэффициентов с измене­нием эффективного атомного номера руд может варьировать в широких пределах. Поэтому пересчет­ные коэффициенты рекомендуется определять для каждого типа руд и даже для отдельных рудных интервалов, пользуясь диа­граммой ГГК-С, показания которой, так же как интенсивность γ-излу­че­ния наведенной активности, непосредственно связаны c Zэфф.

 



<== предыдущая | следующая ==>
Резонансные процессы | 





Date: 2015-07-01; view: 4648; Нарушение авторских прав



mydocx.ru - 2015-2026 year. (3.179 sec.) Все материалы представленные на сайте исключительно с целью ознакомления читателями и не преследуют коммерческих целей или нарушение авторских прав - Пожаловаться на публикацию