Главная Случайная страница


Полезное:

Как сделать разговор полезным и приятным Как сделать объемную звезду своими руками Как сделать то, что делать не хочется? Как сделать погремушку Как сделать так чтобы женщины сами знакомились с вами Как сделать идею коммерческой Как сделать хорошую растяжку ног? Как сделать наш разум здоровым? Как сделать, чтобы люди обманывали меньше Вопрос 4. Как сделать так, чтобы вас уважали и ценили? Как сделать лучше себе и другим людям Как сделать свидание интересным?


Категории:

АрхитектураАстрономияБиологияГеографияГеологияИнформатикаИскусствоИсторияКулинарияКультураМаркетингМатематикаМедицинаМенеджментОхрана трудаПравоПроизводствоПсихологияРелигияСоциологияСпортТехникаФизикаФилософияХимияЭкологияЭкономикаЭлектроника






Электрические диаграммы





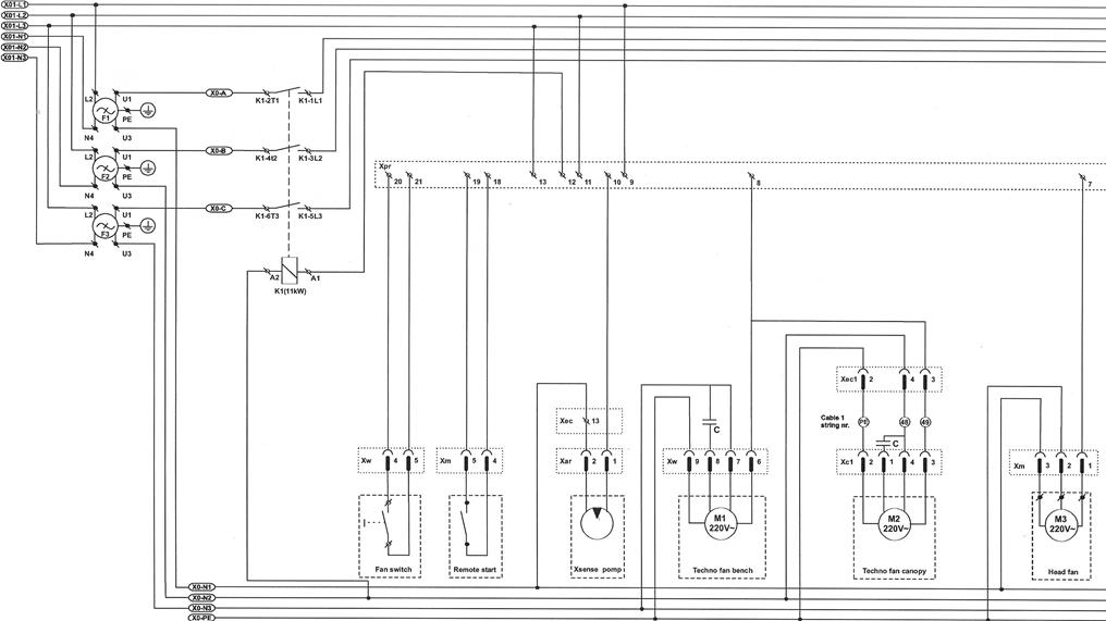
Верхний свод 28 SLi 1 Лицевой экран

R00

 

Верхний свод 28 SLi 3 Лицевых экрана

R01

 

 

Верхний свод 28 SPr

R01

 

 

 

 

Верхний свод 32 SLi

R01

 

 

 

Верхний свод 32 SPr

R01

 

 

Верхний свод 36 SLi

R01

 

Верхний свод 36 SPr

R01

 

 

 

Нижний свод 28 – серия

R00

 

Нижний свод 32 – серия

R00

 

 

Нижний свод 36 – серия

R00

 

 

 

Управление 1

R01

 

Управление 2

R00

 

 

 

Конденсаторы

R01

 

Примечание: Эта конфигурация конденсатора используется для Примечание: Эта конфигурация конденсатора используется для

следующего оборудования: Lumina 32 SPr следующего оборудования: Lumina 28 SLi

 

Конденсаторы

R01

 

Примечание: Эта конфигурация конденсатора используется для Примечание: Эта конфигурация конденсатора используется для

следующего оборудования: Lumina 32 SLi следующего оборудования: Lumina 28 SLi

 

 

Конденсаторы

R01

 

Примечание: Эта конфигурация конденсатора используется для Примечание: Эта конфигурация конденсатора используется для

следующего оборудования: a. Lumina 36 SPr следующего оборудования: Lumina 28 SPr

b. Lumina 36 SLi

c. Lumina 36 SLi Intensive

d. Lumina 36 SPr Intensive

 







Date: 2015-06-11; view: 606; Нарушение авторских прав



mydocx.ru - 2015-2026 year. (2.151 sec.) Все материалы представленные на сайте исключительно с целью ознакомления читателями и не преследуют коммерческих целей или нарушение авторских прав - Пожаловаться на публикацию