Главная Случайная страница


Полезное:

Как сделать разговор полезным и приятным Как сделать объемную звезду своими руками Как сделать то, что делать не хочется? Как сделать погремушку Как сделать так чтобы женщины сами знакомились с вами Как сделать идею коммерческой Как сделать хорошую растяжку ног? Как сделать наш разум здоровым? Как сделать, чтобы люди обманывали меньше Вопрос 4. Как сделать так, чтобы вас уважали и ценили? Как сделать лучше себе и другим людям Как сделать свидание интересным?


Категории:

АрхитектураАстрономияБиологияГеографияГеологияИнформатикаИскусствоИсторияКулинарияКультураМаркетингМатематикаМедицинаМенеджментОхрана трудаПравоПроизводствоПсихологияРелигияСоциологияСпортТехникаФизикаФилософияХимияЭкологияЭкономикаЭлектроника






Сопряжение б

Сопряжение а

Принимаю посадку с зазором, т.к. сопряжение подвижное.

Принимаю систему отверстия, т.к. условий для системы вала нет, а при прочих условиях система отверстия экономичнее.

Для размера отверстия принимаю основное отклонение H, т.к. отверстие в системе отверстия является основным.

Для размера вала принимаю основное отклонение d, т.к. сопряжение подвижное, длина хода детали меньше нормальной, движение поступательное, остальные условия нормальные.

Для размера отверстия принимаю 8й квалитет, для размера вала принимаю 7й квалитет, т.к. центрирование деталей не требуется, достаточно обеспечить однородность посадки несколько грубее нормальной, условия нормальные.

Для отверстия принимаю допуск цилиндричности по 7й степени точности, т.к. принят 8й квалитет размера, для вала – по 6й степени точности, т.к. принят 7й квалитет размера и к деталям предъявляются повышенные требования по форме.

Для отверстия принимаю Ra=6,3 мкм, для вала – Ra=6,3 мкм, т.к. номинальные размеры входят в интервал 120–500 мм, для размера отверстия принят 7й квалитет, а вала – 6й квалитет, допуски формы приняты в пределах допусков размеров.

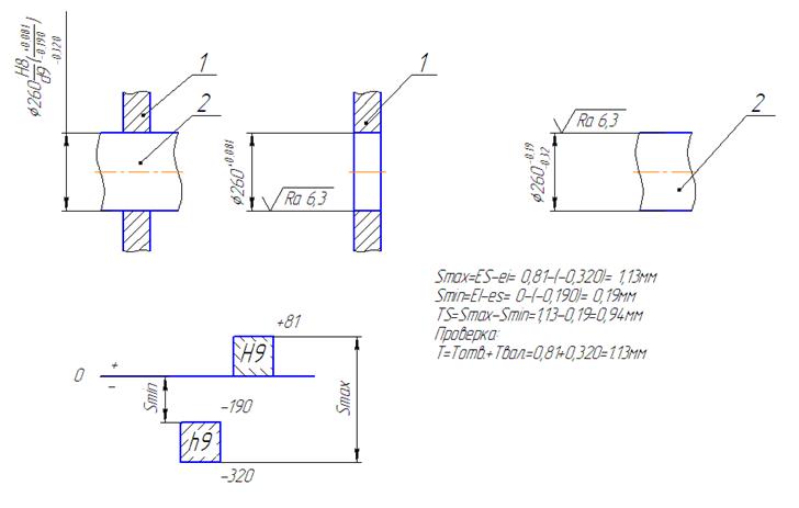
Сопряжение б

Принимаю посадку с зазором, т.к. сопряжение подвижное.

Принимаю систему вала, т.к. гладкий участок вала входит в несколько сопряжений с различными посадками.

Для размера отверстия принимаю основное отклонение Н, т.к. сопряжение подвижное, герметизация за счёт посадки не требуется, движение поступательное, количество опор больше нормального, остальные условия нормальные.

Для размера вала принимаю основное отклонение h, т.к. вал в системе вала является основным.

Для размера отверстия принимаю 7й квалитет, для размера вала принимаю 7й квалитет, т.к. нужно создать запас точности на износ деталей, остальные условия нормальные.

Для отверстия принимаю допуск цилиндричности по 6й степени точности, т.к. принят 7й квалитет размера, для вала – по 6й степени точности, т.к. принят 7й квалитет размера и к деталям предъявляются повышенные требования по форме.

Для отверстия принимаю Ra=3,2 мкм, для вала – Ra=3,2 мкм, т.к. номинальные размеры входят в интервал 18–50 мм, для размера отверстия принят 7й квалитет, а вала – 7й квалитет.

 

 



<== предыдущая | следующая ==>
Текст 50 | Шакин Сергей Александрович





Date: 2015-06-11; view: 737; Нарушение авторских прав



mydocx.ru - 2015-2026 year. (6.532 sec.) Все материалы представленные на сайте исключительно с целью ознакомления читателями и не преследуют коммерческих целей или нарушение авторских прав - Пожаловаться на публикацию