Главная Случайная страница


Полезное:

Как сделать разговор полезным и приятным Как сделать объемную звезду своими руками Как сделать то, что делать не хочется? Как сделать погремушку Как сделать так чтобы женщины сами знакомились с вами Как сделать идею коммерческой Как сделать хорошую растяжку ног? Как сделать наш разум здоровым? Как сделать, чтобы люди обманывали меньше Вопрос 4. Как сделать так, чтобы вас уважали и ценили? Как сделать лучше себе и другим людям Как сделать свидание интересным?


Категории:

АрхитектураАстрономияБиологияГеографияГеологияИнформатикаИскусствоИсторияКулинарияКультураМаркетингМатематикаМедицинаМенеджментОхрана трудаПравоПроизводствоПсихологияРелигияСоциологияСпортТехникаФизикаФилософияХимияЭкологияЭкономикаЭлектроника






Теоретическая часть





СОГЛАСОВАНО УТВЕРЖДАЮ

Зав. кафедрой ОПНН, доцент Зам. директора по учебной работе

______________Н.М. Захаров _______________Г.И. Евдакимов

_______________ _______________

 

Методические указания к лабораторной работе № 6

ОПРЕДЕЛЕНИЕ МОМЕНТА ЗАЩЕМЛЕНИЯ СТАТИЧЕСКИ

НЕОПРЕДЕЛИМОЙ БАЛКИ

Дисциплина “Сопротивление материалов”

 

СОГЛАСОВАНО РАЗРАБОТАЛ

Инженер по охране труда Доцент кафедры ОПНН

____________ Г.В. Мангуткина ___________ Р.Р. Газиев

_____________ _____________

 

Салават 2008

Методические указания предназначены для студентов специальности 240801 “Машины и аппараты химических производств” очной, очно-заочной и заочной форм обучения и рекомендуются к применению при выполнении лабораторных работ по дисциплине “Сопротивление материалов”.

 

 

© Филиал ГОУ ВПО “Уфимский государственный нефтяной технический университет” в г. Салавате, 2008

Лабораторная работа № 6

 

Определение момента защемления статически неопределимой балки

 

Цель работы: определение опытным путем величины момента защемления однопролетной статически неопределимой балки и сравнение полученного результата с теоретическими значениями.

 

ТЕОРЕТИЧЕСКАЯ ЧАСТЬ

 

Статически неопределимой системой (СНС) называется система, усилия в элементах которой невозможно определить только при помощи уравнений статики. СНС имеют дополнительные, или так называемые “лишние”, связи, в виде закреплений, стержней либо других элементов. Лишние связи не являются необходимыми для обеспечения равновесия или геометрической неизменяемости системы, т.е. их постановка обусловлена условиями эксплуатации с целью повышения прочности и жесткости.

Количество лишних связей (или лишних неизвестных усилий) соответствует степени статической неопределимости системы, которая находится как разность между числом неизвестных усилий и числом уравнений статики. Статическая неопределимость системы может быть результатом не только введения дополнительных внешних связей (например, опорных устройств), но и условий образования системы (например, наличие жесткосоединенных между собой стержней или промежуточных шарниров в элементах конструкции).

Для определения усилий в статически неопределимых системах дополнительно к уравнениям статики составляют уравнения совместности деформаций. Учитывая то, что лишние связи накладывают определенные ограничения на перемещения тех сечений, к которым они приложены, это обстоятельство и используется для составления дополнительных уравнений деформаций. Расчет СНС производится в следующей последовательности:

- устанавливается степень статической неопределимости системы, т.е. выясняется число лишних связей или усилий;

- заданная система освобождается от лишних связей и заменяется основной системой, представляющую собой статически определимую геометрически неизменяемую систему. Вариантов основных систем может быть несколько, в зависимости от того, какие лишние связи отброшены. Рациональный выбор основной системы упрощает расчет статически неопределимых систем;

- основная система загружается заданными нагрузками и лишними неизвестными усилиями, заменяющими действие удаленных связей. Полученная система называется эквивалентной;

- для эквивалентности основной системы с заданной, неизвестные усилия должны быть подобраны таким образом, чтобы деформации обеих систем были одинаковыми. Для этого приравнивают к нулю перемещения точек приложения неизвестных усилий по направлению их действия. Уравнения перемещений удобно составлять по определенной закономерности (канону) в так называемой канонической форме. Для любой n раз статически неопределимой системы, имеющей Xn лишних неизвестных усилий, канонические уравнения представляются в таком виде:

 

(1)

 

В этих уравнениях параметр вида d ij представляет собой удельное перемещение в i -той точке системы, вызванного действием единичной силы, приложенной в j -той точке; параметр вида D i F представляет собой перемещение в i -той точке системы, под действием заданной внешней нагрузки. Названные перемещения канонических уравнений чаще всего определяют по методу Мора или способу Верещагина.

5 После нахождения всех перемещений выполняется решение канонических уравнений и определяются все лишние неизвестные усилия системы (Х1, Х2,... Хn).

Рассмотренный метод расчета СНС называется методом сил, поскольку в качестве основных неизвестных здесь выбирают усилия лишних связей.


В проводимой лабораторной работе определение лишнего неизвестного усилия выполняется на настольной установке двухопорной защемленной балки типа СМ-11А (рисунок 1). Установка состоит из следующих частей: исследуемой балки 1 прямоугольного сечения (3´40) мм2, изготовленной из стали марки Ст3; неподвижной 2 и подвижной 3 опорных стоек; основания 4, установленного на четырех регулируемых винтовых ножках; устройства, создающего жесткое защемление с индикатором 5 часового типа. Нагружение балки осуществляется с помощью двух подвесок с гиревыми подвесами 6, на которые навешиваются грузы по 10 Н. Подвески могут перемещаться вдоль балки с фиксацией винтами в любой точке ее пролета. Длина пролета балки может изменяться от 650 до 800 мм путем перемещения подвижной стойки, за счет чего также может быть создана схема консольной балки со свешивающимся участком.

На неподвижной опорной стойке расположено устройство, имитирующее жесткое защемление балки. На оси опоры 2 жестко закреплен рычаг 7, по которому перемещается противовес 8. Положение противовеса определяется по линейной шкале, нанесенной на поверхности рычага. На конце рычага крепится подвеска 9 для установки сменных грузов, которые вместе с противовесом создают реактивный момент в опорном сечении (момент защемления). Угол поворота опорного сечения балки определяется по индикатору 5 часового типа, приводимого в действие от вертикального рычага 10, жестко связанного с опорным сечением балки.

 

78213

 

945106

 

Рисунок 1- Лабораторная установка СМ-11А

 

 

2 Порядок проведения работы

 

2.1 Согласно указанной преподавателем расчетной схемы подготовить установку для выполнения опыта.

2.2 Перемещая противовес 8 по рычагу 7 добиться установления стрелки индикатора 5 на нуль.

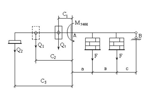
2.3 По шкале рычага произвести отсчет начальной координаты противовеса относительно опорного сечения образца - С1 (рисунок 2).

2.4 Давая одинаковые приращения нагрузки одновременно на две подвески 6 (например по 10 Н), произвести 2-3 нагружения исследуемой балки в упругой зоне. Наибольшая величина груза на одну подвеску не должна превышать 30 Н.

2.5 После каждого приращения нагрузки регистрировать приращение углового перемещения опорного сечения балки по шкале индикатора.

2.6 Проверить справедливость линейной зависимости перемещений от нагрузки, построив диаграмму нагружения (рисунок 3).

2.7 Сместить противовес в положение С2 (рисунок 2), которое соответствует возвращению стрелки индикатора в исходное нулевое положение. При необходимости воспользоваться грузом, который укладывается на гиревую подвеску 9.

2.8 Определить величину опытного момента защемления, Mтеор, Нм, препятствующего повороту опорного сечения, по формуле

 

Мопыт = Q12 - С1) + Q2 С3, (2)

 

где Q1 - вес противовеса, равен 10 Н;

Q2 - вес груза на гиревой подвеске, Н;

С3 - расстояние от оси опорного сечения балки до оси гиревой подвески, равное 0,335 м.

2.10 Произвести теоретический расчет величины момента защемления Mтеор, Нм, для чего составить каноническое уравнение метода сил и решить его с применением способа Верещагина.


2.11 Определить расхождение между опытными данными и теоретическими вычислениями по формуле

 

(3)

 

Допустимая погрешность не должна превышать ± 5 %

2.12 Опытные данные и результаты расчета свести в журнал испытания. Сделать соответствующие выводы.

2.13 Составить журнал испытания как представлено ниже и сделать выводы.

Журнал испытания

Исходные данные по схеме нагружения балки. Схема защемленной балки, ее размеры и параметры нагружения показаны на рисунке 2.

F =..... Н; Q1 =..... H; Q2 =..... H;

C1 =..... мм; C2 =..... мм; C3 =..... мм;

a =..... мм; в =..... мм; c =..... мм.

Рисунок 2 - Схема защемленной балки и параметры ее нагружения

 

Результаты опытного определения момента защемления представлены в таблице 1.

 

Таблица 1 - Результаты опытного определения момента защемления

 

  Номер нагружения
     
Нагрузка на подвесках Fi, H      
Перемещение в защемлении Di, мм      

 

Диаграмма нагружения балки показана на рисунке 3.

 

F,

Н

 

 
 

 


0 D, мм

 

Рисунок 3 - Диаграмма нагружения балки

 

По формуле (2) определяем опытный момент защемления, MОП, Нм.

Определение расчетного момента защемления. Выбираем расчетную, основную и эквивалентную схемы нагружения балки. Составляем каноническое уравнение метода сил согласно зависимости (1) и находим его перемещения используя способ Верещагина. Решая полученное уравнение, определяем расчетный момент защемления балки Мтеор. Пример такого расчета представлен в приложении А.

Сравниваем опытное и теоретическое значения моментов защемления балки, определяя погрешность опыта по формуле (3).

Выводы:

 

 

Контрольные вопросы

3.1 Какие системы называются статически неопределимыми?

3.2 Что понимается под лишними связями СНС?

3.3 Как определяется степень статической неопределимости системы?

3.4 Каков физический смысл канонического уравнения, его слагаемых и сомножителей?

3.5 Дайте понятие основной и эквивалентной систем? Как они выбираются? Изложите порядок расчета лишней неизвестной в СНС.

3.6 Как опытным путем определяется момент защемления.

 







Date: 2015-07-17; view: 477; Нарушение авторских прав



mydocx.ru - 2015-2026 year. (0.969 sec.) Все материалы представленные на сайте исключительно с целью ознакомления читателями и не преследуют коммерческих целей или нарушение авторских прав - Пожаловаться на публикацию