Главная Случайная страница


Полезное:

Как сделать разговор полезным и приятным Как сделать объемную звезду своими руками Как сделать то, что делать не хочется? Как сделать погремушку Как сделать так чтобы женщины сами знакомились с вами Как сделать идею коммерческой Как сделать хорошую растяжку ног? Как сделать наш разум здоровым? Как сделать, чтобы люди обманывали меньше Вопрос 4. Как сделать так, чтобы вас уважали и ценили? Как сделать лучше себе и другим людям Как сделать свидание интересным?


Категории:

АрхитектураАстрономияБиологияГеографияГеологияИнформатикаИскусствоИсторияКулинарияКультураМаркетингМатематикаМедицинаМенеджментОхрана трудаПравоПроизводствоПсихологияРелигияСоциологияСпортТехникаФизикаФилософияХимияЭкологияЭкономикаЭлектроника






Монтаж RBS 6601





Инструкция по монтажу RBS 6601

1. Монтаж RBS 6601

1.1 Монтаж Main Unit (MU)

1.2 Монтаж Remote Radio Unit (RRU)

2. Монтаж оптических линий и кабелей питания

2.1 Монтаж системы защиты кабеля

2.2 Монтаж оптических линий

2.3 Монтаж кабелей питания

2.4 Кабельный ввод

3. Монтаж секторных антенн базовой станции (БС)

4. Общие требования

5. Фотоотчёт

6. Завершение работ

Монтаж RBS 6601

RBS 6601 является базовой станцией распределённого типа.

RBS 6601 состоит из MU (Main Unit - основной модуль), который устанавливается в

аппаратной и необходимого количества RRU (Remote Radio Unit - приемопередатчик),

которые устанавливаются у антенны.

 

Main Unit (MU)

 

 

Remote Radio Unit (RRUS 11)

 

Монтаж Main Unit (MU)

Перед началом работ с MU обязательно необходимо надевать на запястье

заземленный антистатический браслет, для предотвращения повреждения

чувствительных электронных компонентов

Установка основного модуля распределённой RBS внутреннего исполнения

осуществляется в свободное место 19'' стойки (шкафа), в соответствии с

рекомендациями заказчика. Над Main Unit необходимо оставить свободное

пространство не менее 1U.

Минимальное расстояние между тыльной стороной MU и стеной, а так же

минимальное расстояние между фронтальной стороной MU и дверью шкафа (при

установке в MU в шкаф), должно составлять не менее 50 мм.

Закрепить на MU элементы крепления для монтажа MU в 19’’ стойку.

При определенной конструкции 19'' стойки (шкафа) необходимо установить закладные

гайки, по две штуки с каждой стороны 19" стойки.

Аккуратно поместить MU в 19" стойку, и закрепить винтами. Закрутить винты

соответствующей отвёрткой с усилием 15 Nm.

Произвести подключение MU к шине заземления.

Подключение к шине заземления осуществлять с помощью болтового соединения или

под зажим, учитывая что к узлу соединения должен быть подключен только один

кабель заземления. Осуществлять подключение кабеля заземления с использованием

кабельных наконечников, если иное не предусмотрено системой зажима.

Подключение кабеля заземления осуществлять в штатной точке заземления MU.

Точка подключения основного кабеля заземления находится на тыльной стороне MU.

Усилие при затягивании болтового соединения - 15 Nm.

При недостаточной длине перемычки, поставляемой с MU, ее необходимо изготовить

из кабеля сечением не менее 16 мм2 (в поставке желто-зеленый 32 мм2). Маркировка с двух сторон «RBS 6601 L +»)

Произвести подключение кабеля питания. Разъем питания расположен на

фронтальной стороне MU. Для подключения кабеля питания к MU необходимо сделайте следующее: вставить кабель в указанный на рисунке разъем до щелчка.

Для подключения кабеля питания к MU необходимо сделайте следующее: вставить

кабель в указанный на рисунке разъем до щелчка.

Подключение осуществлять с помощью стандартного кабеля, поставляемого с MU.

При необходимости можно использовать кабель, сечением не менее 4 мм2.

 

Подключение кабелей трансмиссии.

 

Для подключения потока ТС используется кабель UTP-5E. Кабель трансмиссии

должен быть проложен в соответствии с рабочим проектом и корректно

промаркирован.

Подключение кабелей трансмиссии к MU порт TN A осуществляется с помощью разъемов RJ-45 в соответствии со следующей таблицей (маркировка «DUL 1 либо 2»):

 

При необходимости произвести подключение внешних аварий.

Подключение внешних аварий должно проводится в строгом соответствии с рабочим

проектом.

Подключение внешних аварий осуществлять с помощью поставляемого с MU

разъема, при этом зачищая провода кабеля внешних аварий на 7мм.

Подключение оптических кабелей.

Примечание: Оптические кабели чувствительны к механическим воздействиям,

изгибам, петлям, пыли, и т.п. С оптоволоконными кабелями необходимо обращаться

аккуратно. Запрещается касаться торцевой части оптического коннектора. Защитные

колпачки с разъемов оптического кабеля необходимо снимать только

непосредственно перед подключением к MU.

Оптические кабели должны быть установлены в строгом соответствии с

конфигурацией и корректно промаркированы. Не допускается жёсткое закрепление

оптических кабелей, т. к. это может привести к повреждению оптического волокна.

Подключение коннекторов оптического кабеля производится в установленные в MU


SFP-модули (Small Form-factor Pluggable - компактный приёмопередатчик).

Прокладка оптических кабелей должна осуществляться так, что бы исключить

повреждение оптических волокон (радиусы изгибов не должны быть меньше

допускаемых, кабели не должны быть перетянуты и т.п.)

В зависимости от типа используемого кабеля минимальный радиус изгиба составляет:

· радиус оптоволоконного кабеля – от 40 до 140 мм

· радиус отдельного волокна - 60мм

Излишки оптических кабелей должны быть аккуратно уложены в боксы (барабаны) для

оптических кабелей либо закреплены на монтажные крюки. Боксы под оптические кабели можно размещать в любом месте, но с учётом возможного будущего расширения. Не допускается укладка нескольких оптических кабелей в один бокс (барабан).

 

 

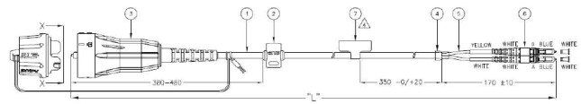
Кабель оптический RPM2531633/100M CONNECTION CABLE/2F LC-LC SM для приемопередатчика RRUS 11.

 

Внешний вид:

 

Вид в сборе:

 







Date: 2015-06-11; view: 1704; Нарушение авторских прав



mydocx.ru - 2015-2026 year. (1.244 sec.) Все материалы представленные на сайте исключительно с целью ознакомления читателями и не преследуют коммерческих целей или нарушение авторских прав - Пожаловаться на публикацию