Главная Случайная страница


Полезное:

Как сделать разговор полезным и приятным Как сделать объемную звезду своими руками Как сделать то, что делать не хочется? Как сделать погремушку Как сделать так чтобы женщины сами знакомились с вами Как сделать идею коммерческой Как сделать хорошую растяжку ног? Как сделать наш разум здоровым? Как сделать, чтобы люди обманывали меньше Вопрос 4. Как сделать так, чтобы вас уважали и ценили? Как сделать лучше себе и другим людям Как сделать свидание интересным?


Категории:

АрхитектураАстрономияБиологияГеографияГеологияИнформатикаИскусствоИсторияКулинарияКультураМаркетингМатематикаМедицинаМенеджментОхрана трудаПравоПроизводствоПсихологияРелигияСоциологияСпортТехникаФизикаФилософияХимияЭкологияЭкономикаЭлектроника






Термины и определения электрики





 

Развитие любой дисциплины отражает потребности практики и полу­ченные наукой результаты, которые закрепляются в терминах и опреде­лениях. Важнейшие из них устанавливаются стандартами и обязательны для применения в документации всех видов, в научно-технической, учебной и справочной литературе. Другие определяются директивными документами, например "Правилами устройства электроустановок"; отраслевыми инструкциями и циркулярами; нормами, методиками и справочными материалами научно-исследовательских, проектных и других организаций. Существуют и толковые, терминологические, энциклопедические, политехнические и специальные словари, которыми следует пользоваться для уточнения понятия при создании информа­ционного и программно-методического обеспечения, ориентированного на широкий круг специалистов.

При пользовании понятиями следует учитывать: изменение их во времени (старение, сужение или расширение), несовпадение термина по различным документам (разночтение), различное истолкование при несовпадении интересов, синонимию (сходство слов или выражений при различии написаний), омонимию (сходство в написании при различии значений). На каждом предприятии существуют документация и тради­ционное применение терминов, которые необходимо знать, работая на конкретном рабочем месте.

Система терминов, определяющая уровень любой науки, не может быть полной, исчерпывающей, замкнутой. Гёдель дал доказательство неполноты формальных систем: имеются истинные предложения, кото­рые в рамках этих систем нельзя доказать, но нельзя и опровергнуть. Теорема Геделя о неполноте утверждает принципиальную невозмож­ность формализации научного знания. Это означает, что ряд понятий не может быть определен в рамках электроснабжения как дисциплины, требуя перехода к более широкому кругу понятий. Они в свою оче­редь требуют привлечения интуитивно воспринимаемых и концептуаль­ных (по соглашению) терминов. Не будем определять термины "элект-

 

 

роэнергия", "электрическая цепь", "система", "совокупность", "мно­жество" и ряд других.

Электроснабжением называют обеспечение потребителей электро­энергией, системой электроснабжения — совокупность электроустано­вок, предназначенных для обеспечения потребителей электроэнергией. Система электроснабжения может быть определена и как совокуп­ность взаимосвязанных электроустановок, осуществляющих электро­снабжение района, города, предприятия. Потребитель по ГОСТ 19431-84, где изложены термины и определения энергетики и электрификации, - предприятие, организация, территориально обособленный цех, строи­тельная площадка, квартира, у которых приемники электроэнергии присоединены к электрической сети и используют электрическую энергию. Будем придерживаться этого определения, считая его более правильным. Определение ПУЭ: потребителем электроэнергии назы­вается электроприемник или группа электроприемников, объединен­ных технологическим процессом и размещающихся на определенной территории, — с точки зрения электроснабжения менее удачно. Во-пер­вых, оно ставит знак равенства между потребителем и электроприем­ником; во-вторых, группу приемников как потребителя следует выде­лять административно, и она не всегда объединена технологически или территориально. Следует считаться с условностью, неформализуемостью понятия "цех" и возможностью выделения из него отделений, участ­ков, отдельных сложных агрегатов, требующих отдельного питания и учета электроэнергии.

Приемником электроэнергии называют устройство (аппарат, агре­гат, механизм), в котором происходит преобразование электрической энергии в другой вид энергии для ее использования. По технологиче­скому назначению приемники электроэнергии классифицируются в зависимости от вида энергии, в который данный приемник преобразу­ет электрическую энергию, в частности: электродвигатели приводов машин и механизмов; электротермические и электросиловые установ­ки; электрохимические установки; установки электроосвещения; установки электростатического и электромагнитного поля, электро­фильтры; установки искровой обработки, электронные и вычислитель­ные машины, устройства контроля и испытания изделий.

Электроустановками называют совокупность машин, аппаратов, ли­ний и вспомогательного оборудования (вместе с сооружениями и поме­щениями, в которых они установлены), предназначенных для произ­водства, преобразования, передачи, накопления, распределения элект­рической энергии и преобразования ее в другой вид энергии. Электро­установка — комплекс взваимосвязанного оборудования и сооруже­ний. Примеры электроустановок: электрическая подстанция, линия электропередачи, распределительная подстанция, конденсаторная уста­новка, индукционная установка.


Специалисту-электрику приходится создавать и эксплуатировать

 

различные объекты, не называемые электроустановками (склад лака, инструментальная, площадка хранения кабельной продукции, электро­технический конструкторский отдел, бытовые установки пожаротуше­ния, воздухозабор и воздуховоды). На них распространяются другие правила безопасности и устройств, строительные нормы и правила. Часть таких объектов рассматривается в ПУЭ, например пневматиче­ское и масляное хозяйство. Для них электрики выступают как техно­логи (требования ПУЭ являются основой задания на проектирование и строительство).

Введем определение электрического хозяйства промышленных предприятий, представляющего совокупность генерирующих, преобразую­щих, передающих электроустановок, посредством которых осущест­вляется снабжение предприятия электроэнергией и эффективное ис­пользование ее в процессе технологического производства. Электриче­ское хозяйство включает в себя: собственно электроснабжение, кото­рое иногда называют внутризаводским электроснабжением, силовое электрооборудование и автоматизацию, электроосвещение, эксплуата­цию и ремонт электрооборудования. Электрическое хозяйство есть совокупность установленных и резервных электротехнических уста­новок, электрических и не электрических изделий, не являющихся частью электрической сети (цепи), но обеспечивающих ее функцио­нирование; электротехнических и других помещений, зданий, соору­жений и сетей, которые эксплуатируются электротехническим или подчиненным ему персоналом; это также людские, вещественные и энергетические ресурсы и информационное обеспечение, которые необходимы для жизнедеятельности электрического хозяйства как выделенной целостности. Электрическое хозяйство включает в себя часть электроэнергетической системы, отнесенную к предприятию. Энергетической системой (энергосистемой) называют совокупность электростанций, электрических и тепловых сетей, соединенных между собой и связанных общностью режима в непрерывном процессе про­изводства, преобразования и распределения электроэнергии и теплоты при общем управлении этим режимом. Электрической частью энерго­системы называется совокупность электроустановок электрических станций и электрических сетей энергосистемы.

Электрической сетью называют совокупность электроустановок для передачи и распределения электрической энергии, состоящую из под­станций, распределительных устройств, токопроводов, воздушных и кабельных линий электропередачи, работающих на определенной тер­ритории. Электрическую сеть можно определить и как совокупность подстанций и распределительных устройств и соединяющих их элект­рических линий, размещенных на территории района, населенного пунк­та, потребителя электроэнергии.

Подстанцией называют электроустановку, служащую для преобра­зования и распределения электроэнергии и состоящую из трансформато-

 

ров или других преобразователей энергии, распределительного устрой­ства, устройства управления и вспомогательных сооружений. В зависи­мости от преобразования той или иной функции они называются транс­форматорными (ТП) или преобразовательными (ПП). Трансформатор­ную подстанцию называют комплектной — КТП (КПП) — при постав­ке трансформаторов (преобразователей), щита низкого напряжения и других элементов в собранном виде или в виде, полностью подготов­ленном для сборки.


Электрическая подстанция — электроустановка для преобразования и распределения электрической энергии. Распределительным устрой­ством (РУ) называют электроустановку, служащую для приема и рас­пределения электроэнергии и содержащую коммутационные аппараты, сборные и соединительные шины, вспомогательные устройства (комп­рессорные, аккумуляторные и др.), а также устройства защиты, ав­томатики и измерительные приборы. Если все или основное оборудова­ние РУ расположено на открытом воздухе, оно называется открытым (ОРУ), в здании - закрытым (ЗРУ). Распределительное устройство, состоящее из полностью или частично закрытых шкафов и блоков со встроенными в них аппаратами, устройствами защиты и автоматики, поставляемое в собранном или полностью подготовленном для сбор­ки виде, называют комплектным и обозначают: для внутренней уста­новки — КРУ, для наружной — КРУН.

Распределительным пунктом называют РУ, предназначенное для приема и распределения электроэнергии на одном напряжении без преобразования и трансформации. Для напряжения 10(6) кВ в практи­ке электроснабжения широко применяется эквивалентное понятие "распределительная подстанция" (РП). Распределительный пункт на­пряжением до 1 кВ называют, как правило, силовым (сборкой).

Распределительным щитом называют распределительное устройство до 1 кВ, предназначенное для управления линиями сети и их защиты. Станция управления — комплектное устройство до 1 кВ, предназна­ченное для дистанционного управления электроустановками или их частями с автоматизированным выполнением функций управления, регулирования, защиты и сигнализации. Конструктивно станция управ­ления представляет собой блок, панель, шкаф, щит.

Блок управления — станция управления, все элементы которого монтируют на отдельных плите или каркасе. Панель управления — стан­ция управления, все элементы которой монтируют на щитах, рейках или других конструктивных элементах, собранных на общей раме или металлическом листе. Щит управления (щит станций управления — ЩСУ) — сборка из нескольких панелей или блоков на объемном кар­касе. Шкаф управления — станция управления, защищенная со всех сторон таким образом, что при закрытых дверях и крышках исключа­ется доступ к токоведущим частям.

 

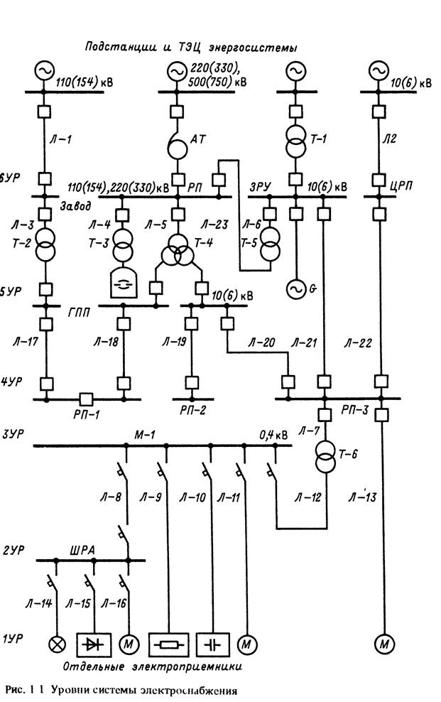
Поясним термины и определения на примере схемы на рис. 1.1, где максимально упрощенно представлена иерархическая схема электроснаб­жения крупного промышленного предприятия. Предприятие является потребителем электроэнергии (абонентом). С точки зрения энергоси­стемы предприятие и квартира неразличимы — оба потребители. Стрем­ление свести предприятие к точке, не различать специфических проблем электрики ощущалось и при создании теории больших (сложных) си­стем электроэнергетики.


На схеме показана условная граница раздела предприятие-энергоси­стема. Через нее предприятие обеспечивается электроэнергией: по ли­нии электропередачи Л-1, как правило, воздушной ЛЭП, от подстанции энергосистемы или РУ 110 кВ ТЭЦ энергосистемы; от автотрансформа­тора АТ районной подстанции (иногда называемой узловой - УРП), которая имеет, как правило, имя собственное (например, Северная, Металлургическая, Новокузнецкая), возможное напряжение — высшее в энергосистеме и которая удалена на расстояние, обусловленное не электрическими требованиями (сохранение электроснабжения райо­на при крупных авариях на предприятии и др.); от трансформатора Т-1, установленного на подстанции энергосистемы, которая питает од­но или несколько предприятий (потребителей), расположена вблизи, а иногда на территории предприятия и играет роль, близкую к роли главной понизительной подстанции (ГПП) предприятия; по линии Л-2 от одной из РУ 10(6) кВ или от ТЭЦ энергосистемы на генератор­ном напряжении.

Число вводов присоединения предприятия к энергосистеме два и больше и составляет несколько десятков при питании на генераторном напряжении аналогично Л-2 и высоком напряжении 110(154), 220(330) кВ аналогично Л-1, AT (далее будем указывать напряжение 110 кВ, подразумевая возможность другого значения напряжения). Возникает задача определения нагрузки предприятия: расчетного зна­чения, например проектного; суммирования показаний счетчиков и фактического суммирования, осуществляемого приборами в режиме реального времени.

Присоединение со стороны предприятия к энергосистеме может осуществляться через ОРУ (ЗРУ) 110 кВ, как для Т-2 (может быть глу­хой ввод кабельной линией 110 кВ); через РП 110 кВ предприятия, от которого питаются специальные подстанции, например печная Т-3, и обычные ГПП, например с трансформаторами с расщепленной обмот­кой Т-4 через ГРУ 10(6) кВ собственной ТЭЦ, где установлены транс­форматоры связи Г-5; через РП 16(6) кВ предприятий, которые иногда называют центральными - ЦРП (их может быть несколько).

Заводские подстанции 110/10 кВ (возможность трансформации на 6 кВ здесь и далее подразумевается) носят разные наименования: главные понизительные (преобразовательные) - ГПП, подстанции глубоко­го ввода - ПГВ, опорные подстанции - ОП. Возможны и оригинальные

 

 

 

 


названия, например АРЗ — Азовская районная заводская. Подстанции нумеруются по порядку.

Обычная схема распределительной* подстанции 10 кВ — две секции (РП-1), схема с одной секцией РП-2 встречается редко и применяется для неответственных потребителей или для нескольких электроприем­ников одной технологической линии; редок и случай нескольких вво­дов на одну секцию РП-3 (подстанция в "кольце" и осуществляет тран­зитное электроснабжение; существуют особые требования по надежно­сти электроснабжения). От РП питаются высоковольтные электродвига­тели и трансформаторы 10/0,4 кВ, как правило, КТП.

Часть от границы раздела предприятие—энергосистема до ТП 10/0,4 кВ, включая ГПП, РП и сети, собственно и есть электроснабже­ние, подразделяемое на предприятиях на участки: подстанции глубоких вводов, воздушные линии электропередачи всех напряжений, межцехо­вые кабельные сети всех напряжений, установки и сети наружного осве­щения территории завода, внецеховые распределительные трансформа­торные и преобразовательные подстанции. Сооружения (блоки, тунне­ли), в которых проложены сети от ГПП к РП и ТП различных цехов, называют магистральными.

Электроустановки и сети 0,4 кВ многочисленны и разветвлены. Они определяются электроприемниками. На схеме условно показаны осве­тительная нагрузка, выпрямительное устройство, двигатель, нагрева­тельное устройство, конденсаторная установка. Эту часть (от ТП до отдельного электроприемника) на предприятиях и в проектных орга­низациях называют силовым электрооборудованием, а сети - цеховы­ми. При решении отдельных вопросов силового электрооборудова­ния ограничения по размещению, установке и электроснабжению дикту­ются специалистами электропривода.







Date: 2015-06-11; view: 1807; Нарушение авторских прав



mydocx.ru - 2015-2026 year. (1.267 sec.) Все материалы представленные на сайте исключительно с целью ознакомления читателями и не преследуют коммерческих целей или нарушение авторских прав - Пожаловаться на публикацию