Главная Случайная страница


Полезное:

Как сделать разговор полезным и приятным Как сделать объемную звезду своими руками Как сделать то, что делать не хочется? Как сделать погремушку Как сделать так чтобы женщины сами знакомились с вами Как сделать идею коммерческой Как сделать хорошую растяжку ног? Как сделать наш разум здоровым? Как сделать, чтобы люди обманывали меньше Вопрос 4. Как сделать так, чтобы вас уважали и ценили? Как сделать лучше себе и другим людям Как сделать свидание интересным?


Категории:

АрхитектураАстрономияБиологияГеографияГеологияИнформатикаИскусствоИсторияКулинарияКультураМаркетингМатематикаМедицинаМенеджментОхрана трудаПравоПроизводствоПсихологияРелигияСоциологияСпортТехникаФизикаФилософияХимияЭкологияЭкономикаЭлектроника






Характеристики электроизмерительных приборов





Предел измерения прибора – это максимальное значение измеряемой прибором величины, при котором стрелка прибора отклоняется до конца шкалы.

Цена деления показывает значение измеряемой величины при отклонении стрелки на одно деление шкалы.

В случае использования многошкальных приборов предел измерений и цена деления имеют несколько значений.

Класс точности прибора показывает (относительную) погрешность прибора, выраженную в процентах по отношению к предельному значению измеряемой величины.

γ=∆X/Xпред.∙100%

где γ - класс точности;

∆X -абсолютная погрешность прибора;

Xпред. -предел измерений прибора.

В нашей лаборатории имеются приборы следующих классов точности: 0,5; 1,0; 1,5; 2,5; 4,0. Если класс точности на приборе не указан, то он считается равным 4,0.

Зная класс точности, легко определить абсолютную приборную погрешность:

∆X=γ∙Xпред./100%

На шкале электроизмерительных приборов указаны условные обозначения, определяющие систему прибора, положение, в котором он должен работать, класс точности, ток, на котором он работает, напряжение пробоя для изоляции проводов,

Для данной работы используются амперметр и вольтметр со следующими обозначениями:

-прибор магнитоэлектрической системы;

-напряжение пробоя изоляции - 3 Кв

┴-прибор работает в вертикальном положении;

-1,0 - прибор работает на постоянном токе,

класс точности γ = 1,0%

 

Основные понятия

Удельное сопротивление ρ - это характеристика электрических свойств материала проводника, численно равная сопротивлению проводника единичной длины и единичной площади поперечного сечения. Сопротивление проводника

R=ρl/S (1)

где l - длина проводника,

S - площадь поперечного сечения.

Из выражения (1) видно, что для определения удельного сопротивления провода круглого сечения необходимо измерить длину провода l, его диаметр D и величину электрического сопротивления данного отрезка провода R, тогда

(2)

Длину можно измерить линейкой, диаметр – штангенциркулем или микрометром, а для определения сопротивления используются амперметр и вольтметр.

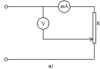
Сопротивление заданного отрезка провода можно определить по одной из схем (рисунок 1).

а) метод точного измерения тока б) методу точного измерения напряжения

Рисунок 1 Схемы подключения измерительных приборов

Измерение активного сопротивления по методу точного измерения тока (рисунок 1а) Ток Ј через исследуемое сопротивление измеряется миллиамперметром mA. Вольтметр V измеряет падение напряжения на миллиамперметре, внутреннее сопротивление которого R= 0,29 Ом, и сопротивление R в соответствии с формулой

u=Ј∙(RA+R) (3)

откуда

R= u/Ј─RA (4)

Измерение активного сопротивления по методу точного измерения напряжения (рисунок 1б). Ток, измеряемый миллиамперметром, Ј разветвляется в вольтметр (Јv) и в исследуемый проводник (ЈR), так что

Ј=ЈVR (5)

 

Вольтметр, внутреннее сопротивление которого RV= 1975 Ом, измеряет напряжение

u=ЈVRVRR (6)

Из выражений (5) и (6) получим значение сопротивления проводника

R= uRV/ЈRV─u (7)







Date: 2015-05-22; view: 780; Нарушение авторских прав



mydocx.ru - 2015-2026 year. (0.634 sec.) Все материалы представленные на сайте исключительно с целью ознакомления читателями и не преследуют коммерческих целей или нарушение авторских прав - Пожаловаться на публикацию